Запчасти Volvo MC110B 18155 Drivetrain components MC110B

Схема запчастей Volvo MC110B - 18155 Drivetrain components MC110B
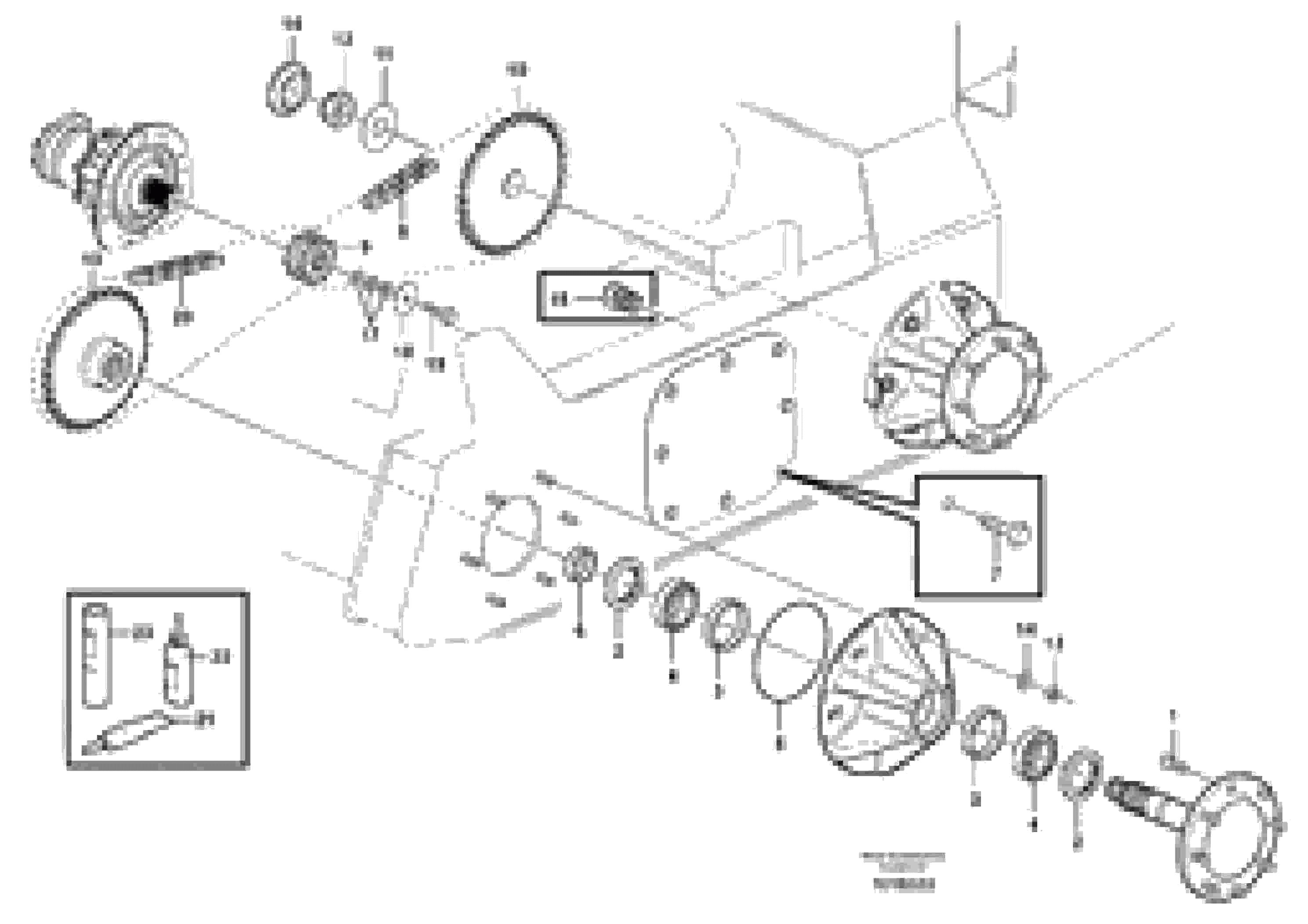
FIT
1:1
100%

Артикул

Название

Примечание

Количество

VOE 11853077

Шпилька колеса

BRA

1шт.

1

VOE 11852889

Шпилька колеса

USA

1шт.

10

VOE 11852807

Звездочка

1шт.

11

VOE 11841632

Шайба

1шт.

12

VOE 11841615

Hexagon nut

1шт.

13

VOE 11841587

Hexagon nut

1шт.

14

VOE 11841579

Шайба

1шт.

15

VOE 11852604

Дефлектор

1шт.

16

VOE 11841257

Крышка

1шт.

17

VOE 13969203

Шайба

1шт.

18

VOE 947356

Шайба

1шт.

19

VOE 13965226

Болт

1шт.

19

VOE 13965226

Болт

1шт.

2

VOE 11842461

Сальник

1шт.

20

VOE 11850994

Chain

1шт.

21

VOE 11841790

Anti-seize compound

1шт.

22

VOE 11841794

Adhesive

1шт.

23

VOE 11841792

Grease

1шт.

3

VOE 7018599

Cone

1шт.

4

VOE 7011148

Подшипник

1шт.

4

VOE 7011148

Подшипник

1шт.

5

VOE 983534

Кольцо уплотнительное (О-кольцо)

1шт.

6

VOE 11842464

Вставка

1шт.

7

VOE 946441

Flange screw

1шт.

7

VOE 946441

Flange screw

1шт.

8

VOE 11841322

Chain

1шт.

9

VOE 11850995

Звездочка

1шт.

Выбрано товаров: 27