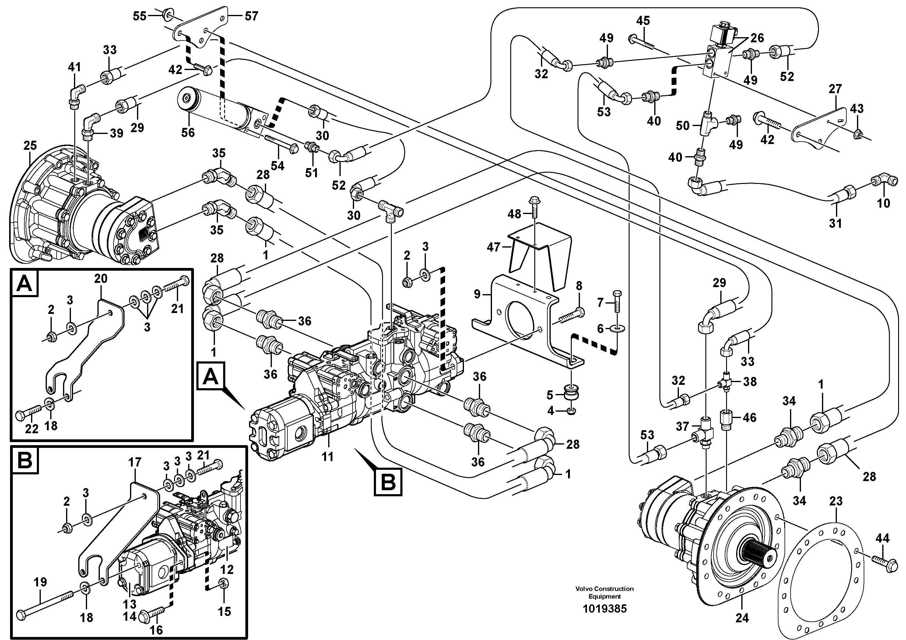
Запчасти Volvo MC110B 18751 Hydraulic system Transport MC110B

Схема запчастей Volvo MC110B - 18751 Hydraulic system Transport MC110B
FIT
1:1
100%

Артикул

Название

Примечание

Количество

VOE 11850851

Крышка

11850236,11840238

1шт.

VOE 932037

Кольцо уплотнительное (О-кольцо)

1шт.

VOE 932037

Кольцо уплотнительное (О-кольцо)

1шт.

VOE 11715943

Sealing kit

1шт.

1

VOE 11851083

Шланг

1шт.

10

VOE 11841896

Elbow

1шт.

11

VOE 11850880

Насос коробки передач (трансмиссии, КПП)

1шт.

12

VOE 11850881

Насос коробки передач (трансмиссии, КПП)

1шт.

13

VOE 11850882

Пилотный (шестерёнчатый) насос

1шт.

14

VOE 11714565

Sealing kit

1шт.

15

VOE 13971072

Hexagon nut

1шт.

15

VOE 13971072

Hexagon nut

1шт.

16

VOE 13965194

Screw

1шт.

16

VOE 13965194

Болт

1шт.

17

VOE 11852610

Опора

1шт.

18

VOE 955924

Шайба пружинная

1шт.

19

VOE 13970987

Винт шестигранник

1шт.

19

VOE 13970987

Винт шестигранник

1шт.

2

VOE 950356

Lock nut

1шт.

2

VOE 950356

Lock nut

1шт.

20

VOE 11841294

Опора

1шт.

21

VOE 955563

Винт шестигранник

1шт.

21

VOE 955563

Винт шестигранник

1шт.

22

VOE 13970986

Винт шестигранник

1шт.

22

VOE 13970986

Винт шестигранник

1шт.

23

VOE 11851306

Прокладка

1шт.

24

VOE 11851080

Гидромотор

1шт.

25

VOE 11851081

Гидромотор

1шт.

26

VOE 11852575

Клапан

1шт.

27

VOE 11851167

Кронштейн

1шт.

28

VOE 11851083

Шланг

1шт.

29

VOE 11852581

Hose assembly

1шт.

3

VOE 969274

Шайба

1шт.

30

VOE 11851275

Шланг

1шт.

31

VOE 11850084

Шланг

1шт.

32

VOE 11852530

Hose assembly

1шт.

33

VOE 11851143

Шланг

1шт.

34

VOE 11841866

Соединитель

1шт.

35

VOE 11850874

Elbow

1шт.

36

VOE 11841861

Соединитель

1шт.

37

VOE 11852576

Фиттинг

1шт.

38

VOE 11851123

Tee

1шт.

39

VOE 11851152

Elbow

1шт.

4

VOE 950354

Lock nut

1шт.

4

VOE 950354

Lock nut

1шт.

40

VOE 11841868

Соединитель

1шт.

41

VOE 11851150

Elbow

1шт.

42

VOE 13965192

Screw

1шт.

42

VOE 13965192

Болт

1шт.

43

VOE 13955781

Гайка

1шт.

43

VOE 13955781

Гайка

1шт.

44

VOE 975110

Flange screw

1шт.

44

VOE 975110

Flange screw

1шт.

45

VOE 975867

Flange screw

1шт.

46

VOE 11851303

Соединитель

1шт.

47

VOE 11850850

Крышка

11840235,11840237

1шт.

48

VOE 13946934

Болт

1шт.

48

VOE 13946934

Болт

1шт.

49

VOE 11852577

Фиттинг

1шт.

5

VOE 11841526

Mount

1шт.

50

VOE 11852399

Tee

1шт.

51

VOE 11841876

Соединитель

1шт.

52

VOE 11852580

Hose assembly

1шт.

53

VOE 31852582

Hose assembly

1шт.

54

VOE 13965188

Болт

1шт.

54

VOE 13965188

Screw

1шт.

55

VOE 13971098

Flange nut

1шт.

55

VOE 13971098

Flange nut

1шт.

56

11852574

Гидроаккумулятор

1шт.

57

VOE 11852583

Кронштейн

1шт.

6

VOE 11841178

Шайба

1шт.

7

VOE 955538

Винт шестигранник

1шт.

7

VOE 955538

Винт шестигранник

1шт.

8

VOE 955565

Винт шестигранник

1шт.

8

VOE 955565

Винт шестигранник

1шт.

9

VOE 11850848

Кронштейн

1шт.

Выбрано товаров: 0