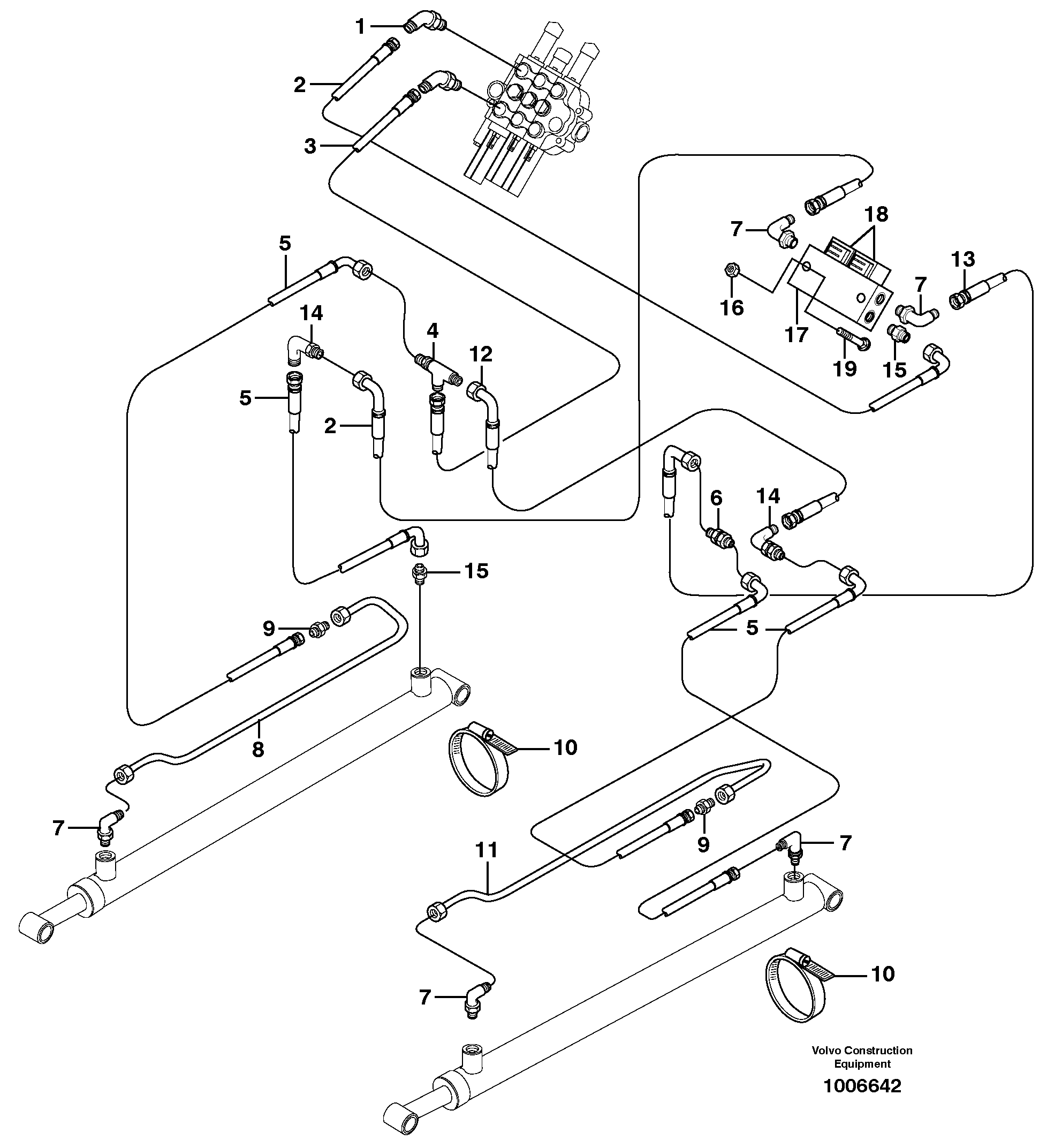
Запчасти Volvo MC70 10306 Loader arm hydraulic circuit (w/self level valve)

Схема запчастей Volvo MC70 - 10306 Loader arm hydraulic circuit (w/self level valve)
FIT
1:1
100%

Артикул

Название

Примечание

Количество

1

VOE 11841981

Elbow

1шт.

10

VOE 13961674

Кольцо уплотнительное

1шт.

11

VOE 11841015

Трубка

1шт.

12

VOE 11841142

Шланг

1шт.

13

VOE 11841176

Шланг

1шт.

14

VOE 4881313

Bulkhead grommet

1шт.

14

VOE 4881313

Bulkhead grommet

1шт.

15

VOE 11841868

Соединитель

1шт.

16

VOE 950362

Lock nut

1шт.

17

VOE 11850423

Клапан

1шт.

18

VOE 11711394

Соленоид (электромагнитный клапан)

1шт.

19

VOE 11841621

Болт

1шт.

2

VOE 11840644

Шланг

1шт.

3

VOE 11840641

Шланг

1шт.

4

VOE 11841997

Tee

1шт.

5

VOE 11840655

Шланг

1шт.

6

VOE 11841857

Bulkhead

1шт.

7

VOE 11841896

Elbow

1шт.

8

VOE 11841013

Трубка

1шт.

9

VOE 11841852

Переходник масляного фильтра

1шт.

Выбрано товаров: 20