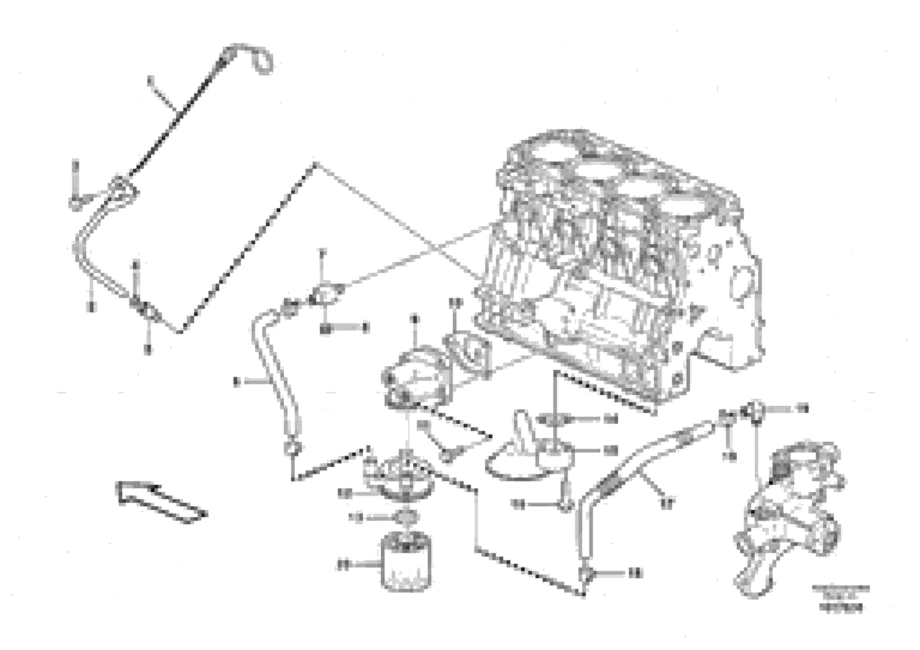
Запчасти Volvo MC70B 65040 Система масляной смазки MC70B S/N 71000 -

Схема запчастей Volvo MC70B - 65040 Система масляной смазки MC70B S/N 71000 -
FIT
1:1
100%

Артикул

Название

Примечание

Количество

1

VOE 11714392

Oil dipstick

1шт.

10

VOE 11714403

Прокладка

1шт.

11

VOE 11713640

Болт

1шт.

11

VOE 11713640

Болт

1шт.

12

VOE 11714398

Масляный радиатор

1шт.

13

VOE 11713711

Гайка

1шт.

14

VOE 11714394

Прокладка

1шт.

14

VOE 11714394

Прокладка

1шт.

15

VOE 11714396

Oil pipe

1шт.

15

VOE 11714396

Oil pipe

1шт.

16

VOE 11714281

Flange screw

1шт.

16

VOE 11714281

Flange screw

1шт.

17

VOE 11714407

Шланг

1шт.

18

VOE 11713723

Зажим

1шт.

19

VOE 11714410

Elbow nipple

1шт.

19

VOE 11714410

Elbow nipple

1шт.

2

VOE 11714393

Guide

1шт.

20

VOE 11713229

Filter cartridge

1шт.

20

VOE 11713229

Фильтр масляный

1шт.

3

VOE 11714372

Болт

1шт.

3

VOE 11714372

Болт

1шт.

4

VOE 11713783

Кольцо уплотнительное (О-кольцо)

1шт.

5

VOE 11714397

Steering

1шт.

6

VOE 11714405

Шланг

1шт.

7

VOE 11713713

Соединитель

1шт.

7

VOE 11713713

Корпус клапана (коллектор)

1шт.

8

VOE 11714474

Пробка (заглушка)

1шт.

8

VOE 11714474

Пробка (заглушка)

1шт.

9

VOE 11714400

Filter Housing

1шт.

Выбрано товаров: 0