Качественные детали и логистика
Оригинальные и аналоговые запчасти с доставкой по России, Казахстану и Беларуси
©2022 PartSell ООО "Система" ИНН 2463123282 ОГРН 1212400004838
Центральный офис: г. Красноярск, Академика Киренского, д.87, пом.4
Телефон: 8 (800) 777-65-74 Email: zakaz@partsell.ru
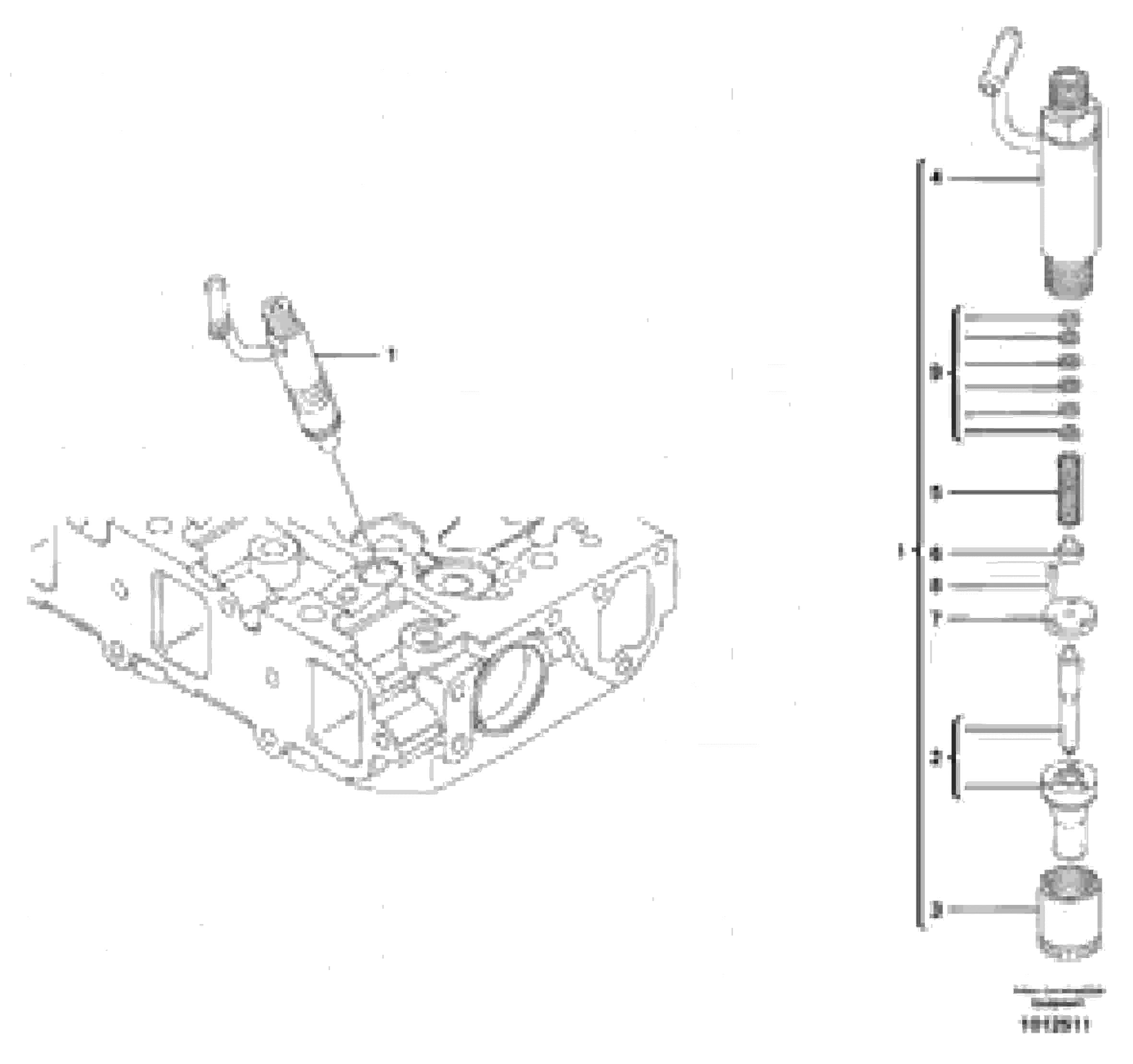
65044 Форсунка топливная (инжектор)
№
Артикул
Название
Примечание
Количество
1
VOE 15103779
Форсунка топливная (инжектор)
1шт.
2
VOE 15101872
Nozzle
3
SA 8210-00380
Гайка
4
VOE 11713756
Nozzle retainer
5
SA 8210-00390
Пружина
6
SA 8210-00400
7
SA 8210-00410
Пластина
8
SA 8210-00420
Палец
9
SA 8210-00430
Прокладка
Выбрано товаров: 0