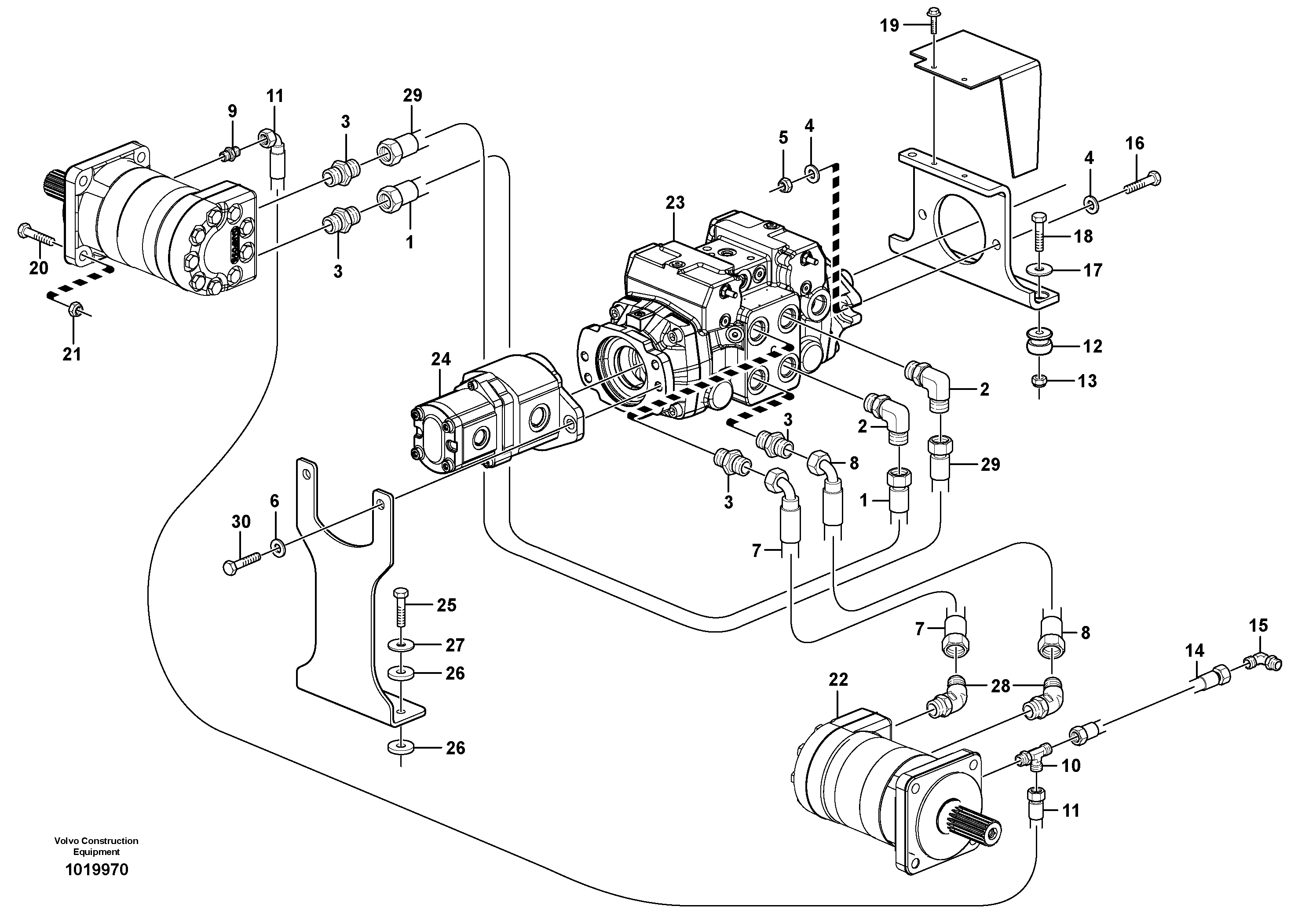
Запчасти Volvo MC70B 61007 Hydraulic system Transport MC70B

Схема запчастей Volvo MC70B - 61007 Hydraulic system Transport MC70B
FIT
1:1
100%

Артикул

Название

Примечание

Количество

1

VOE 11852781

Hose assembly

1шт.

10

VOE 11841996

Tee

1шт.

11

VOE 11850737

Шланг

1шт.

12

VOE 11841526

Mount

1шт.

13

VOE 950354

Lock nut

1шт.

13

VOE 950354

Lock nut

1шт.

14

VOE 11851275

Шланг

1шт.

15

VOE 11841896

Elbow

1шт.

16

VOE 955564

Болт

1шт.

16

VOE 955564

Винт шестигранник

1шт.

17

VOE 11841178

Шайба

1шт.

18

VOE 955538

Винт шестигранник

1шт.

18

VOE 955538

Винт шестигранник

1шт.

19

VOE 13946934

Болт

1шт.

19

VOE 13946934

Болт

1шт.

2

VOE 11841899

Соединитель

1шт.

20

VOE 11841659

Болт

1шт.

21

VOE 15406715

Гайка

1шт.

22

VOE 11850870

Гидромотор

1шт.

23

VOE 11851861

Насос коробки передач (трансмиссии, КПП)

1шт.

24

VOE 11851930

Пилотный (шестерёнчатый) насос

1шт.

25

VOE 13970949

Винт шестигранник

1шт.

25

VOE 13970949

Винт шестигранник

1шт.

26

VOE 11841243

Rubber washer

1шт.

27

VOE 11841178

Шайба

1шт.

28

VOE 11841983

Elbow

1шт.

29

VOE 11852781

Hose assembly

1шт.

3

VOE 11841872

Соединитель

1шт.

30

VOE 13970974

Винт шестигранник

1шт.

30

VOE 13970974

Винт шестигранник

1шт.

4

VOE 11841560

Шайба

1шт.

5

VOE 950356

Lock nut

1шт.

5

VOE 950356

Lock nut

1шт.

7

VOE 11852783

Hose assembly

1шт.

8

VOE 11852783

Hose assembly

1шт.

9

VOE 11841876

Соединитель

1шт.

Выбрано товаров: 36