Запчасти Volvo MC80B 60478 Water pump and thermostat housing MC80B S/N 71000 -

Схема запчастей Volvo MC80B - 60478 Water pump and thermostat housing MC80B S/N 71000 -
FIT
1:1
100%

Артикул

Название

Примечание

Количество

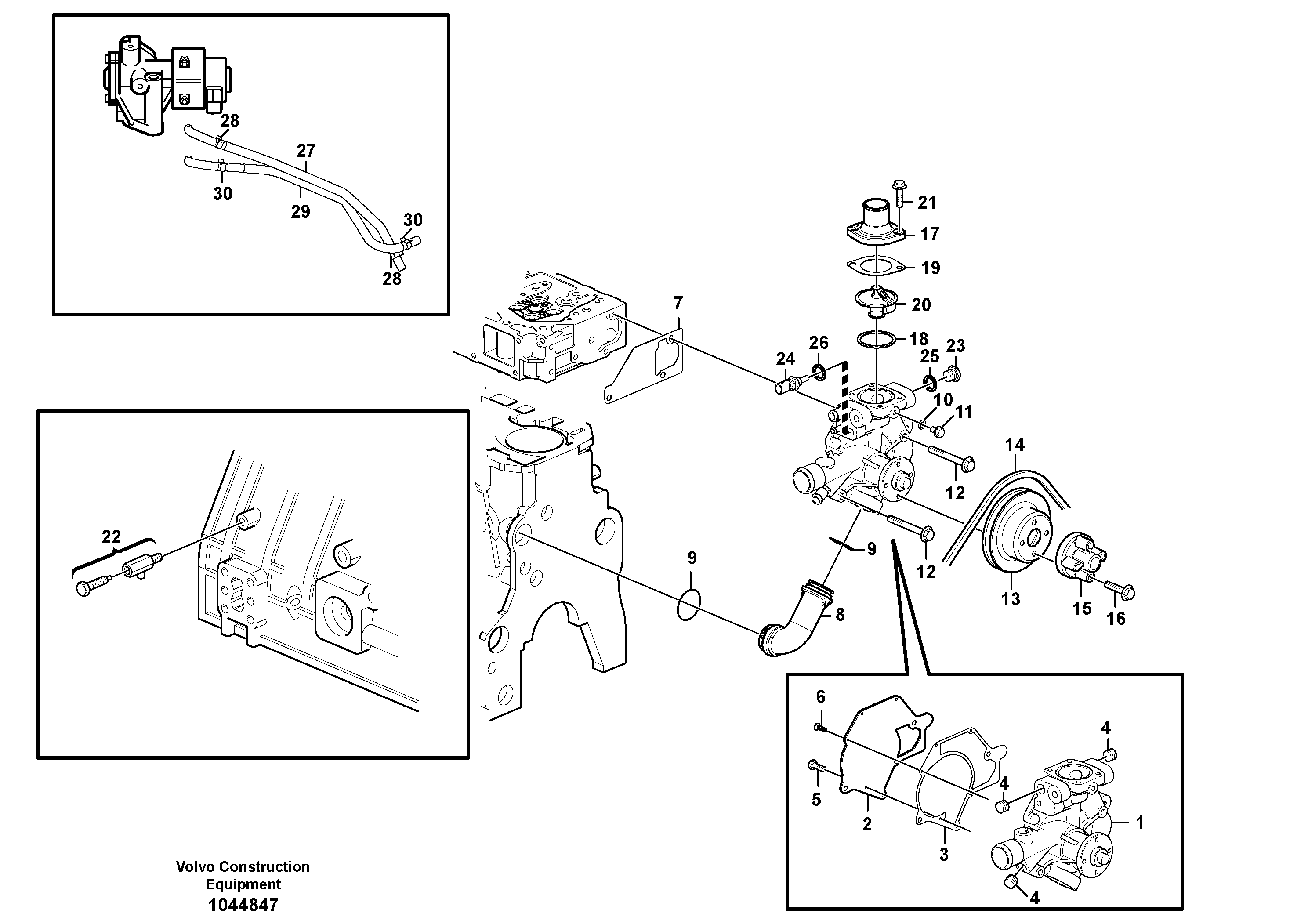
1

VOE 15103818

Coolant pump

1шт.

10

VOE 11714477

Прокладка

1шт.

10

VOE 11714477

Прокладка

1шт.

11

VOE 11714490

Болт

1шт.

11

VOE 11714490

Болт

1шт.

12

VOE 11714373

Болт

1шт.

12

VOE 11714373

Болт

1шт.

13

VOE 14520586

Шкив

1шт.

14

VOE 15103625

Ремень клиновой (приводной)

1шт.

15

VOE 11714872

Вставка

1шт.

16

VOE 11714373

Болт

1шт.

16

VOE 11714373

Болт

1шт.

17

VOE 15103627

Thermostat casing

1шт.

18

VOE 11714740

Прокладка

1шт.

18

VOE 11714740

Прокладка

1шт.

19

VOE 11714875

Прокладка

1шт.

2

VOE 15103619

Крышка

1шт.

20

SA 8210-02800

Термостат

1шт.

21

VOE 11713640

Болт

1шт.

21

VOE 11713640

Болт

1шт.

22

VOE 11714880

Клапан

1шт.

23

VOE 11714492

Пробка (заглушка)

1шт.

23

VOE 11714492

Пробка (заглушка)

1шт.

24

VOE 15066541

Термостат

1шт.

24

VOE 15066541

Термостат

1шт.

25

VOE 11714478

Прокладка

1шт.

25

VOE 11714478

Прокладка

1шт.

26

VOE 11713313

Сальник

1шт.

27

VOE 15103631

Pipe line

1шт.

28

VOE 15066557

Зажим

1шт.

28

VOE 15066557

Зажим

1шт.

29

VOE 15103632

Трубка

1шт.

3

VOE 11714867

Прокладка

1шт.

30

VOE 15066557

Зажим

1шт.

30

VOE 15066557

Зажим

1шт.

4

VOE 14521576

Пробка (заглушка)

1шт.

4

VOE 14521576

Пробка (заглушка)

1шт.

5

VOE 11714433

Болт

1шт.

6

VOE 15103623

Болт

1шт.

7

VOE 11714879

Прокладка

1шт.

8

VOE 11714870

Pipe bend

1шт.

9

VOE 11714871

Кольцо уплотнительное (О-кольцо)

1шт.

Выбрано товаров: 0