Запчасти Volvo 4200 4200 24445 Single acting lift function 98653

Схема запчастей Volvo 4200 4200 - 24445 Single acting lift function 98653
FIT
1:1
100%

Артикул

Название

Примечание

Количество

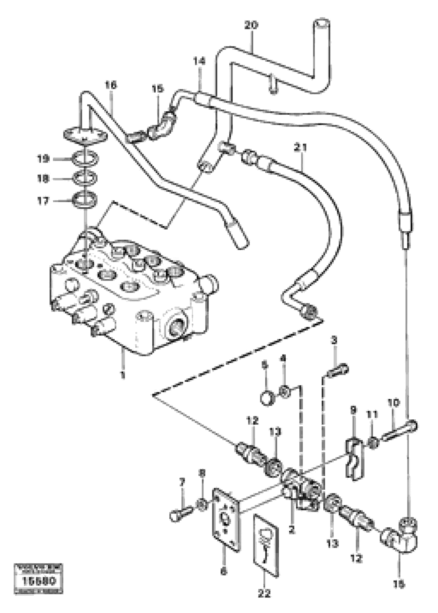
VOE 6614684

Lever

1шт.

10

VOE 955303

Винт шестигранник

1шт.

10

VOE 955303

Винт шестигранник

1шт.

11

VOE 13955894

Шайба

1шт.

11

VOE 13955894

Шайба

1шт.

12

VOE 13943988

Nipple

1шт.

12

VOE 13943988

Nipple

1шт.

13

VOE 14013070

Sealing washer

1шт.

13

VOE 14013070

Sealing washer

1шт.

14

VOE 931762

Hose assembly

1шт.

14

VOE 931762

Hose assembly

1шт.

15

VOE 944258

Nipple

1шт.

15

VOE 944258

Nipple

1шт.

16

VOE 4929233

Tube Assembly

1шт.

17

VOE 4780734

Back-up ring

1шт.

17

VOE 4780734

Back-up ring

1шт.

18

VOE 949659

Кольцо уплотнительное (О-кольцо)

1шт.

18

VOE 949659

Кольцо уплотнительное (О-кольцо)

1шт.

19

VOE 958228

Кольцо уплотнительное (О-кольцо)

1шт.

19

VOE 958228

Кольцо уплотнительное (О-кольцо)

1шт.

2

VOE 4747766

Crane

1шт.

20

VOE 4929222

Return Pipe

1шт.

21

VOE 931705

Hose assembly

1шт.

21

VOE 931705

Hose assembly

1шт.

3

VOE 13955295

Болт

1шт.

3

VOE 13955295

Болт

1шт.

4

VOE 13941907

Шайба пружинная

1шт.

4

VOE 13941907

Шайба

1шт.

5

VOE 7190991

Ball

1шт.

7

VOE 13955294

Болт

1шт.

7

VOE 13955294

Болт

1шт.

8

VOE 13955894

Шайба

1шт.

8

VOE 13955894

Шайба

1шт.

Выбрано товаров: 33