Запчасти Volvo 4200B 4200B 19938 Насос коробки передач (трансмиссии, КПП)

Схема запчастей Volvo 4200B 4200B - 19938 Насос коробки передач (трансмиссии, КПП)
FIT
1:1
100%

Артикул

Название

Примечание

Количество

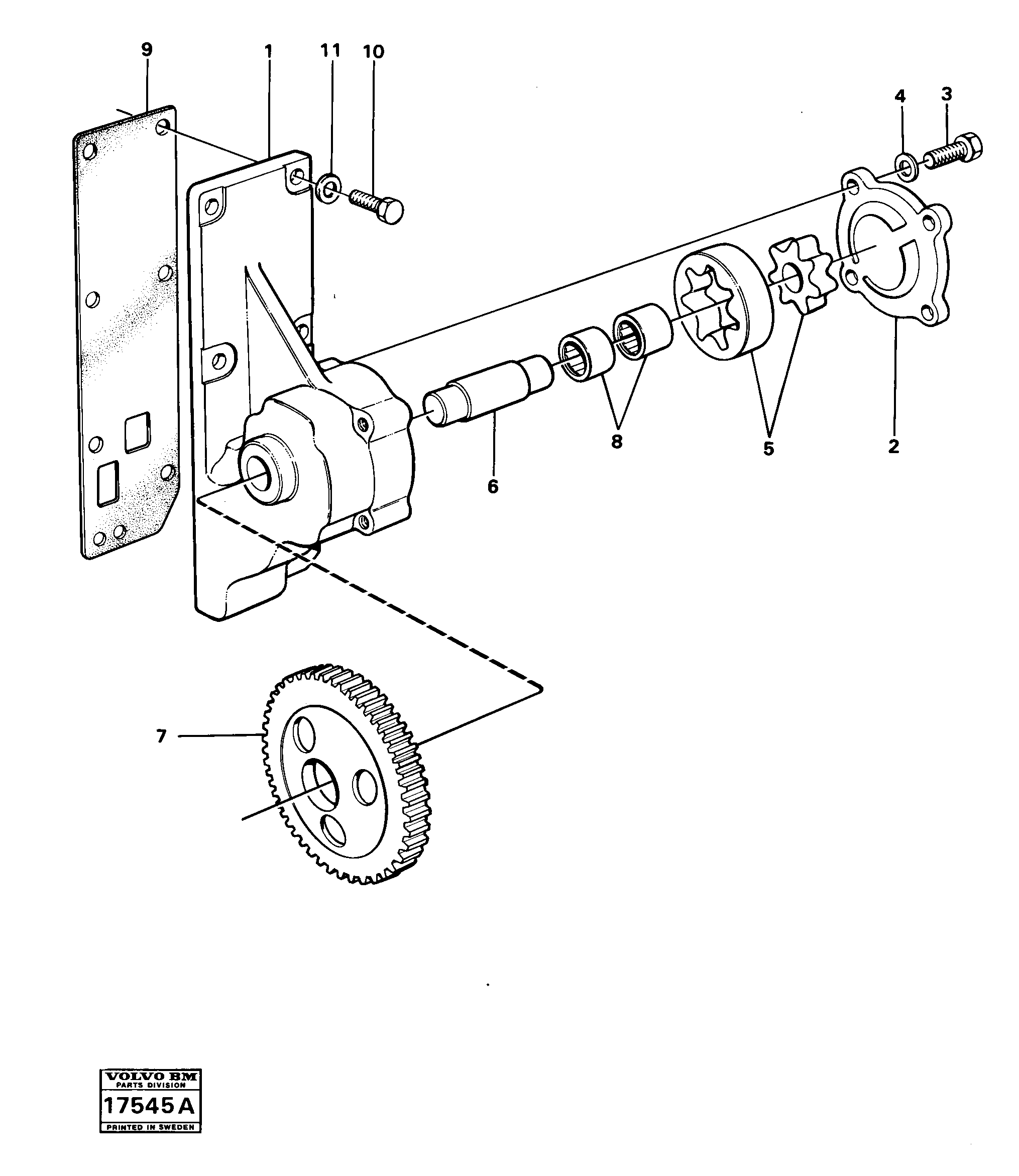
VOE 4871732

Насос

1шт.

VOE 4871732

Насос

1шт.

10

VOE 940142

Винт шестигранник

1шт.

10

VOE 940142

Винт шестигранник

1шт.

11

VOE 13941907

Шайба пружинная

1шт.

11

VOE 13941907

Шайба

1шт.

3

VOE 940132

Винт шестигранник

1шт.

3

VOE 940132

Винт шестигранник

1шт.

4

VOE 13941907

Шайба пружинная

1шт.

4

VOE 13941907

Шайба

1шт.

5

VOE 4881291

Rotor Kit

1шт.

7

VOE 4871562

Gear

1шт.

8

VOE 4881290

Needle Bearing

1шт.

9

VOE 11144042

Прокладка

1шт.

9

VOE 11144042

Прокладка

1шт.

Выбрано товаров: 15