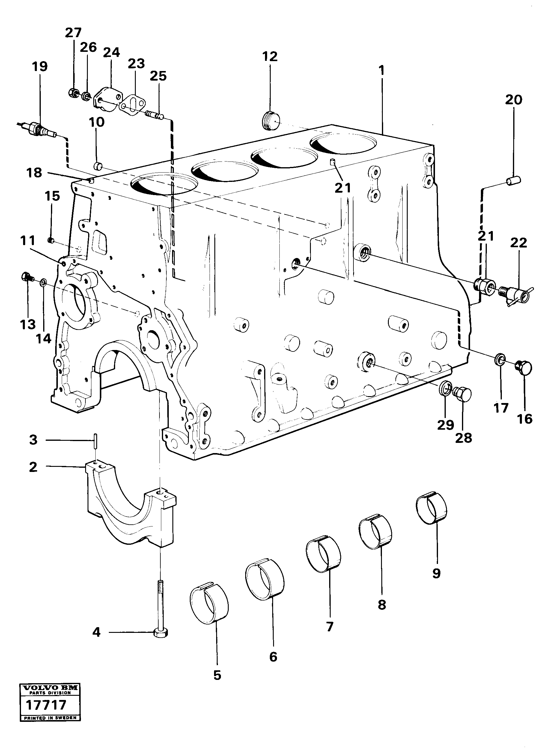
Запчасти Volvo 4200B 4200B 99764 Блок цилиндров

Схема запчастей Volvo 4200B 4200B - 99764 Блок цилиндров
FIT
1:1
100%

Артикул

Название

Примечание

Количество

1

VOE 4804591

Блок цилиндров

1шт.

10

VOE 422369

Пробка (заглушка)

1шт.

10

VOE 422369

Пробка (заглушка)

1шт.

11

VOE 955082

Cap plug

1шт.

11

VOE 955082

Cap plug

1шт.

12

VOE 7070792

Cap plug

1шт.

12

VOE 7070792

Cap plug

1шт.

13

VOE 7016318

Пробка (заглушка)

1шт.

13

VOE 7016318

Пробка (заглушка)

1шт.

14

VOE 957173

Gasket

1шт.

14

VOE 957173

Прокладка

1шт.

15

VOE 13961130

Пробка (заглушка)

1шт.

16

VOE 4804641

Пробка (заглушка)

1шт.

17

VOE 957193

Прокладка

1шт.

17

VOE 957193

Gasket

1шт.

18

VOE 785800

785800

1шт.

19

VOE 1606877

1606877

1шт.

20

VOE 191171

Палец

1шт.

21

VOE 479954

Nipple

1шт.

21

VOE 479954

Nipple

1шт.

22

VOE 87502

Drain Cock

1шт.

23

VOE 11030028

Прокладка

1шт.

23

VOE 11030028

Прокладка

1шт.

24

VOE 7363575

Пластина

1шт.

24

VOE 7363575

7363575

1шт.

25

VOE 953235

Шпилька

1шт.

26

VOE 13941907

Шайба пружинная

1шт.

26

VOE 13941907

Шайба

1шт.

27

VOE 955826

Гайка

1шт.

27

VOE 955826

Hexagon nut

1шт.

28

VOE 961895

Пробка (заглушка)

1шт.

28

VOE 961895

Пробка (заглушка)

1шт.

29

VOE 13947627

Plane gasket

1шт.

29

VOE 13947627

Plane gasket

1шт.

3

VOE 950564

Палец

1шт.

4

VOE 421153

Болт

1шт.

4

VOE 421153

Болт

1шт.

5

VOE 785515

Втулка

1шт.

6

VOE 11000014

Втулка

1шт.

6

VOE 11000014

Втулка

1шт.

7

VOE 422080

Втулка

1шт.

7

VOE 422080

Втулка

1шт.

8

VOE 422081

Втулка

1шт.

8

VOE 422081

Втулка

1шт.

9

VOE 785443

Втулка

1шт.

Выбрано товаров: 45