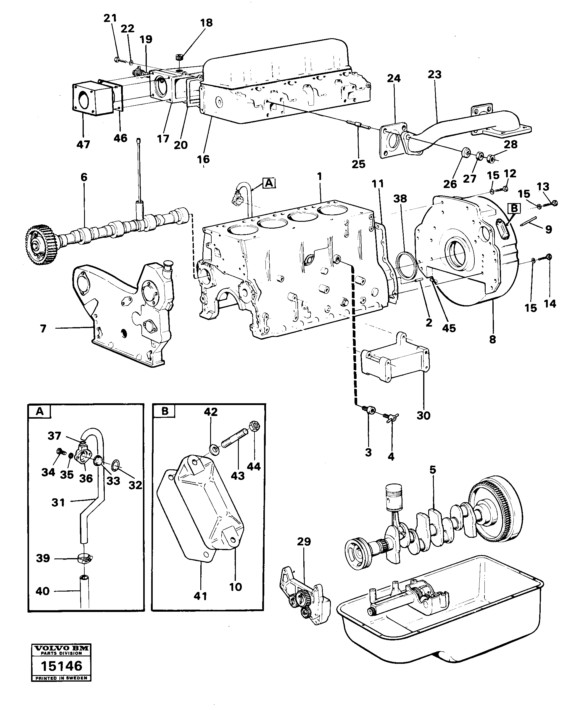
Запчасти Volvo 4300 4300 98044 Engine with fitting parts

Схема запчастей Volvo 4300 4300 - 98044 Engine with fitting parts
FIT
1:1
100%

Артикул

Название

Примечание

Количество

VOE 953494

Шпилька

MO 37989-

1шт.

VOE 4804249

Прокладка

PROD NO 16300, 16305

1шт.

VOE 4804249

Прокладка

PROD NO 16300, 16305

1шт.

VOE 955531

Винт шестигранник

L=89

1шт.

VOE 955531

Болт

L=89

1шт.

VOE 4804305

Exhaust pipe

PROD NO 16300, 16305

1шт.

VOE 4804207

Breather pipe

MO 37989-

1шт.

VOE 4804207

Breather pipe

MO 37989-

1шт.

VOE 11990088

Gasket kit

PROD NO 16100, 16106

1шт.

VOE 11990089

Overhaul kit

PROD NO 16300, 16305

1шт.

VOE 11990089

Overhaul kit

PROD NO 16300, 16305

1шт.

VOE 739393

Трубка

1шт.

VOE 739393

Трубка

1шт.

VOE 7192114

Пробка (заглушка)

MO 37989-

1шт.

VOE 7192114

Пробка (заглушка)

MO 37989-

1шт.

VOE 955526

Болт

L=51

1шт.

VOE 955526

Винт шестигранник

L=51

1шт.

VOE 905654

Drive screw

1шт.

VOE 905654

Drive screw

1шт.

VOE 942299

Flange nut

MO 37989-

1шт.

VOE 942299

Flange nut

MO 37989-

1шт.

VOE 13941907

Шайба пружинная

MO 37989-

1шт.

VOE 13941907

Шайба

MO 37989-

1шт.

VOE 4770531

Intmd Section

PROD NO 33105

1шт.

VOE 940161

Винт шестигранник

L=45, MO 37989-

1шт.

VOE 940161

Винт шестигранник

L=45, MO 37989-

1шт.

VOE 13955523

Болт

1шт.

VOE 13955523

Болт

1шт.

VOE 190993

Шланг

L=560 SER NO 3168-

1шт.

VOE 190993

Шланг

L=560 SER NO 3168-

1шт.

10

VOE 4772168

Cover

1шт.

10

VOE 4772168

Крышка

1шт.

11

VOE 1161277

Sealant

1шт.

11

VOE 1161277

Sealant

1шт.

12

VOE 955578

Винт шестигранник

1шт.

12

VOE 955578

Болт

1шт.

13

VOE 955580

Винт шестигранник

1шт.

13

VOE 955580

Винт шестигранник

1шт.

14

VOE 955583

Винт шестигранник

1шт.

14

VOE 955583

Болт

1шт.

15

VOE 941911

Шайба пружинная

1шт.

15

VOE 941911

Шайба пружинная

1шт.

17

VOE 4804109

Inlet manifold

1шт.

18

VOE 479979

Пробка (заглушка)

1шт.

19

VOE 4787000

Resistor

MO -37988

1шт.

19

VOE 4787000

Resistor

MO -37988

1шт.

2

VOE 191171

Палец

1шт.

20

VOE 11030035

Прокладка

1шт.

20

VOE 11030035

Прокладка

1шт.

21

VOE 940161

Винт шестигранник

L=45, MO -37988

1шт.

21

VOE 940161

Винт шестигранник

L=45, MO -37988

1шт.

22

VOE 13941907

Шайба пружинная

MO -37988

1шт.

22

VOE 13941907

Шайба

MO -37988

1шт.

23

VOE 787453

Exhaust pipe

PROD NO 16100, 16106

1шт.

24

VOE 4804248

Прокладка

PROD NO 16100, 16106

1шт.

24

VOE 4804248

Прокладка

PROD NO 16100, 16106

1шт.

25

VOE 953494

Шпилька

MO -37988

1шт.

26

VOE 422217

Spacer sleeve

1шт.

26

VOE 422217

Spacer sleeve

1шт.

27

VOE 942299

Flange nut

MO -37988

1шт.

27

VOE 942299

Flange nut

MO -37988

1шт.

28

VOE 13946420

Lock nut

1шт.

28

VOE 13946420

Lock nut

1шт.

3

VOE 479954

Nipple

1шт.

3

VOE 479954

Nipple

1шт.

31

VOE 787177

Breather pipe

MO -37988

1шт.

32

VOE 778633

Прокладка

1шт.

32

VOE 778633

Прокладка

1шт.

33

VOE 7408578

Oil Catcher

1шт.

34

VOE 13940135

Болт

1шт.

34

VOE 13940135

Болт

1шт.

35

VOE 13941907

Шайба пружинная

1шт.

35

VOE 13941907

Шайба

1шт.

36

VOE 787013

Anchorage

1шт.

36

VOE 787013

Anchorage

1шт.

37

VOE 787017

Кольцо уплотнительное

1шт.

37

VOE 787017

Кольцо уплотнительное

1шт.

39

VOE 13943474

Hose clamp

1шт.

4

VOE 87502

Drain Cock

1шт.

40

VOE 190993

Шланг

L=700 SER NO -3167

1шт.

40

VOE 190993

Шланг

L=700 SER NO -3167

1шт.

41

VOE 4804167

Прокладка

1шт.

41

VOE 4804167

Прокладка

1шт.

42

VOE 955893

Шайба

1шт.

42

VOE 955893

Шайба

1шт.

43

VOE 924054

Шпилька

1шт.

43

VOE 924054

Шпилька

1шт.

44

VOE 946035

Lock nut

1шт.

44

VOE 946035

Lock nut

1шт.

45

VOE 739393

Трубка

1шт.

45

VOE 739393

Трубка

1шт.

46

VOE 471682

Прокладка

1шт.

46

VOE 471682

Прокладка

1шт.

8

VOE 4804162

Картер маховика

1шт.

8

VOE 4804162

Картер маховика

1шт.

9

VOE 4804159

Setting indicator

1шт.

9

VOE 4804159

Setting indicator

1шт.

Выбрано товаров: 97