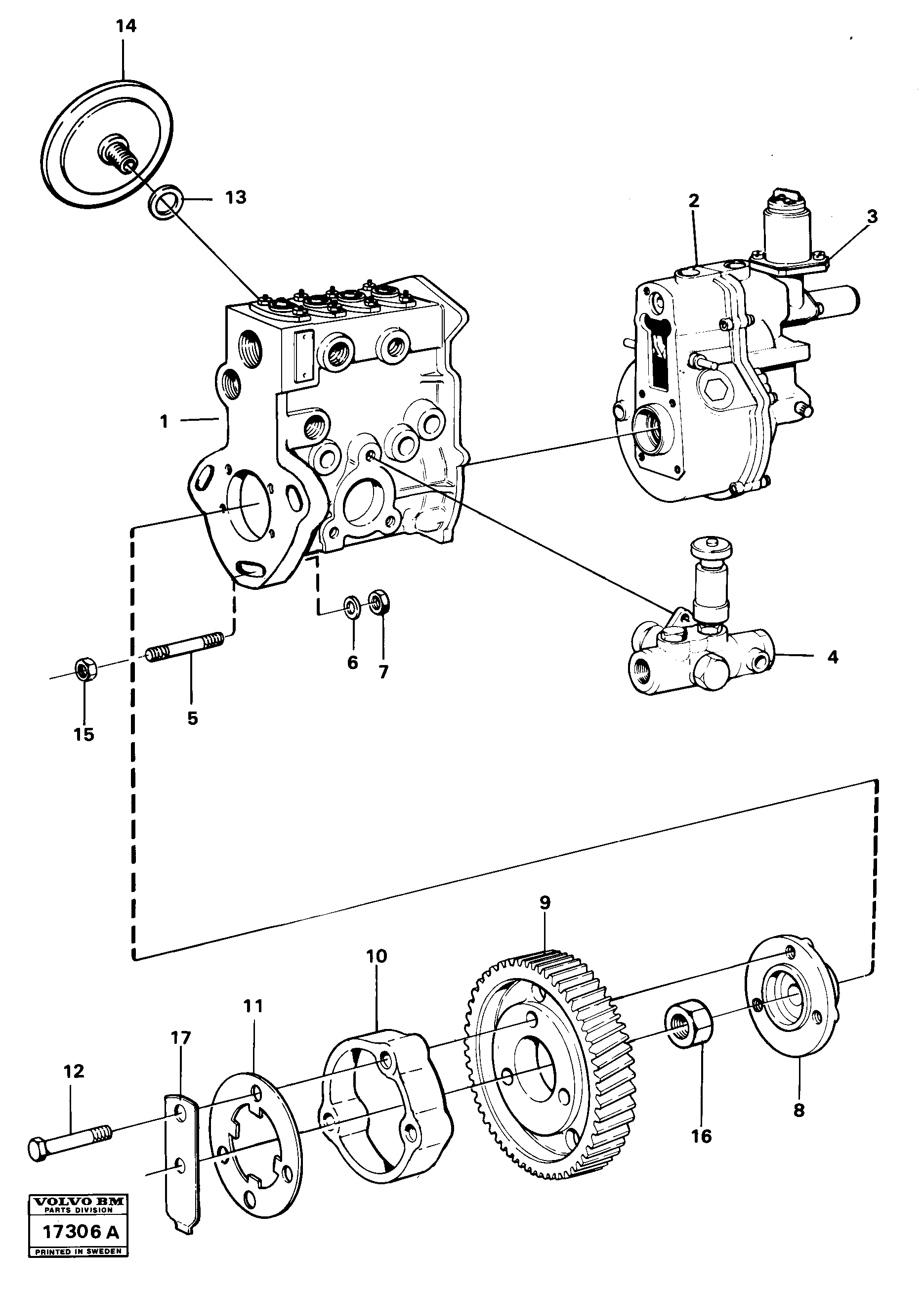
Запчасти Volvo 4300 4300 16219 Fuel injections pump withfitting parts Prod No 16307,mo 59883-

Схема запчастей Volvo 4300 4300 - 16219 Fuel injections pump withfitting parts Prod No 16307,mo 59883-
FIT
1:1
100%

Артикул

Название

Примечание

Количество

VOE 4880899

Насос

1шт.

10

VOE 11030075

Spacer Ring

1шт.

11

VOE 4804632

Стопорная шайба (кольцо)

1шт.

12

VOE 13970954

Винт шестигранник

1шт.

12

VOE 13970954

Винт шестигранник

1шт.

13

VOE 13947621

Plane Gasket

1шт.

13

VOE 13947621

Plane Gasket

1шт.

14

VOE 477173

Press Equalizer

1шт.

14

VOE 477173

Press Equalizer

1шт.

15

VOE 955835

Гайка

1шт.

15

VOE 955835

Nut

1шт.

16

VOE 955804

Hexagon Nut

1шт.

16

VOE 955804

Hexagon Nut

1шт.

3

VOE 240695

Cold Start Dvc

1шт.

4

VOE 6212643

Feed Pump

1шт.

5

VOE 953261

Шпилька

1шт.

5

VOE 953261

Шпилька

1шт.

6

VOE 13942336

Шайба пружинная

1шт.

6

VOE 13942336

Шайба пружинная

1шт.

7

VOE 13955827

Гайка

1шт.

7

VOE 13955827

Гайка

1шт.

8

VOE 4804764

Ступица

1шт.

9

VOE 4804556

Gear

1шт.

9

VOE 4804556

Gear

1шт.

Выбрано товаров: 24