Запчасти Volvo 4300 4300 26490 Fuel injection pump governor part

Схема запчастей Volvo 4300 4300 - 26490 Fuel injection pump governor part
FIT
1:1
100%

Артикул

Название

Примечание

Количество

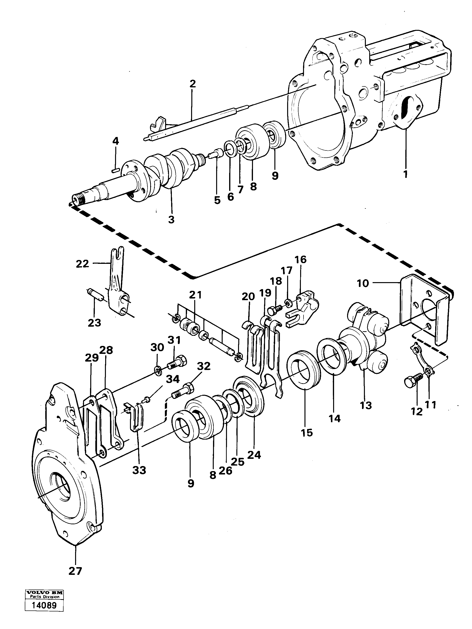
VOE 6648662

Втулка

FOR/FOR 4880090

1шт.

VOE 6643626

Пружина

FOR/FOR 4880612

1шт.

VOE 6643627

Retaining ring

FOR/FOR 4880612

1шт.

VOE 830715

Прокладка

THICK=0,61

1шт.

VOE 830717

Прокладка

THICK=0,32

1шт.

10

VOE 7480131

Тарелка клапана

1шт.

11

VOE 7480132

Стопорная шайба (кольцо)

1шт.

12

VOE 7350446

Болт

1шт.

13

VOE 7480133

Weight

1шт.

14

VOE 7480134

Thrust Bearing

1шт.

15

VOE 7480135

Socket

1шт.

16

VOE 7363577

Lever

1шт.

17

VOE 941905

Шайба пружинная

1шт.

17

VOE 941905

Шайба пружинная

1шт.

18

VOE 956542

Болт

1шт.

19

VOE 7350456

Пружина

1шт.

2

VOE 7363556

Control Rod

1шт.

20

VOE 7356532

Пружина

1шт.

21

VOE 6646564

Roller

1шт.

22

VOE 6643593

Lever

1шт.

23

VOE 6643597

Палец

1шт.

24

VOE 7350444

Шайба

1шт.

25

VOE 7480127

Прокладка

THICK=0,2

1шт.

26

VOE 7480126

Прокладка

THICK=0,1

1шт.

27

VOE 7363571

Clutch Ring

1шт.

28

VOE 7356538

Вставка

1шт.

29

VOE 830716

Прокладка

THICK=0,15

1шт.

3

VOE 7363561

Распредвал

1шт.

30

VOE 941905

Шайба пружинная

1шт.

30

VOE 941905

Шайба пружинная

1шт.

32

VOE 956540

Болт

1шт.

33

VOE 7363572

Пружина

1шт.

34

VOE 950883

Drive Screw

1шт.

4

VOE 918085

Палец

1шт.

5

VOE 6645226

Палец

1шт.

6

VOE 7480127

Прокладка

THICK=0,2

1шт.

7

VOE 7480126

Прокладка

THICK=0,1

1шт.

8

VOE 6646678

Подшипник

1шт.

9

VOE 7019946

Кольцо

1шт.

Выбрано товаров: 39