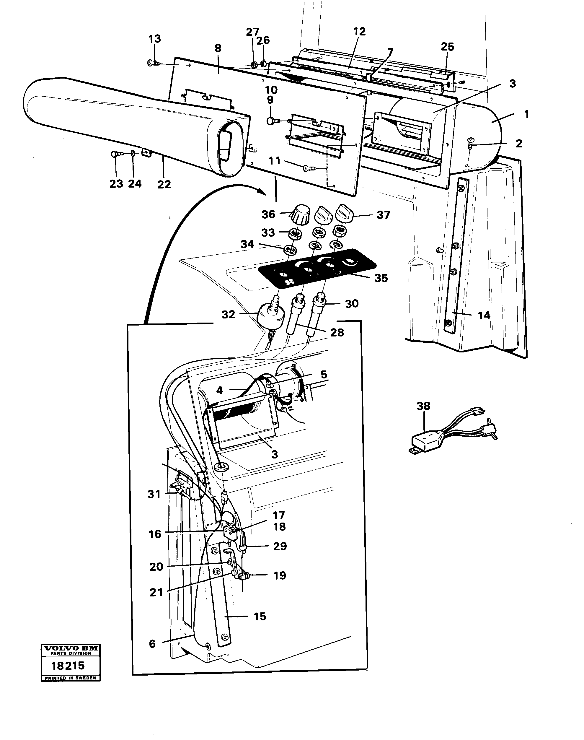
Запчасти Volvo 4300B 4300B 2081 Controls

Схема запчастей Volvo 4300B 4300B - 2081 Controls
FIT
1:1
100%

Артикул

Название

Примечание

Количество

10

VOE 955892

Шайба

1шт.

10

VOE 955892

Шайба

1шт.

11

VOE 955172

Cross recessed sunk screw

1шт.

11

VOE 955172

Cross recessed sunk screw

1шт.

13

VOE 955172

Cross recessed sunk screw

1шт.

13

VOE 955172

Cross recessed sunk screw

1шт.

16

VOE 4787427

Microswitch

1шт.

16

VOE 4787427

Microswitch

1шт.

17

VOE 955796

Hexagon nut

1шт.

18

VOE 956049

Cross recessed screw

1шт.

19

VOE 956076

Cross recessed screw

1шт.

19

VOE 956076

Cross recessed screw

1шт.

2

VOE 943617

Cross recessed screw

1шт.

2

VOE 943617

Cross recessed screw

1шт.

22

VOE 4778248

Distribution housing

1шт.

23

VOE 956092

Cross recessed screw

1шт.

23

VOE 956092

Cross recessed screw

1шт.

24

VOE 955892

Шайба

1шт.

24

VOE 955892

Шайба

1шт.

26

VOE 955892

Шайба

1шт.

26

VOE 955892

Шайба

1шт.

27

VOE 13955781

Гайка

1шт.

27

VOE 13955781

Гайка

1шт.

28

VOE 4955114

Control

1шт.

29

VOE 1211599

Скоба (хомут)

1шт.

29

VOE 1211599

Скоба (хомут)

1шт.

30

VOE 4955115

Control

1шт.

31

VOE 1211599

Скоба (хомут)

1шт.

31

VOE 1211599

Скоба (хомут)

1шт.

32

VOE 1210190

1210190

1шт.

33

VOE 1212859

Гайка

1шт.

34

VOE 13940109

Lock washer

1шт.

34

VOE 13940109

Стопорная шайба (кольцо)

1шт.

35

VOE 4955167

Decal

1шт.

35

VOE 4955167

Decal

1шт.

36

VOE 1215134

Knob

1шт.

37

VOE 1504583

Knob

1шт.

37

VOE 1504583

Knob

1шт.

38

VOE 4948790

Suppression filter

1шт.

38

VOE 4948790

Suppression filter

1шт.

4

VOE 4803597

4803597

1шт.

5

VOE 13948995

Pin housing

1шт.

5

VOE 13948995

Pin housing

1шт.

6

VOE 4937444

Cable harness

1шт.

9

VOE 955269

Винт шестигранник

1шт.

9

VOE 955269

Винт шестигранник

1шт.

Выбрано товаров: 46