Запчасти Volvo 4300B 4300B 17392 Alternator

Схема запчастей Volvo 4300B 4300B - 17392 Alternator
FIT
1:1
100%

Артикул

Название

Примечание

Количество

VOE 4803545

Alternator

ERS. AV 4803774

1шт.

VOE 4803545

Alternator

ERS. AV 4803774

1шт.

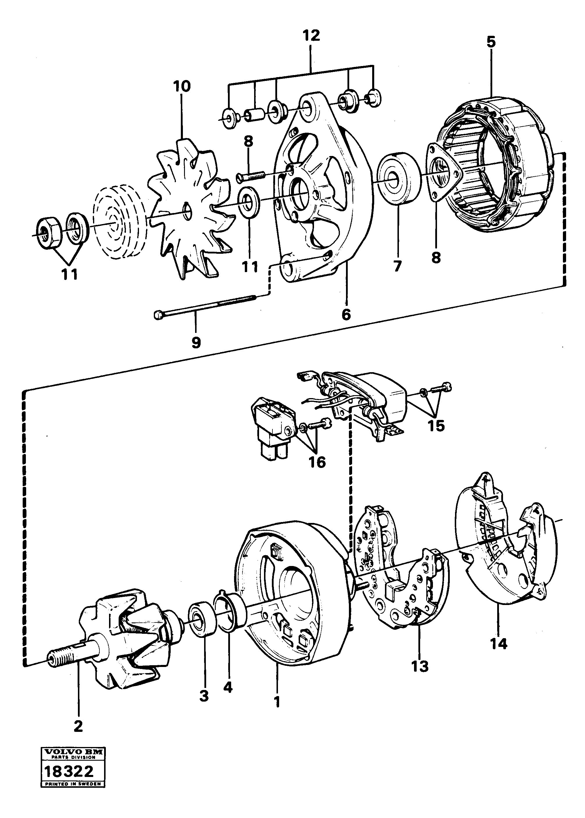
1

VOE 6212853

Картер (корпус)

1шт.

10

VOE 6212848

Вентилятор

1шт.

10

VOE 6212848

Вентилятор

1шт.

11

VOE 6212847

Nut Set

1шт.

12

VOE 840634

Vib Damper

1шт.

13

VOE 873817

Diode Bridge

1шт.

13

VOE 873817

Diode Bridge

1шт.

15

VOE 872023

Regulator

1шт.

16

VOE 840632

Brush Retainer

1шт.

16

VOE 840632

Brush Retainer

1шт.

2

VOE 864347

Rotor

1шт.

2

VOE 864347

Rotor

1шт.

3

VOE 181798

Ball Bearing

1шт.

3

VOE 181798

Ball Bearing

1шт.

5

VOE 6212846

Stator

1шт.

6

VOE 6212849

Картер (корпус)

1шт.

7

VOE 864350

Ball Bearing

1шт.

7

VOE 864350

Ball Bearing

1шт.

8

VOE 6212851

Small Parts Kit

1шт.

9

VOE 6212852

Комплект винтов

1шт.

9

VOE 6212852

Комплект винтов

1шт.

Выбрано товаров: 23