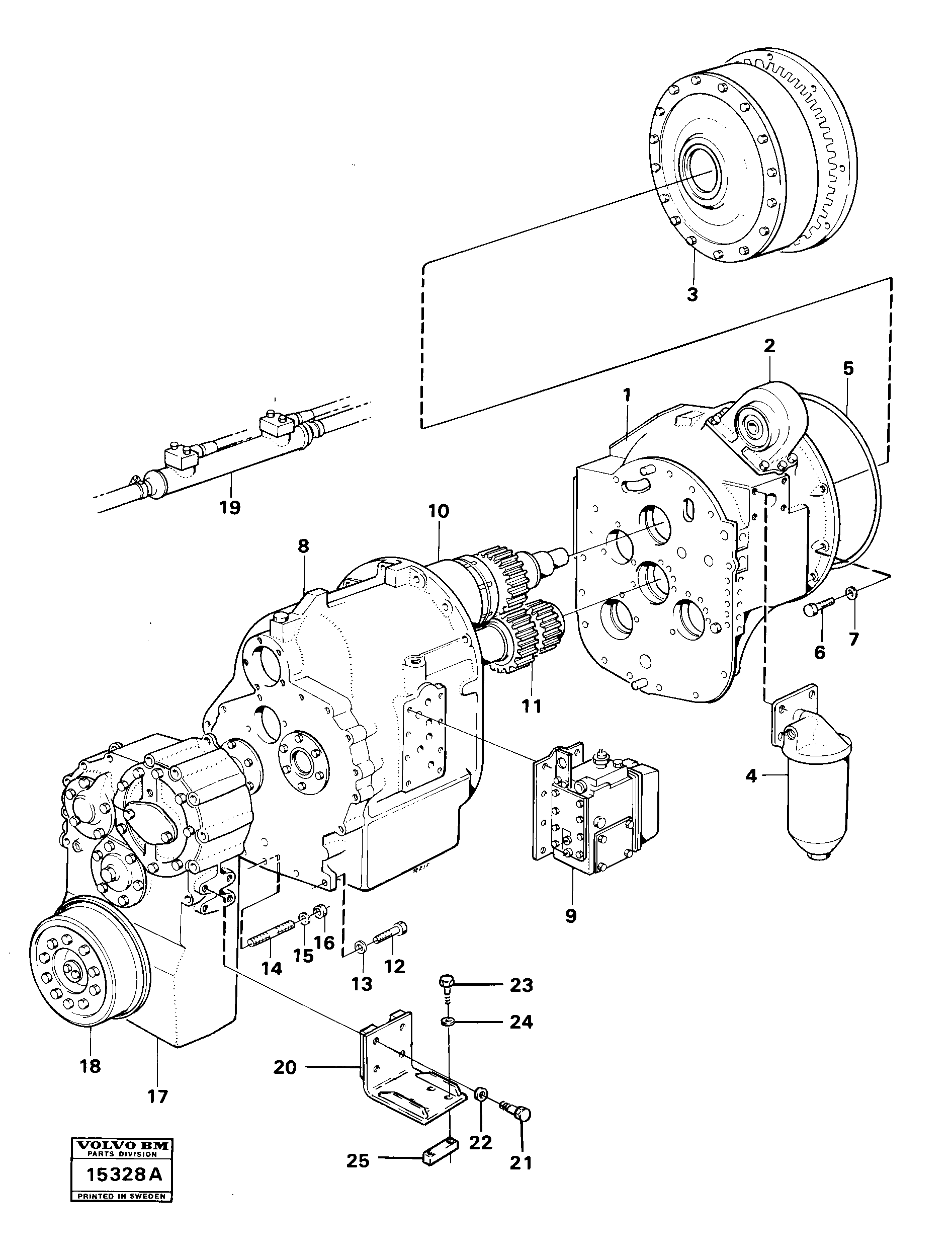
Запчасти Volvo 4300B 4300B 1182 Hydraulic transmission with fitting parts

Схема запчастей Volvo 4300B 4300B - 1182 Hydraulic transmission with fitting parts
FIT
1:1
100%

Артикул

Название

Примечание

Количество

VOE 950588

Палец

1шт.

VOE 6630972

Gasket kit

1шт.

12

VOE 13970973

Винт шестигранник

1шт.

12

VOE 13970973

Винт шестигранник

1шт.

13

VOE 940280

Шайба пружинная

1шт.

13

VOE 940280

Шайба пружинная

1шт.

14

VOE 924101

Шпилька

1шт.

15

VOE 940280

Шайба пружинная

1шт.

15

VOE 940280

Шайба пружинная

1шт.

16

VOE 13971072

Hexagon nut

1шт.

16

VOE 13971072

Hexagon nut

1шт.

20

VOE 4850250

Anchorage

1шт.

20

VOE 4850250

Anchorage

1шт.

21

VOE 13955370

Болт

1шт.

21

VOE 13955370

Болт

1шт.

22

VOE 13955900

Шайба

1шт.

22

VOE 13955900

Шайба

1шт.

23

VOE 13955366

Болт

1шт.

23

VOE 13955366

Болт

1шт.

24

VOE 13955900

Шайба

1шт.

24

VOE 13955900

Шайба

1шт.

25

VOE 4954833

Nut plate

1шт.

25

VOE 4954833

Пластина

1шт.

5

VOE 926101

Кольцо уплотнительное (О-кольцо)

1шт.

5

VOE 926101

Кольцо уплотнительное (О-кольцо)

1шт.

6

VOE 955563

Винт шестигранник

1шт.

6

VOE 955563

Винт шестигранник

1шт.

7

VOE 940280

Шайба пружинная

1шт.

7

VOE 940280

Шайба пружинная

1шт.

Выбрано товаров: 29