Запчасти Volvo 4300B 4300B 18685 Differential lock

Схема запчастей Volvo 4300B 4300B - 18685 Differential lock
FIT
1:1
100%

Артикул

Название

Примечание

Количество

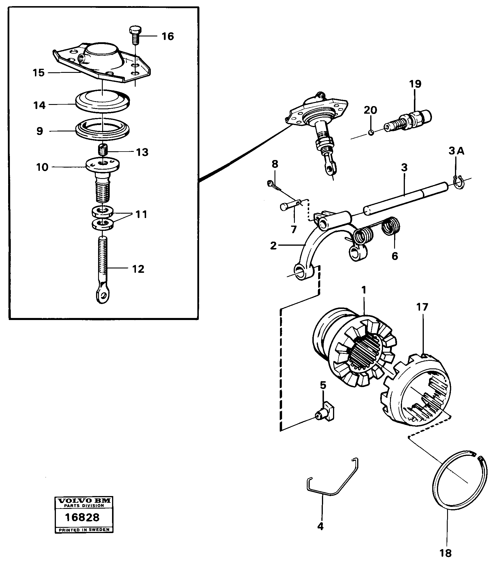
1

VOE 4717236

Comp Flange

1шт.

10

VOE 4717410

Поршень

1шт.

11

VOE 13963935

Гайка

1шт.

12

VOE 4717409

Тяга поворотная

1шт.

13

VOE 4869287

Болт

1шт.

13

VOE 4869287

Болт

1шт.

14

VOE 383972

Diaphragm

1шт.

14

VOE 383972

Diaphragm

1шт.

15

VOE 11034637

Крышка

1шт.

15

VOE 11034637

Cap

1шт.

16

VOE 955269

Винт шестигранник

1шт.

16

VOE 955269

Винт шестигранник

1шт.

17

VOE 4717235

Comp Flange

1шт.

18

VOE 4717431

Retaining ring

1шт.

19

VOE 4880200

Contact

1шт.

2

VOE 4717413

Shift Yoke

1шт.

20

VOE 183801

Ball

1шт.

20

VOE 183801

Ball

1шт.

3

VOE 4717411

Вал

1шт.

3A

VOE 914448

Кольцо стопорное

1шт.

3A

VOE 914448

Snap Ring

1шт.

4

VOE 4717303

Brace

1шт.

5

VOE 4717302

Палец

1шт.

6

VOE 4717412

Return Spring

1шт.

7

VOE 13964846

Болт

1шт.

7

VOE 13964846

Bolt

1шт.

8

VOE 907822

Cotter Pin

1шт.

9

VOE 1523085

Seat

1шт.

9

VOE 1523085

Seat

1шт.

Выбрано товаров: 0