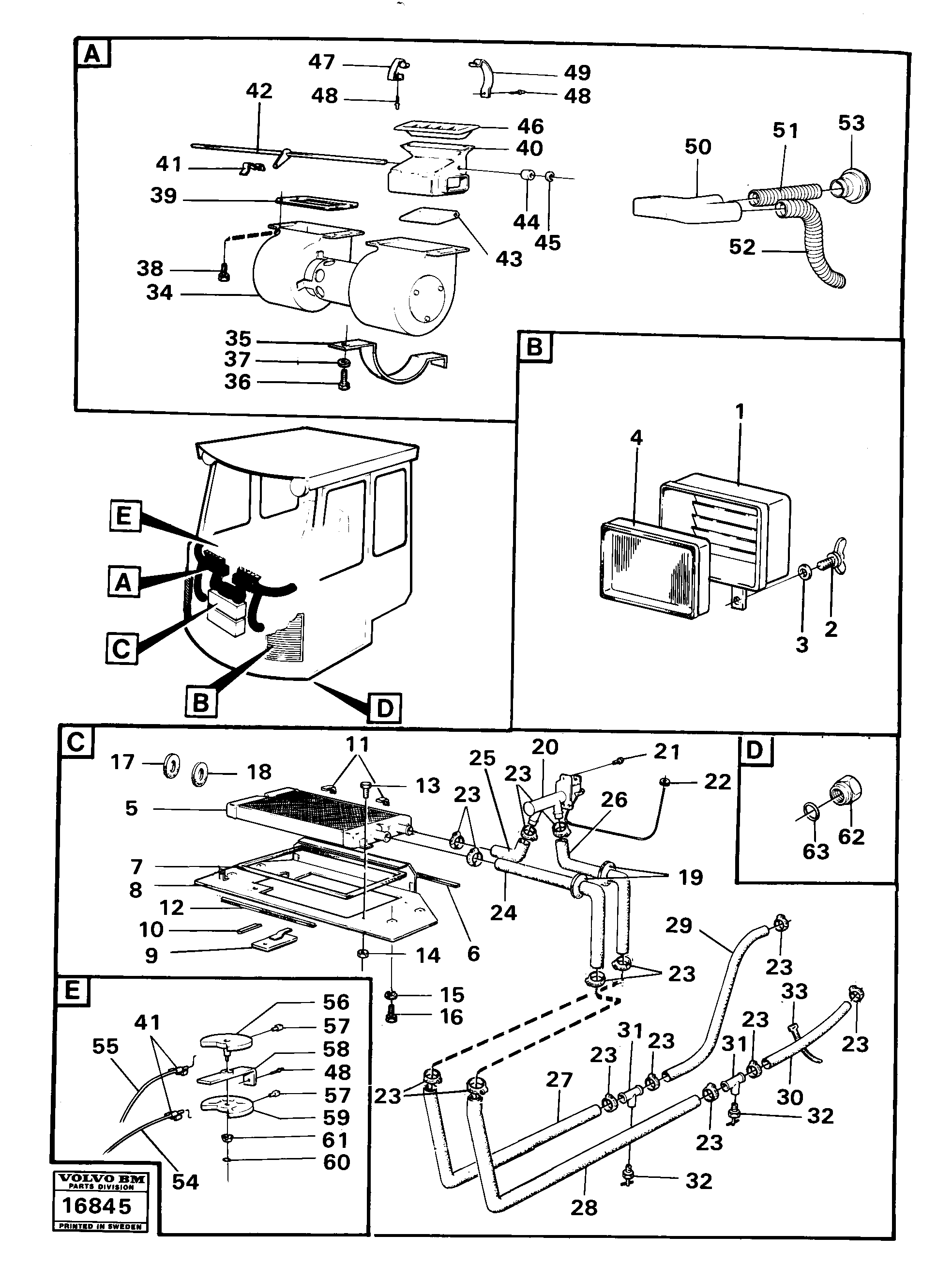
Запчасти Volvo 4400 4400 81613 Heating system 33201 hytt nr 2706-4517 33202 Hytt Nr 2685-10928

Схема запчастей Volvo 4400 4400 - 81613 Heating system 33201 hytt nr 2706-4517 33202 Hytt Nr 2685-10928
FIT
1:1
100%

Артикул

Название

Примечание

Количество

VOE 4770482

Dfr Outlet

V

1шт.

VOE 925058

Кольцо уплотнительное (О-кольцо)

1шт.

VOE 925058

Кольцо уплотнительное (О-кольцо)

1шт.

VOE 4770555

Blind nut

1шт.

1

VOE 1573059

Filter retainer

1шт.

10

VOE 762681

Rubber moulding

L=1000

1шт.

10

VOE 762681

Rubber moulding

L=1000

1шт.

11

VOE 4785641

Rubber moulding

L=2X35

1шт.

11

VOE 4785641

Rubber moulding

L=2X35

1шт.

12

VOE 4785415

4785415

L=2X180

1шт.

13

VOE 13955271

Болт

1шт.

13

VOE 13955271

Болт

1шт.

14

VOE 13955781

Гайка

1шт.

14

VOE 13955781

Гайка

1шт.

15

VOE 960139

Шайба

1шт.

15

VOE 960139

Шайба

1шт.

16

VOE 955268

Винт шестигранник

1шт.

16

VOE 955268

Винт шестигранник

1шт.

17

VOE 961970

Пробка (заглушка)

1шт.

17

VOE 961970

Пробка (заглушка)

1шт.

18

VOE 943920

Пробка (заглушка)

1шт.

18

VOE 943920

Пробка (заглушка)

1шт.

19

VOE 13961962

Protecting bushing

1шт.

19

VOE 13961962

Protecting bushing

1шт.

2

VOE 13965036

Wing screw

1шт.

20

VOE 4774825

Volume control valve

1шт.

21

VOE 955137

Cross recessed screw

1шт.

21

VOE 955137

Cross recessed screw

1шт.

22

VOE 941262

Уплотнительная втулка

1шт.

22

VOE 941262

Уплотнительная втулка

1шт.

23

VOE 13943472

Hose clamp

1шт.

24

VOE 943368

Шланг

L=450

1шт.

24

VOE 943368

Шланг

L=450

1шт.

25

VOE 943368

Шланг

L=750

1шт.

25

VOE 943368

Шланг

L=750

1шт.

26

VOE 943368

Шланг

L=230

1шт.

26

VOE 943368

Шланг

L=230

1шт.

27

VOE 943368

Шланг

L=2480

1шт.

27

VOE 943368

Шланг

L=2480

1шт.

28

VOE 943368

Шланг

L=2400

1шт.

28

VOE 943368

Шланг

L=2400

1шт.

29

VOE 943368

Шланг

L = 1160

1шт.

29

VOE 943368

Шланг

L = 1160

1шт.

3

VOE 925736

Шайба

1шт.

3

VOE 925736

Шайба

1шт.

30

VOE 943368

Шланг

L = 970

1шт.

30

VOE 943368

Шланг

L = 970

1шт.

31

VOE 7416063

Intermediate pipe

1шт.

32

VOE 7082744

Drain cock

1шт.

32

VOE 7082744

Drain cock

1шт.

33

VOE 4881440

Cable tie

1шт.

33

VOE 4881440

Cable tie

1шт.

34

VOE 4803185

Вентилятор

1шт.

35

VOE 4932198

Зажим

1шт.

35

VOE 4932198

Кронштейн

1шт.

36

VOE 955297

Винт шестигранник

1шт.

36

VOE 955297

Винт шестигранник

1шт.

37

VOE 13955894

Шайба

1шт.

37

VOE 13955894

Шайба

1шт.

38

VOE 4095522

Пробка (заглушка)

1шт.

39

VOE 4770831

Прокладка

1шт.

4

VOE 11005897

Фильтр воздушный

1шт.

40

VOE 4770481

Dfr Outlet

H

1шт.

41

VOE 1211599

Скоба (хомут)

1шт.

41

VOE 1211599

Скоба (хомут)

1шт.

42

VOE 4770553

Shutter shaft

1шт.

44

VOE 364225

Втулка

1шт.

44

VOE 364225

Втулка

1шт.

45

VOE 191695

Тарелка клапана

1шт.

45

VOE 191695

Тарелка клапана

1шт.

46

VOE 686195

Frame

1шт.

46

VOE 686195

Frame

1шт.

47

VOE 4770491

Пружина

1шт.

48

VOE 942184

Blind rivet

1шт.

48

VOE 942184

Blind rivet

1шт.

49

VOE 11005773

Elbow

1шт.

49

VOE 11005773

Elbow

1шт.

5

VOE 4771307

Радиатор

1шт.

5

VOE 4771307

Радиатор

1шт.

50

VOE 4955003

Трубка

1шт.

50

VOE 4955003

Трубка

1шт.

51

VOE 4850665

Corrugated hose

L=2X265

1шт.

51

VOE 4850665

Corrugated hose

L=2X265

1шт.

52

VOE 4850665

Corrugated hose

L=2X660

1шт.

52

VOE 4850665

Corrugated hose

L=2X660

1шт.

53

VOE 4786855

Nozzle

1шт.

53

VOE 4786855

Nozzle

1шт.

54

VOE 4945757

Control wire

1шт.

54

VOE 4945757

Control wire

1шт.

55

VOE 4770489

Control wire

1шт.

56

VOE 1211661

Wheel

1шт.

56

VOE 1211661

Wheel

1шт.

57

VOE 11000248

Button

1шт.

57

VOE 11000248

Button

1шт.

58

VOE 4770488

4770488

1шт.

59

VOE 4771362

Knob

1шт.

6

VOE 4785641

Rubber moulding

L=500

1шт.

6

VOE 4785641

Rubber moulding

L=500

1шт.

60

VOE 676522

Шайба пружинная

1шт.

60

VOE 676522

Шайба пружинная

1шт.

61

VOE 943407

Тарелка клапана

1шт.

61

VOE 943407

Тарелка клапана

1шт.

62

VOE 4770554

Blind nut

1шт.

63

VOE 925055

Кольцо уплотнительное (О-кольцо)

1шт.

63

VOE 925055

Кольцо уплотнительное (О-кольцо)

1шт.

7

VOE 4785641

Rubber moulding

L=1000

1шт.

7

VOE 4785641

Rubber moulding

L=1000

1шт.

Выбрано товаров: 107