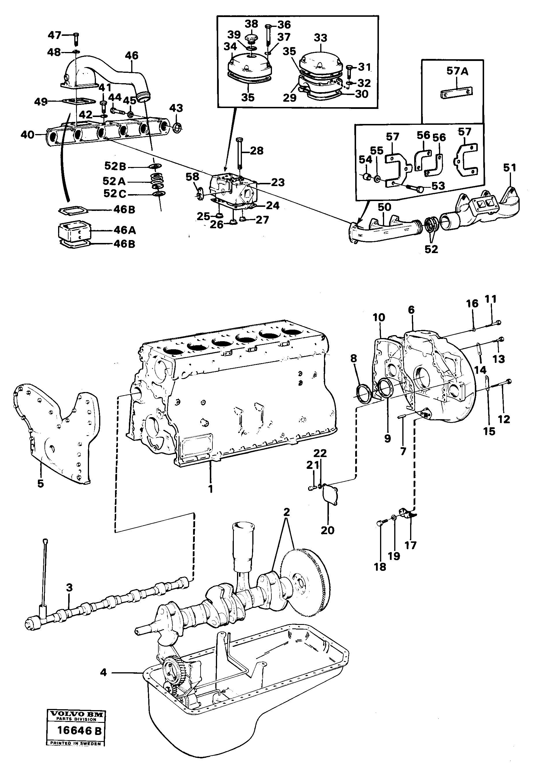
Запчасти Volvo 4600 4600 100783 Engine with fitting parts

Схема запчастей Volvo 4600 4600 - 100783 Engine with fitting parts
FIT
1:1
100%

Артикул

Название

Примечание

Количество

VOE 940161

Винт шестигранник

L=45

1шт.

VOE 940161

Винт шестигранник

L=45

1шт.

VOE 955526

Болт

L=51

1шт.

VOE 955526

Винт шестигранник

L=51

1шт.

VOE 849416

Картер маховика

1шт.

VOE 275752

Gasket kit

1шт.

VOE 424693

Прокладка

1шт.

VOE 424693

Прокладка

1шт.

VOE 275530

Gasket kit

1шт.

VOE 276035

Gasket kit

1шт.

VOE 276035

Gasket kit

1шт.

VOE 955529

Винт шестигранник

L=76

1шт.

VOE 955529

Винт шестигранник

L=76

1шт.

VOE 417649

Sign

1шт.

VOE 417649

Sign

1шт.

VOE 955532

Винт шестигранник

1шт.

VOE 955532

Болт

1шт.

VOE 1545323

Exhaust pipe

1шт.

VOE 270958

Gasket kit

1шт.

VOE 11990076

Gasket kit

1шт.

VOE 7061822

Пробка (заглушка)

1шт.

VOE 7061822

Пробка (заглушка)

1шт.

VOE 1545048

Inlet Pipe

1шт.

VOE 1545169

Трубка

1шт.

VOE 424694

Прокладка

1шт.

VOE 424694

Прокладка

1шт.

VOE 955531

Винт шестигранник

L=89

1шт.

VOE 955531

Болт

L=89

1шт.

VOE 13949886

Болт

L=108

1шт.

VOE 1545028

Exhaust pipe

1шт.

VOE 270789

Gasket kit

1шт.

VOE 270789

Gasket kit

1шт.

VOE 13955527

Болт

L=57

1шт.

VOE 13955527

Болт

L=57

1шт.

VOE 467895

Inlet Pipe

MO133118-

1шт.

VOE 275748

Sealing kit

1шт.

VOE 275748

Sealing kit

1шт.

VOE 422086

Болт

1шт.

VOE 422086

Болт

1шт.

VOE 469431

Крышка

1шт.

VOE 469431

Крышка

1шт.

VOE 6630837

Ремкомплект

/6630776/

1шт.

VOE 469432

Крышка

1шт.

VOE 469432

Крышка

1шт.

10

VOE 424621

Прокладка

1шт.

10

VOE 424621

Прокладка

1шт.

11

VOE 955582

Винт шестигранник

1шт.

11

VOE 955582

Винт шестигранник

1шт.

12

VOE 955587

Винт шестигранник

1шт.

12

VOE 955587

Болт

1шт.

13

VOE 955580

Винт шестигранник

1шт.

13

VOE 955580

Винт шестигранник

1шт.

14

VOE 941464

Tab washer

1шт.

14

VOE 941464

Tab washer

1шт.

15

VOE 941465

Tab washer

1шт.

15

VOE 941465

Tab washer

1шт.

16

VOE 941911

Шайба пружинная

1шт.

16

VOE 941911

Шайба пружинная

1шт.

17

VOE 417429

Breather cap

1шт.

18

VOE 940100

Винт шестигранник

1шт.

18

VOE 940100

Винт шестигранник

1шт.

19

VOE 13941906

Шайба

1шт.

19

VOE 13941906

Шайба

1шт.

20

VOE 423081

Seal flange

1шт.

20

VOE 423081

Seal flange

1шт.

21

VOE 13940114

Болт

1шт.

21

VOE 13940114

Болт

1шт.

22

VOE 13942336

Шайба пружинная

1шт.

22

VOE 13942336

Шайба пружинная

1шт.

24

VOE 275551

Gasket kit

1шт.

25

VOE 422415

Кольцо уплотнительное

D=18

1шт.

25

VOE 422415

Кольцо уплотнительное

D=18

1шт.

26

VOE 422414

Кольцо уплотнительное

D=32

1шт.

26

VOE 422414

Кольцо уплотнительное

D=32

1шт.

27

VOE 422413

Кольцо уплотнительное

D=11

1шт.

27

VOE 422413

Кольцо уплотнительное

D=11

1шт.

28

VOE 422086

Болт

1шт.

28

VOE 422086

Болт

1шт.

29

VOE 7423142

Крышка

1шт.

30

VOE 423145

Прокладка

1шт.

31

VOE 13940159

Болт

1шт.

31

VOE 13940159

Болт

1шт.

32

VOE 13955894

Шайба

1шт.

32

VOE 13955894

Шайба

1шт.

33

VOE 7423143

Крышка

1шт.

34

VOE 7423144

Крышка

1шт.

35

VOE 423146

Прокладка

1шт.

36

VOE 955530

Винт шестигранник

1шт.

36

VOE 955530

Болт

1шт.

37

VOE 13941907

Шайба пружинная

1шт.

37

VOE 13941907

Шайба

1шт.

38

VOE 421753

Filler cap

1шт.

38

VOE 421753

Filler cap

1шт.

39

VOE 1275379

Прокладка

1шт.

39

VOE 1275379

Прокладка

1шт.

40

VOE 467895

Inlet Pipe

MO-133117

1шт.

41

VOE 940113

Болт

1шт.

41

VOE 940113

Винт шестигранник

1шт.

42

VOE 957171

Прокладка

1шт.

42

VOE 957171

Gasket

1шт.

43

VOE 469829

Кольцо уплотнительное

1шт.

43

VOE 469829

Кольцо уплотнительное

1шт.

44

VOE 955533

Болт

L=102

1шт.

44

VOE 955533

Винт шестигранник

L=102

1шт.

45

VOE 13955894

Шайба

1шт.

45

VOE 13955894

Шайба

1шт.

46

VOE 467889

Connecting pipe

1шт.

46A

VOE 470211

Intmd Section

1шт.

46B

VOE 424618

Прокладка

1шт.

46B

VOE 424618

Прокладка

1шт.

47

VOE 13940159

Болт

1шт.

47

VOE 13940159

Болт

1шт.

48

VOE 13941907

Шайба пружинная

1шт.

48

VOE 13941907

Шайба

1шт.

49

VOE 424616

Прокладка

1шт.

50

VOE 467552

Exhaust pipe

1шт.

51

VOE 1545346

Exhaust pipe

1шт.

52

VOE 422057

Сальник

1шт.

52A

VOE 469510

Трубка

1шт.

52B

VOE 469508

Кольцо уплотнительное

1шт.

52B

VOE 469508

Кольцо уплотнительное

1шт.

52C

VOE 469509

Кольцо уплотнительное

1шт.

52C

VOE 469509

Кольцо уплотнительное

1шт.

53

VOE 945698

Болт

1шт.

54

VOE 422217

Spacer sleeve

1шт.

54

VOE 422217

Spacer sleeve

1шт.

55

VOE 941744

Шайба

1шт.

55

VOE 941744

Шайба

1шт.

56

VOE 467331

Стопорная шайба (кольцо)

1шт.

57

VOE 467507

Tab washer

1шт.

57A

VOE 13966717

Tab washer

1шт.

58

VOE 479260

Прокладка

1шт.

58

VOE 479260

Прокладка

1шт.

6

VOE 821791

Картер маховика

1шт.

8

VOE 20441697

Crankshaft Seal

1шт.

Выбрано товаров: 0