Запчасти Volvo 4600 4600 16413 Gear box

Схема запчастей Volvo 4600 4600 - 16413 Gear box
FIT
1:1
100%

Артикул

Название

Примечание

Количество

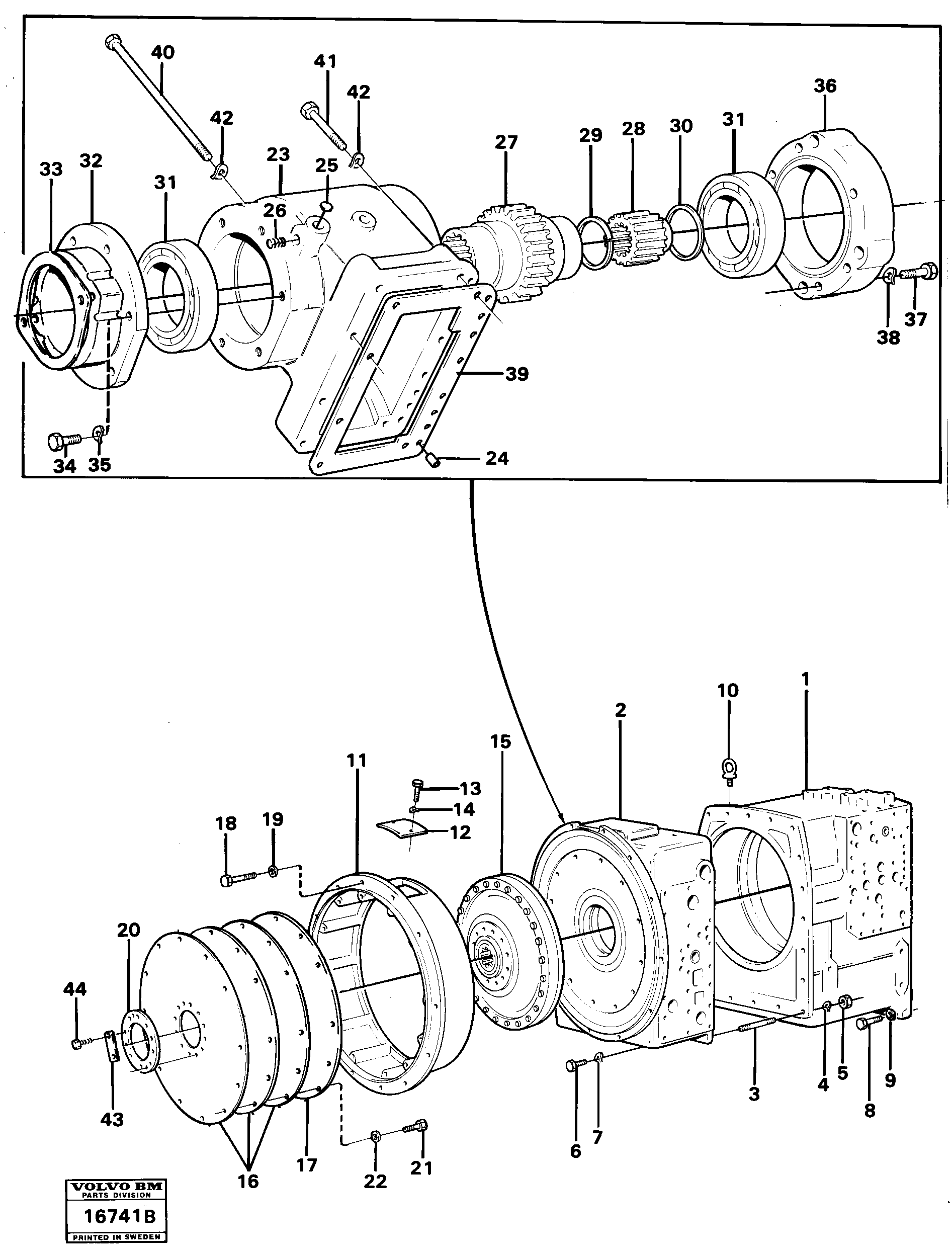
VOE 4880005

Transmission unit

STD SER NO - 1255

1шт.

VOE 4881017

Коробка передач (КПП, трансмиссия)

STD SER NO 1256-

1шт.

VOE 6630698

Gasket Kit

1шт.

VOE 6640852

Вставка

THICK=0,3

1шт.

VOE 955297

Винт шестигранник

L=25

1шт.

VOE 955297

Винт шестигранник

L=25

1шт.

VOE 4881016

Коробка передач (КПП, трансмиссия)

1шт.

10

VOE 926044

Lifting eye

1шт.

11

VOE 6210783

Intmd Housing

1шт.

12

VOE 6210784

Striker Plate

1шт.

13

VOE 940199

Винт шестигранник

1шт.

13

VOE 940199

Винт шестигранник

1шт.

14

VOE 13941907

Шайба пружинная

1шт.

14

VOE 13941907

Шайба

1шт.

16

VOE 6633533

Driving Disc

1шт.

17

VOE 6210786

Driving Disc

1шт.

18

VOE 13970948

Винт шестигранник

1шт.

18

VOE 13970948

Винт шестигранник

1шт.

19

VOE 941908

Шайба пружинная

1шт.

19

VOE 941908

Шайба пружинная

1шт.

20

VOE 6633534

Кольцо

1шт.

21

VOE 13940162

Болт

HT - 9892

1шт.

21

VOE 13940162

Болт

HT - 9892

1шт.

22

VOE 13940097

Шайба

HT - 9892

1шт.

22

VOE 13940097

Шайба

HT - 9892

1шт.

24

VOE 6640550

Палец

1шт.

25

VOE 6634891

Шайба

1шт.

26

VOE 13962932

Болт

1шт.

26

VOE 13962932

Болт

1шт.

27

VOE 6648539

Вал

1шт.

28

VOE 6640552

Comp Flange

1шт.

29

VOE 914528

Кольцо стопорное

1шт.

29

VOE 914528

Snap Ring

1шт.

3

VOE 6633353

Шпилька

1шт.

30

VOE 6634783

Lock Ring

1шт.

31

VOE 6633417

Подшипник

1шт.

32

VOE 6211808

Фланец

1шт.

33

VOE 6211809

Прокладка

1шт.

34

VOE 959221

Allen Hd Screw

1шт.

35

VOE 6639815

Шайба

1шт.

36

VOE 6211810

Фланец

1шт.

37

VOE 959223

Allen Hd Screw

1шт.

38

VOE 6639815

Шайба

1шт.

39

VOE 6640851

Вставка

THICK=0,2

1шт.

4

VOE 941908

Шайба пружинная

1шт.

4

VOE 941908

Шайба пружинная

1шт.

40

VOE 6633328

Болт

1шт.

41

VOE 13955298

Болт

L=40

1шт.

41

VOE 13955298

Болт

L=40

1шт.

42

VOE 13941907

Шайба пружинная

1шт.

42

VOE 13941907

Шайба

1шт.

43

VOE 6633394

Стопорная шайба (кольцо)

1шт.

44

VOE 13970949

Винт шестигранник

1шт.

44

VOE 13970949

Винт шестигранник

1шт.

5

VOE 971071

Hexagon Nut

1шт.

5

VOE 971071

Hexagon Nut

1шт.

6

VOE 13970948

Винт шестигранник

1шт.

6

VOE 13970948

Винт шестигранник

1шт.

7

VOE 941908

Шайба пружинная

1шт.

7

VOE 941908

Шайба пружинная

1шт.

8

VOE 13970949

Винт шестигранник

1шт.

8

VOE 13970949

Винт шестигранник

1шт.

9

VOE 941908

Шайба пружинная

1шт.

9

VOE 941908

Шайба пружинная

1шт.

Выбрано товаров: 64