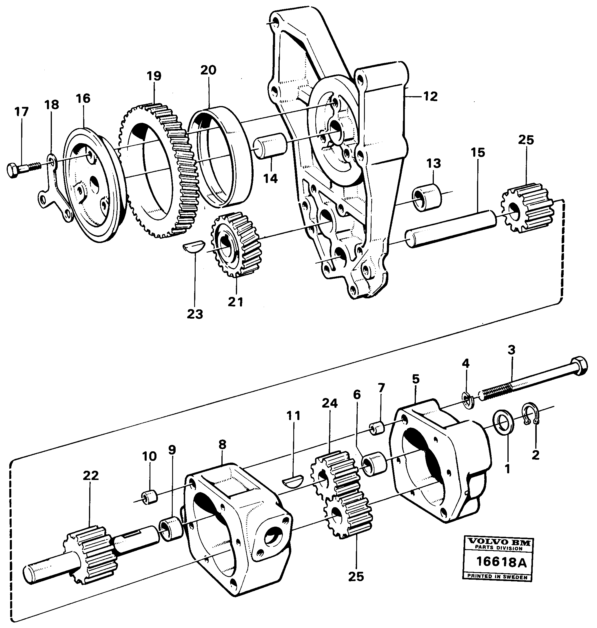
Запчасти Volvo 4600B 4600B 97975 Насос масляный

Схема запчастей Volvo 4600B 4600B - 97975 Насос масляный
FIT
1:1
100%

Артикул

Название

Примечание

Количество

VOE 821120

Насос масляный

1шт.

1

VOE 424133

Шайба упорная

1шт.

10

VOE 401146

Guide sleeve

1шт.

11

VOE 422329

Key

1шт.

12

VOE 422134

422134

1шт.

13

VOE 470234

Втулка

1шт.

14

VOE 191171

Палец

1шт.

15

VOE 821138

Pivot Pin

1шт.

16

VOE 422313

Bearing sleeve

1шт.

17

VOE 940186

Винт шестигранник

1шт.

17

VOE 940186

Винт шестигранник

1шт.

18

VOE 422315

Стопорная шайба (кольцо)

1шт.

19

VOE 422047

Промежуточная шестерня

1шт.

2

VOE 914450

Retaining ring

1шт.

2

VOE 914450

Кольцо стопорное

1шт.

20

VOE 422314

Втулка

1шт.

21

VOE 422043

Drive Gear

1шт.

22

VOE 824239

Вал

1шт.

23

VOE 910115

Woodruff key

1шт.

23

VOE 910115

Woodruff key

1шт.

24

VOE 424029

Gear

1шт.

25

VOE 425183

Gear

1шт.

3

VOE 192546

Болт

1шт.

4

VOE 13941907

Шайба пружинная

1шт.

4

VOE 13941907

Шайба

1шт.

5

VOE 421040

Картер (корпус)

1шт.

6

VOE 470234

Втулка

1шт.

7

VOE 401146

Guide sleeve

1шт.

8

VOE 469350

Картер (корпус)

1шт.

9

VOE 941683

Втулка

1шт.

Выбрано товаров: 30