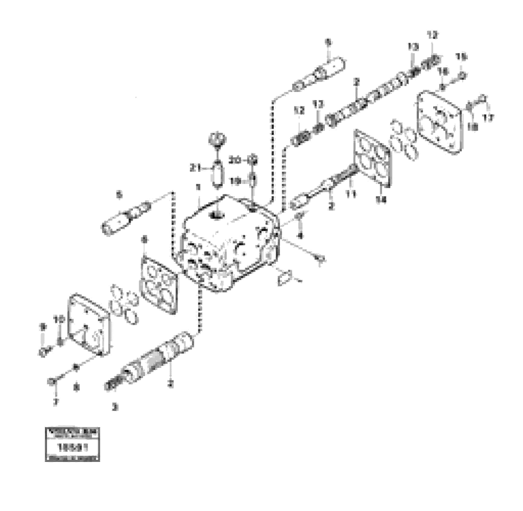
Запчасти Volvo 4600B 4600B 18986 Valve section

Схема запчастей Volvo 4600B 4600B - 18986 Valve section
FIT
1:1
100%

Артикул

Название

Примечание

Количество

VOE 4881220

Клапан

1шт.

VOE 6213482

Sealing Kit

1шт.

10

VOE 940280

Шайба пружинная

1шт.

10

VOE 940280

Шайба пружинная

1шт.

11

VOE 6213477

Пружина

1шт.

12

VOE 6213480

Пружина

1шт.

13

VOE 6213479

Пружина

1шт.

14

VOE 6213483

Прокладка

1шт.

15

VOE 959620

Винт шестигранник

1шт.

16

VOE 13941907

Шайба пружинная

1шт.

16

VOE 13941907

Шайба

1шт.

17

VOE 959256

Allen Hd Screw

1шт.

18

VOE 940280

Шайба пружинная

1шт.

18

VOE 940280

Шайба пружинная

1шт.

19

VOE 11997487

Overflow valve

1шт.

20

VOE 13966143

Пробка (заглушка)

1шт.

20

VOE 13966143

Пробка (заглушка)

1шт.

21

VOE 6213475

Клапан

1шт.

3

VOE 6213478

Пружина

1шт.

4

VOE 6213481

Rstr Valve

1шт.

5

VOE 6213476

Shock Valve

1шт.

6

VOE 6213484

Прокладка

1шт.

7

VOE 959620

Винт шестигранник

1шт.

8

VOE 13941907

Шайба пружинная

1шт.

8

VOE 13941907

Шайба

1шт.

9

VOE 959256

Allen Hd Screw

1шт.

Выбрано товаров: 26