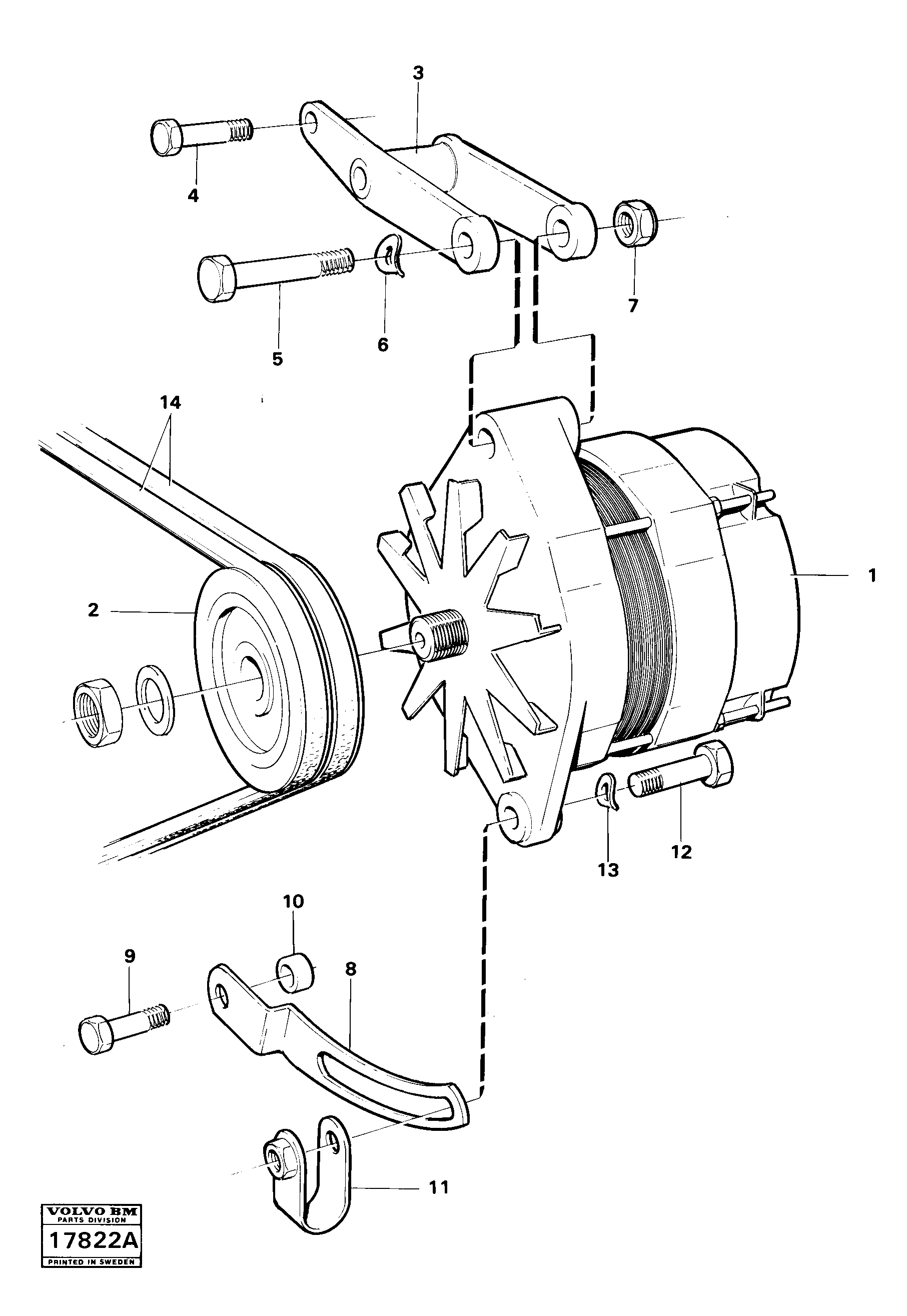
Запчасти Volvo 4600B 4600B 16318 Alternator with assembling details

Схема запчастей Volvo 4600B 4600B - 16318 Alternator with assembling details
FIT
1:1
100%

Артикул

Название

Примечание

Количество

VOE 966396

Ремень клиновой (приводной)

1шт.

VOE 966396

Ремень клиновой (приводной)

1шт.

1

VOE 4803545

Alternator

1шт.

1

VOE 4803545

Alternator

1шт.

10

VOE 930428

Spacer Ring

1шт.

10

VOE 930428

Spacer Ring

1шт.

11

VOE 466735

Brace

1шт.

11

VOE 466735

Brace

1шт.

12

VOE 955299

Винт шестигранник

1шт.

12

VOE 955299

Винт шестигранник

1шт.

13

VOE 13941907

Шайба пружинная

1шт.

13

VOE 13941907

Шайба

1шт.

14

VOE 966996

Ремень клиновой (приводной)

1шт.

2

VOE 822573

Шкив

1шт.

2

VOE 822573

Шкив

1шт.

4

VOE 955555

Болт

1шт.

4

VOE 955555

Винт шестигранник

1шт.

5

VOE 955556

Винт шестигранник

1шт.

5

VOE 955556

Болт

1шт.

6

VOE 13941909

Шайба

1шт.

6

VOE 13941909

Шайба

1шт.

7

VOE 950355

Lock nut

1шт.

7

VOE 950355

Lock nut

1шт.

9

VOE 955540

Болт

1шт.

9

VOE 955540

Винт шестигранник

1шт.

Выбрано товаров: 25