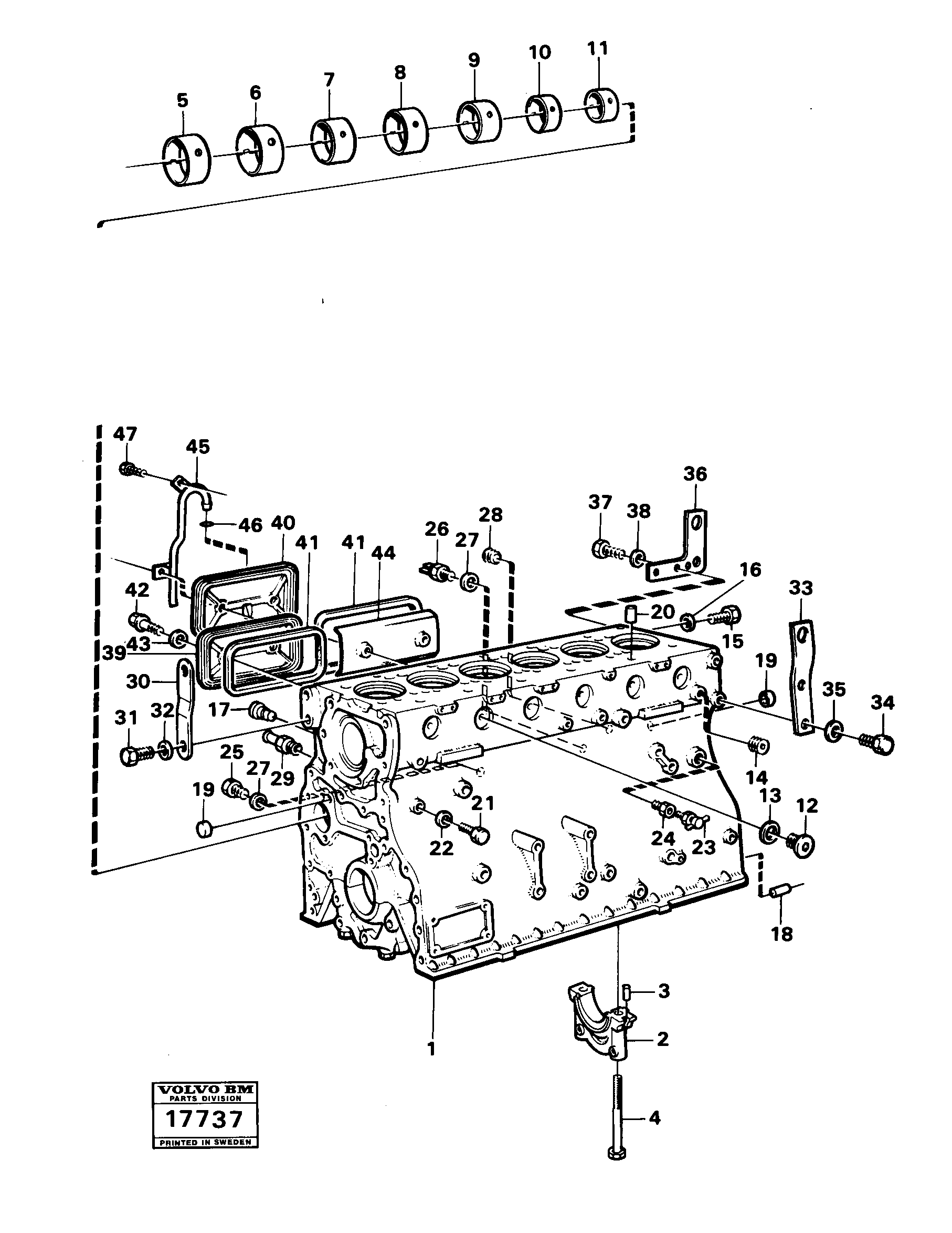
Запчасти Volvo 4600B 4600B 98017 Блок цилиндров

Схема запчастей Volvo 4600B 4600B - 98017 Блок цилиндров
FIT
1:1
100%

Артикул

Название

Примечание

Количество

1

VOE 1545210

Блок цилиндров

1шт.

10

VOE 422081

Втулка

1шт.

10

VOE 422081

Втулка

1шт.

11

VOE 422082

Втулка

1шт.

11

VOE 422082

Втулка

1шт.

12

VOE 467367

Пробка (заглушка)

1шт.

12

VOE 467367

Пробка (заглушка)

1шт.

13

VOE 1556907

Прокладка

1шт.

13

VOE 1556907

Прокладка

1шт.

14

VOE 952075

Пробка (заглушка)

1шт.

14

VOE 952075

Пробка (заглушка)

1шт.

15

VOE 422550

Фиттинг

1шт.

16

VOE 468463

Прокладка

1шт.

16

VOE 468463

Прокладка

1шт.

17

VOE 422369

Пробка (заглушка)

1шт.

17

VOE 422369

Пробка (заглушка)

1шт.

18

VOE 191171

Палец

1шт.

19

VOE 13955083

Cap plug

1шт.

19

VOE 13955083

Cap plug

1шт.

20

VOE 14025455

цилиндр контактный

1шт.

21

VOE 180761

Пробка (заглушка)

1шт.

21

VOE 180761

Пробка (заглушка)

1шт.

22

VOE 13947622

Plane gasket

1шт.

22

VOE 13947622

Plane gasket

1шт.

23

VOE 13947893

Crane

1шт.

24

VOE 479954

Nipple

1шт.

24

VOE 479954

Nipple

1шт.

25

VOE 7016318

Пробка (заглушка)

1шт.

25

VOE 7016318

Пробка (заглушка)

1шт.

26

VOE 1606877

1606877

1шт.

27

VOE 13947281

Прокладка

1шт.

27

VOE 13947281

Прокладка

1шт.

28

VOE 952075

Пробка (заглушка)

1шт.

28

VOE 952075

Пробка (заглушка)

1шт.

29

VOE 479978

Nipple

1шт.

3

VOE 422426

Палец

1шт.

31

VOE 955561

Винт шестигранник

1шт.

31

VOE 955561

Винт шестигранник

1шт.

32

VOE 940280

Шайба пружинная

1шт.

32

VOE 940280

Шайба пружинная

1шт.

34

VOE 955561

Винт шестигранник

1шт.

34

VOE 955561

Винт шестигранник

1шт.

35

VOE 940280

Шайба пружинная

1шт.

35

VOE 940280

Шайба пружинная

1шт.

37

VOE 955561

Винт шестигранник

1шт.

37

VOE 955561

Винт шестигранник

1шт.

38

VOE 940280

Шайба пружинная

1шт.

38

VOE 940280

Шайба пружинная

1шт.

39

VOE 423120

Hatch

1шт.

39

VOE 423120

Hatch

1шт.

4

VOE 7422067

Болт

1шт.

40

VOE 423121

Hatch

1шт.

40

VOE 423121

Hatch

1шт.

41

VOE 469823

Прокладка

1шт.

41

VOE 469823

Прокладка

1шт.

42

VOE 422541

Болт

1шт.

42

VOE 422541

Болт

1шт.

43

VOE 469846

Кольцо уплотнительное

1шт.

43

VOE 469846

Кольцо уплотнительное

1шт.

44

VOE 422542

Splash plate

1шт.

44

VOE 422542

Splash plate

1шт.

45

VOE 467090

Breather pipe

1шт.

46

VOE 421158

Кольцо уплотнительное

1шт.

46

VOE 421158

Кольцо уплотнительное

1шт.

47

VOE 942402

Flange screw

1шт.

47

VOE 942402

Flange screw

1шт.

5

VOE 786724

Втулка

1шт.

5

VOE 786724

Втулка

1шт.

6

VOE 422077

Втулка

1шт.

6

VOE 422077

Втулка

1шт.

7

VOE 422078

Втулка

1шт.

7

VOE 422078

Втулка

1шт.

8

VOE 11000014

Втулка

1шт.

8

VOE 11000014

Втулка

1шт.

9

VOE 422080

Втулка

1шт.

9

VOE 422080

Втулка

1шт.

Выбрано товаров: 0