Запчасти Volvo 616B/646 616B,646 D45, TD45 28769 Гидроцилиндр

Схема запчастей Volvo 616B/646 616B,646 D45, TD45 - 28769 Гидроцилиндр
FIT
1:1
100%

Артикул

Название

Примечание

Количество

VOE 6630676

Gasket Kit

1шт.

VOE 6630676

Gasket Kit

1шт.

VOE 4812471

цилиндр

ERS AV 4890934

1шт.

VOE 4890934

Гидроцилиндр

1шт.

VOE 4833380

Шток поршня

1шт.

VOE 183787

Spherical plain bearing

1шт.

VOE 183787

Spherical plain bearing

1шт.

VOE 914537

Кольцо стопорное

1шт.

VOE 914537

Snap Ring

1шт.

VOE 4782718

Палец

1шт.

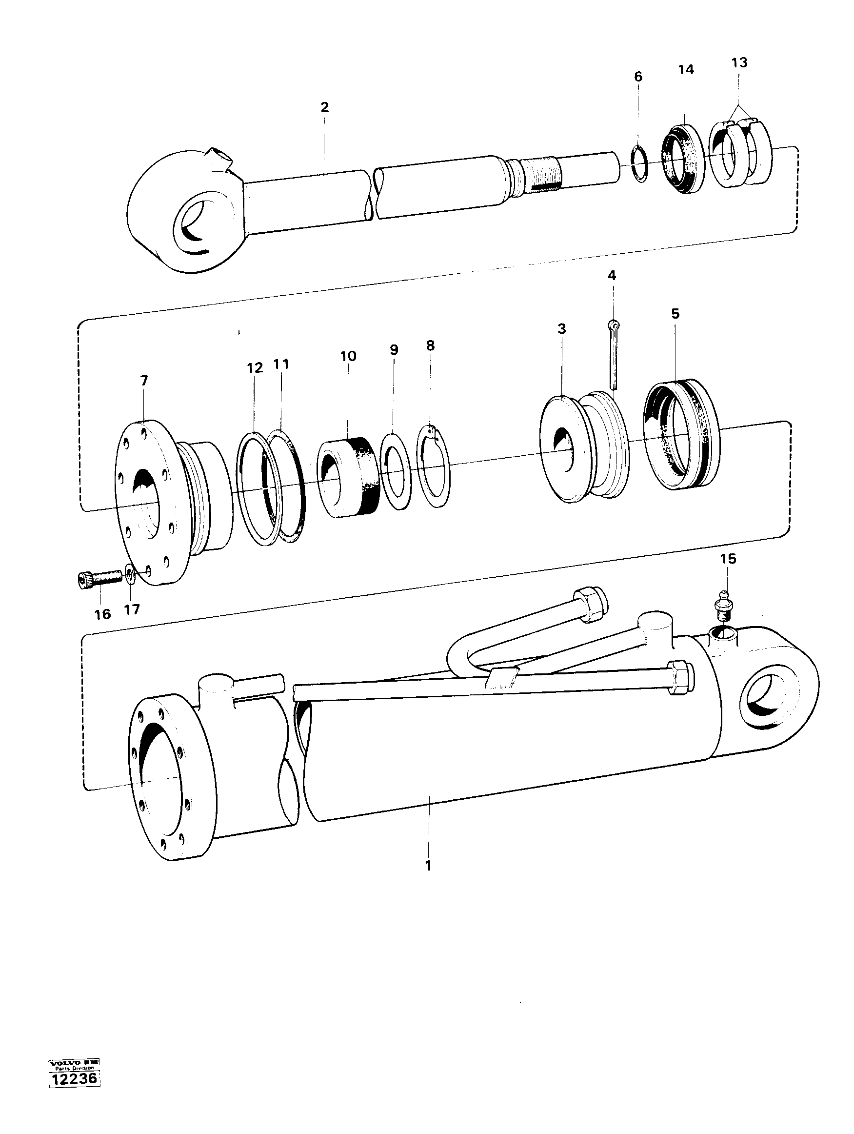
1

VOE 4892766

Cylinder tube

1шт.

10

VOE 4784062

Уплотнение штока поршня

1шт.

10

VOE 4784062

Уплотнение штока поршня

1шт.

11

VOE 925081

Кольцо уплотнительное (О-кольцо)

1шт.

11

VOE 925081

Кольцо уплотнительное (О-кольцо)

1шт.

12

VOE 4786742

Back-up ring

1шт.

12

VOE 4786742

Back-up ring

1шт.

13

VOE 4724033

Guide

1шт.

13

VOE 4724033

Guide

1шт.

14

VOE 11005055

Scraper

1шт.

15

VOE 914160

Lub Nipple

1шт.

15

VOE 914160

Lub Nipple

1шт.

16

VOE 13944938

Болт

1шт.

16

VOE 13944938

Болт

1шт.

17

VOE 13940143

Стопорная шайба (кольцо)

1шт.

17

VOE 13940143

Стопорная шайба (кольцо)

1шт.

2

VOE 4833380

Шток поршня

1шт.

3

VOE 4810265

Поршень

1шт.

3

VOE 4810265

Поршень

1шт.

4

VOE 907892

Split Pin

1шт.

5

VOE 4833026

Сальник

1шт.

6

VOE 925067

Кольцо уплотнительное (О-кольцо)

1шт.

6

VOE 925067

Кольцо уплотнительное (О-кольцо)

1шт.

7

VOE 4724028

Stuffing Box

1шт.

7

VOE 4724028

Stuffing Box

1шт.

8

VOE 914540

Snap Ring

1шт.

8

VOE 914540

Кольцо стопорное

1шт.

9

VOE 4784459

Spacer Ring

1шт.

9

VOE 4784459

Spacer Ring

1шт.

Выбрано товаров: 0