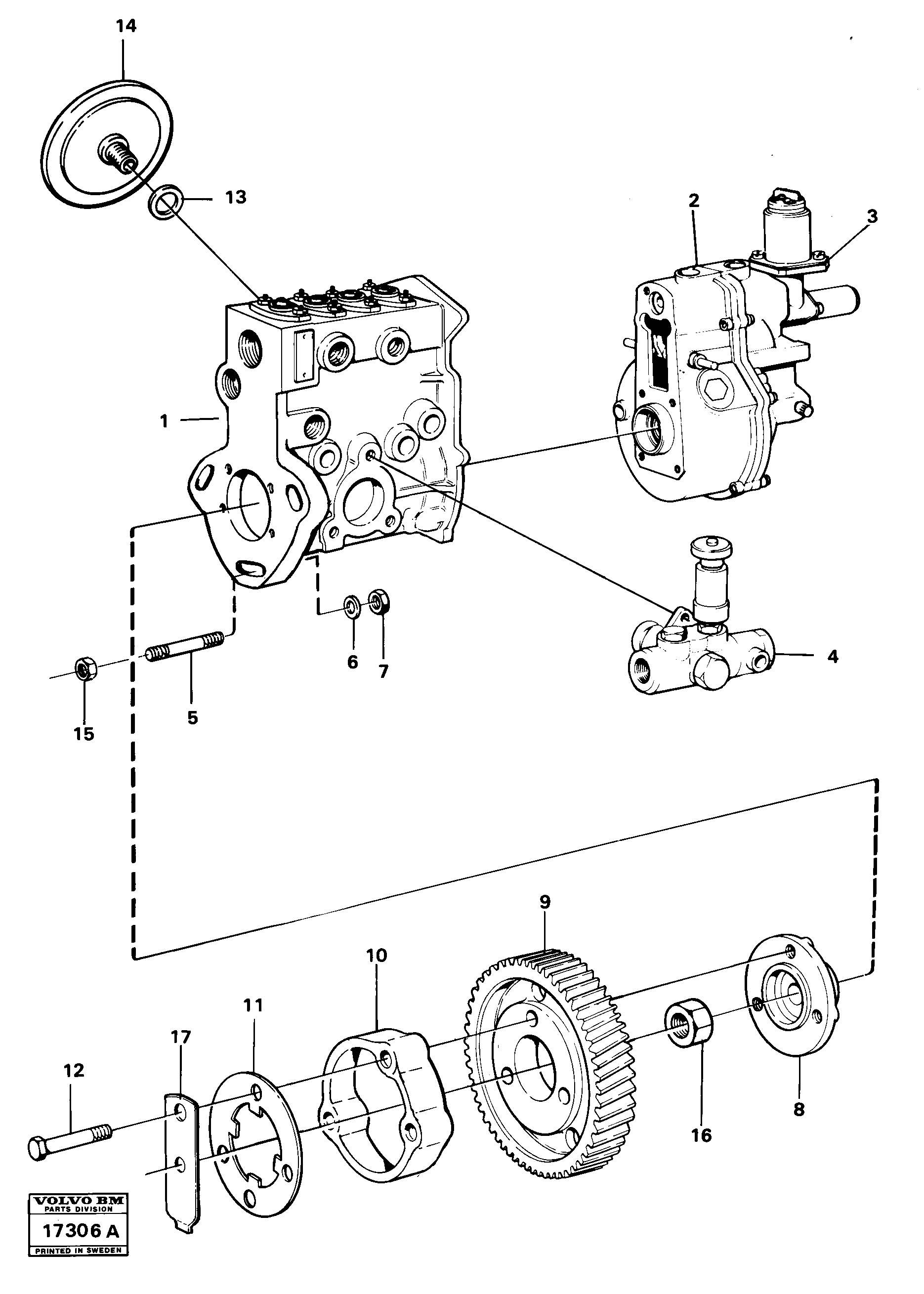
Запчасти Volvo 616B/646 616B,646 D45, TD45 19346 Fuel injection pump wiht drive Mo 59800-

Схема запчастей Volvo 616B/646 616B,646 D45, TD45 - 19346 Fuel injection pump wiht drive Mo 59800-
FIT
1:1
100%

Артикул

Название

Примечание

Количество

VOE 4880898

Насос

PROD NO 16207

1шт.

VOE 4880900

Насос

PROD NO 16308,16309

1шт.

10

VOE 11030075

Spacer Ring

1шт.

11

VOE 4804632

Стопорная шайба (кольцо)

1шт.

12

VOE 13970954

Винт шестигранник

1шт.

12

VOE 13970954

Винт шестигранник

1шт.

13

VOE 13947621

Plane Gasket

1шт.

13

VOE 13947621

Plane Gasket

1шт.

14

VOE 477173

Press Equalizer

1шт.

14

VOE 477173

Press Equalizer

1шт.

15

VOE 955835

Гайка

1шт.

15

VOE 955835

Nut

1шт.

16

VOE 955804

Hexagon Nut

1шт.

16

VOE 955804

Hexagon Nut

1шт.

3

VOE 240695

Cold Start Dvc

1шт.

4

VOE 6212643

Feed Pump

1шт.

5

VOE 953261

Шпилька

1шт.

5

VOE 953261

Шпилька

1шт.

6

VOE 13942336

Шайба пружинная

1шт.

6

VOE 13942336

Шайба пружинная

1шт.

7

VOE 13955827

Гайка

1шт.

7

VOE 13955827

Гайка

1шт.

8

VOE 4804764

Ступица

1шт.

9

VOE 4804556

Gear

1шт.

9

VOE 4804556

Gear

1шт.

Выбрано товаров: 25