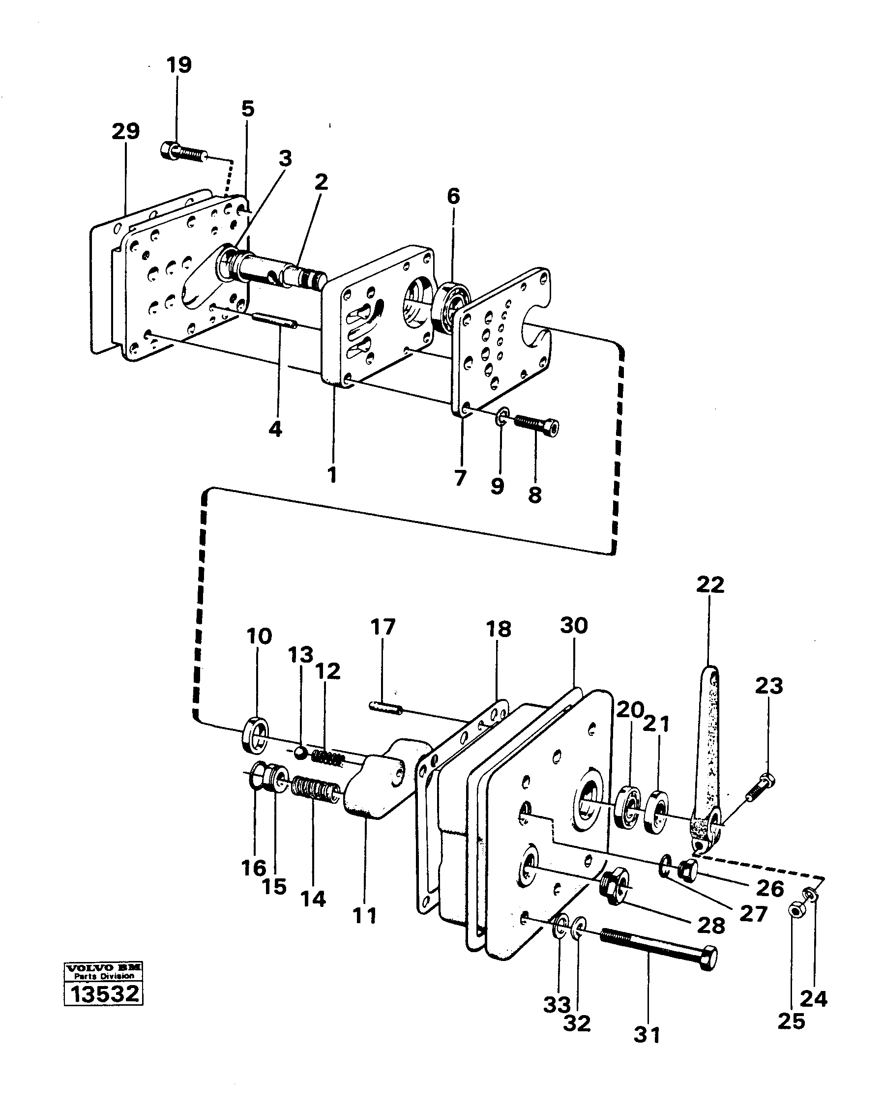
Запчасти Volvo 616B/646 616B,646 D45, TD45 19358 Range selector valve

Схема запчастей Volvo 616B/646 616B,646 D45, TD45 - 19358 Range selector valve
FIT
1:1
100%

Артикул

Название

Примечание

Количество

VOE 6630319

Ремкомплект

1шт.

VOE 6630319

Ремкомплект

1шт.

VOE 4716581

Gear Selector

1шт.

VOE 4716581

Gear Selector

1шт.

1

VOE 735984

Пластина

1шт.

10

VOE 735989

Spacer Sleeve

1шт.

11

VOE 4716582

Distributor Arm

1шт.

12

VOE 735990

Пружина

1шт.

13

VOE 7000205

Ball

1шт.

13

VOE 7000205

Ball

1шт.

14

VOE 4716584

Пружина

1шт.

15

VOE 4716583

Seat

1шт.

16

VOE 955976

Кольцо уплотнительное (О-кольцо)

1шт.

16

VOE 955976

Кольцо уплотнительное (О-кольцо)

1шт.

17

VOE 951990

Spring Pin

1шт.

17

VOE 951990

Spring Pin

1шт.

18

VOE 735992

Прокладка

1шт.

19

VOE 956582

Allen Hd Screw

1шт.

2

VOE 4715394

Вал

1шт.

20

VOE 7181180

Ball Bearing

1шт.

21

VOE 795340

Кольцо уплотнительное

1шт.

22

VOE 4715396

Lever

1шт.

23

VOE 940186

Винт шестигранник

1шт.

23

VOE 940186

Винт шестигранник

1шт.

24

VOE 13941907

Шайба пружинная

1шт.

24

VOE 13941907

Шайба

1шт.

25

VOE 950363

Lock nut

1шт.

26

VOE 941371

Пробка (заглушка)

1шт.

26

VOE 941371

Пробка (заглушка)

1шт.

27

VOE 958225

Кольцо уплотнительное (О-кольцо)

1шт.

27

VOE 958225

Кольцо уплотнительное (О-кольцо)

1шт.

28

VOE 190851

Nipple

1шт.

29

VOE 735993

Прокладка

1шт.

3

VOE 795335

Кольцо уплотнительное

1шт.

30

VOE 735994

Прокладка

1шт.

31

VOE 942338

Болт

1шт.

31

VOE 942338

Винт шестигранник

1шт.

32

VOE 955950

Toothed Washer

1шт.

32

VOE 955950

Toothed Washer

1шт.

33

VOE 13940097

Шайба

1шт.

33

VOE 13940097

Шайба

1шт.

4

VOE 951993

Spring Pin

1шт.

4

VOE 951993

Spring Pin

1шт.

5

VOE 735982

Пластина

1шт.

6

VOE 181113

Ball Bearing

1шт.

7

VOE 4716054

Пластина

1шт.

8

VOE 956587

Болт

1шт.

9

VOE 13942336

Шайба пружинная

1шт.

9

VOE 13942336

Шайба пружинная

1шт.

Выбрано товаров: 49