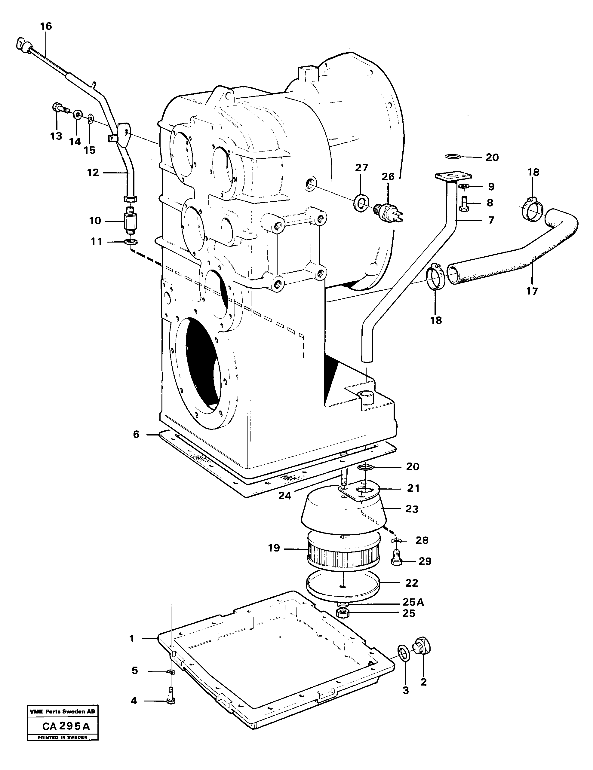
Запчасти Volvo 6300 6300 88370 Clutch housing with fitting parts

Схема запчастей Volvo 6300 6300 - 88370 Clutch housing with fitting parts
FIT
1:1
100%

Артикул

Название

Примечание

Количество

VOE 11700303

Сальник

HT 8763 -

1шт.

VOE 11990096

Gasket kit

1шт.

VOE 11990096

Gasket kit

1шт.

VOE 943476

Hose clamp

SER NO 1129 -

1шт.

VOE 13946173

Screw

HT 2724 -

1шт.

VOE 13946173

Болт

HT 2724 -

1шт.

10

VOE 4939753

4939753

1шт.

11

VOE 14013071

Sealing washer

1шт.

11

VOE 14013071

Sealing washer

1шт.

12

VOE 4953411

Трубка

1шт.

13

VOE 955361

Винт шестигранник

1шт.

13

VOE 955361

Винт шестигранник

1шт.

14

VOE 13955900

Шайба

1шт.

14

VOE 13955900

Шайба

1шт.

15

VOE 941912

Шайба пружинная

1шт.

15

VOE 941912

Шайба пружинная

1шт.

16

VOE 4953930

Oil dipstick

1шт.

17

VOE 4939773

Return hose

1шт.

18

VOE 943475

Hose clamp

SER NO - 1128

1шт.

18

VOE 943475

Hose clamp

SER NO - 1128

1шт.

19

VOE 4710278

Фильтр

1шт.

2

VOE 11102187

Пробка магнитная

1шт.

2

VOE 11102187

Пробка магнитная

1шт.

20

VOE 944126

Кольцо уплотнительное (О-кольцо)

1шт.

20

VOE 944126

Кольцо уплотнительное (О-кольцо)

1шт.

21

VOE 11036023

Прокладка

1шт.

21

VOE 11036023

Прокладка

1шт.

22

VOE 736747

End plate

1шт.

22

VOE 736747

End plate

1шт.

24

VOE 4871199

Шпилька

1шт.

25

VOE 13945408

Гайка

1шт.

25

VOE 13945408

Гайка

1шт.

25A

VOE 976944

Шайба

1шт.

25A

VOE 976944

Шайба

1шт.

26

VOE 4780941

Induction sensor

1шт.

26

VOE 4780941

Induction sensor

1шт.

27

VOE 13947624

Plane gasket

HT - 8762

1шт.

27

VOE 13947624

Plane gasket

HT - 8762

1шт.

29

VOE 946440

Flange screw

1шт.

29

VOE 946440

Flange screw

1шт.

3

VOE 958228

Кольцо уплотнительное (О-кольцо)

1шт.

3

VOE 958228

Кольцо уплотнительное (О-кольцо)

1шт.

4

VOE 13945444

Болт

1шт.

4

VOE 13945444

Screw

1шт.

6

VOE 11036370

Прокладка

1шт.

6

VOE 11036370

Прокладка

1шт.

7

VOE 11419262

Suction pipe

1шт.

8

VOE 13955295

Болт

HT - 2723

1шт.

8

VOE 13955295

Болт

HT - 2723

1шт.

9

VOE 13941907

Шайба пружинная

HT - 2723

1шт.

9

VOE 13941907

Шайба

HT - 2723

1шт.

Выбрано товаров: 51