Запчасти Volvo 6300 6300 53496 Мост ведущий задний 23535, Ah31d, 23597, Ah31h

Схема запчастей Volvo 6300 6300 - 53496 Мост ведущий задний 23535, Ah31d, 23597, Ah31h
FIT
1:1
100%

Артикул

Название

Примечание

Количество

VOE 4717690

Brake disc

1шт.

VOE 4717690

Brake disc

1шт.

VOE 4870455

Ступица

1шт.

VOE 7181607

Подшипник

1шт.

VOE 7181607

Roller bearing

1шт.

VOE 183610

Подшипник

1шт.

VOE 183610

Подшипник

1шт.

VOE 4870224

Гайка

1шт.

VOE 11034457

Вал приводной (ведущий)

AX 13555 -

1шт.

VOE 11034458

Вал приводной (ведущий)

AX 13555 -

1шт.

VOE 11102305

Солнечная (центральная / планетарная) шестерня

AX 13555 -

1шт.

VOE 4870227

Шайба упорная

1шт.

VOE 914469

Retaining ring

AX 13555 -

1шт.

VOE 11034245

Водило планетарного редуктора

1шт.

VOE 11102910

Кольцо изнашиваемое

1шт.

VOE 11034736

Вал планетарной шестерни

1шт.

VOE 11034156

Пробка (заглушка)

1шт.

VOE 11034156

Пробка (заглушка)

1шт.

VOE 11102187

Пробка магнитная

1шт.

VOE 11102187

Пробка магнитная

1шт.

VOE 384555

Air vent valve

AX - 13896

1шт.

VOE 384555

Air vent valve

AX - 13896

1шт.

VOE 4881469

Bleeder nipple

SER NO 1468 -

1шт.

VOE 4881469

Bleeder nipple

SER NO 1468 -

1шт.

VOE 4881469

Bleeder nipple

AX 13897 -

1шт.

VOE 4881469

Bleeder nipple

AX 13897 -

1шт.

VOE 4717713

Anchorage

1шт.

VOE 4717713

Anchorage

1шт.

VOE 4870229

Spindle

1шт.

VOE 11034147

Шайба упорная

THICK= 2,75MM

1шт.

VOE 11102303

Шестерня планетарная (сателлит)

1шт.

VOE 4870445

Striker plate

1шт.

VOE 4870448

Болт

1шт.

VOE 4870448

Screw

1шт.

VOE 13947373

Болт

1шт.

VOE 13947373

Болт

1шт.

VOE 4870486

Шайба упорная

THICK= 1,0MM

1шт.

VOE 4881318

Подшипник

1шт.

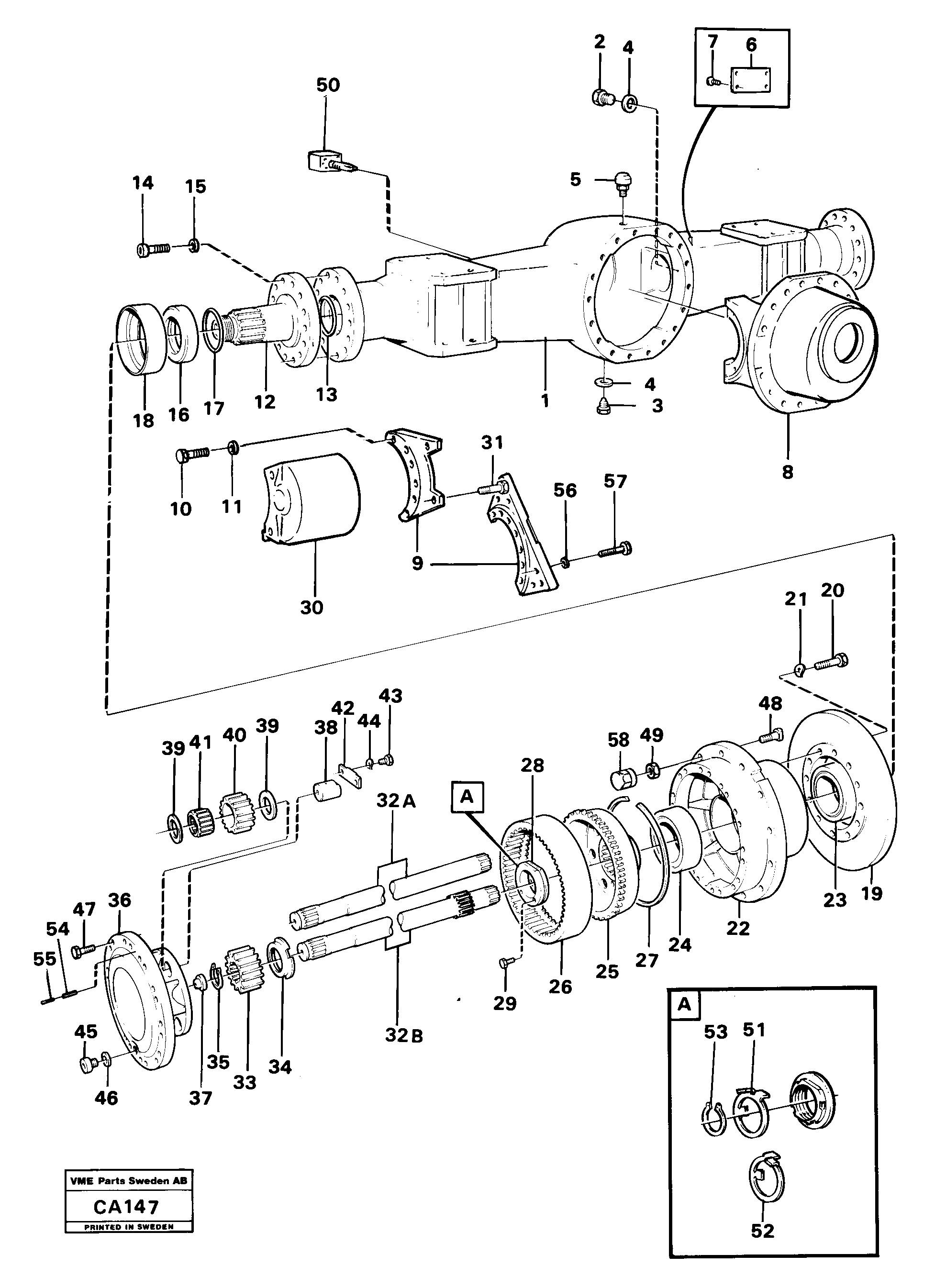
1

VOE 4870113

Axle casing

1шт.

10

VOE 14370999

Allen Hd Screw

1шт.

11

VOE 941914

Шайба пружинная

1шт.

11

VOE 941914

Шайба пружинная

1шт.

12

VOE 4717709

King Pin

1шт.

13

VOE 13960239

Кольцо уплотнительное (О-кольцо)

1шт.

13

VOE 13960239

Кольцо уплотнительное (О-кольцо)

1шт.

14

VOE 949566

Винт шестигранник (торцевой ключ)

1шт.

14

VOE 949566

Hex. socket screw

1шт.

15

VOE 941914

Шайба пружинная

1шт.

15

VOE 941914

Шайба пружинная

1шт.

16

VOE 11034192

Spacer ring

1шт.

16

VOE 11034192

Spacer ring

1шт.

17

VOE 13960194

Кольцо уплотнительное (О-кольцо)

1шт.

17

VOE 13960194

Кольцо уплотнительное (О-кольцо)

1шт.

18

VOE 118728

Кольцо уплотнительное

1шт.

18

VOE 118728

Кольцо уплотнительное

1шт.

19

VOE 11034438

Brake disc

1шт.

19

VOE 11034438

Brake disc

1шт.

2

VOE 11034156

Пробка (заглушка)

1шт.

2

VOE 11034156

Пробка (заглушка)

1шт.

20

VOE 967691

Allen Hd Screw

1шт.

21

VOE 941912

Шайба пружинная

1шт.

21

VOE 941912

Шайба пружинная

1шт.

22

VOE 4717332

Ступица

1шт.

22

VOE 4717332

Ступица

1шт.

23

VOE 183701

Подшипник

1шт.

23

VOE 183701

Подшипник

1шт.

24

VOE 183610

Подшипник

1шт.

24

VOE 183610

Подшипник

1шт.

25

VOE 4870492

Gear ring holder

1шт.

25

VOE 4870492

Gear ring holder

1шт.

26

VOE 4717040

Шестерня коронная (кольцевая, планетарная)

1шт.

26

VOE 4717040

Шестерня коронная (кольцевая, планетарная)

1шт.

27

VOE 4717022

Retaining ring

1шт.

27

VOE 4717022

Кольцо стопорное

1шт.

28

VOE 4717793

Гайка

1шт.

28

VOE 4717793

Гайка

1шт.

29

VOE 948037

Болт

1шт.

29

VOE 948037

Болт

1шт.

3

VOE 11102187

Пробка магнитная

1шт.

3

VOE 11102187

Пробка магнитная

1шт.

31

VOE 4870146

Болт

1шт.

31

VOE 4870146

Болт

1шт.

32A

VOE 4870035

Полуось

1шт.

32A

VOE 4870035

Вал приводной (ведущий)

1шт.

32B

VOE 4870135

Полуось

1шт.

33

VOE 11102304

Солнечная (центральная / планетарная) шестерня

AX - 13554

1шт.

33

VOE 11102304

Солнечная (центральная / планетарная) шестерня

AX - 13554

1шт.

34

VOE 4717107

Wear washer

1шт.

34

VOE 4717107

Wear washer

1шт.

35

VOE 4717033

Lock ring

AX - 13554

1шт.

35

VOE 4717033

Lock ring

AX - 13554

1шт.

36

VOE 4717046

Водило планетарного редуктора

1шт.

36

VOE 4717046

Водило планетарного редуктора

1шт.

37

VOE 4717045

Wearing Pin

1шт.

38

VOE 4717041

Вал

1шт.

38

VOE 4717041

Вал

1шт.

39

VOE 4717027

Wear washer

1шт.

39

VOE 4717027

Wear washer

1шт.

4

VOE 958228

Кольцо уплотнительное (О-кольцо)

1шт.

4

VOE 958228

Кольцо уплотнительное (О-кольцо)

1шт.

40

VOE 4717039

Шестерня планетарная (сателлит)

1шт.

40

VOE 4717039

Шестерня планетарная (сателлит)

1шт.

41

VOE 4717063

Needle bearing

1шт.

41

VOE 4717063

Needle bearing

1шт.

42

VOE 4717555

Striker plate

1шт.

42

VOE 4717555

Striker plate

1шт.

43

VOE 13955295

Болт

1шт.

43

VOE 13955295

Болт

1шт.

44

VOE 13941907

Шайба пружинная

1шт.

44

VOE 13941907

Шайба

1шт.

45

VOE 11034156

Пробка (заглушка)

1шт.

45

VOE 11034156

Пробка (заглушка)

1шт.

46

VOE 958228

Кольцо уплотнительное (О-кольцо)

1шт.

46

VOE 958228

Кольцо уплотнительное (О-кольцо)

1шт.

47

VOE 13977564

Винт шестигранник

1шт.

47

VOE 13977564

Винт шестигранник

1шт.

48

VOE 11102586

Шпилька колеса

1шт.

48

VOE 11102586

Шпилька колеса

1шт.

49

VOE 4717139

Гайка

1шт.

49

VOE 4717139

Гайка

1шт.

5

VOE 384555

Air vent valve

SER NO - 1467

1шт.

5

VOE 384555

Air vent valve

SER NO - 1467

1шт.

51

VOE 4870225

Lock ring

1шт.

52

VOE 4870226

Lock ring

1шт.

53

VOE 914480

Кольцо стопорное

1шт.

53

VOE 914480

Retaining ring

1шт.

54

VOE 952031

Spring pin

14X28

1шт.

54

VOE 952031

Spring pin

14X28

1шт.

55

VOE 951990

Spring pin

8X28

1шт.

55

VOE 951990

Spring pin

8X28

1шт.

56

VOE 941914

Шайба пружинная

1шт.

56

VOE 941914

Шайба пружинная

1шт.

57

VOE 4717660

Болт

1шт.

57

VOE 4717660

Болт

1шт.

58

VOE 11003011

Nut cap

SER NO 1792 -

1шт.

58

VOE 11003011

Nut cap

SER NO 1792 -

1шт.

7

VOE 950891

Drive screw

1шт.

7

VOE 950891

Drive screw

1шт.

9

VOE 4870175

Brake anchorage

1шт.

9

VOE 4870175

Brake anchorage

1шт.

Выбрано товаров: 140