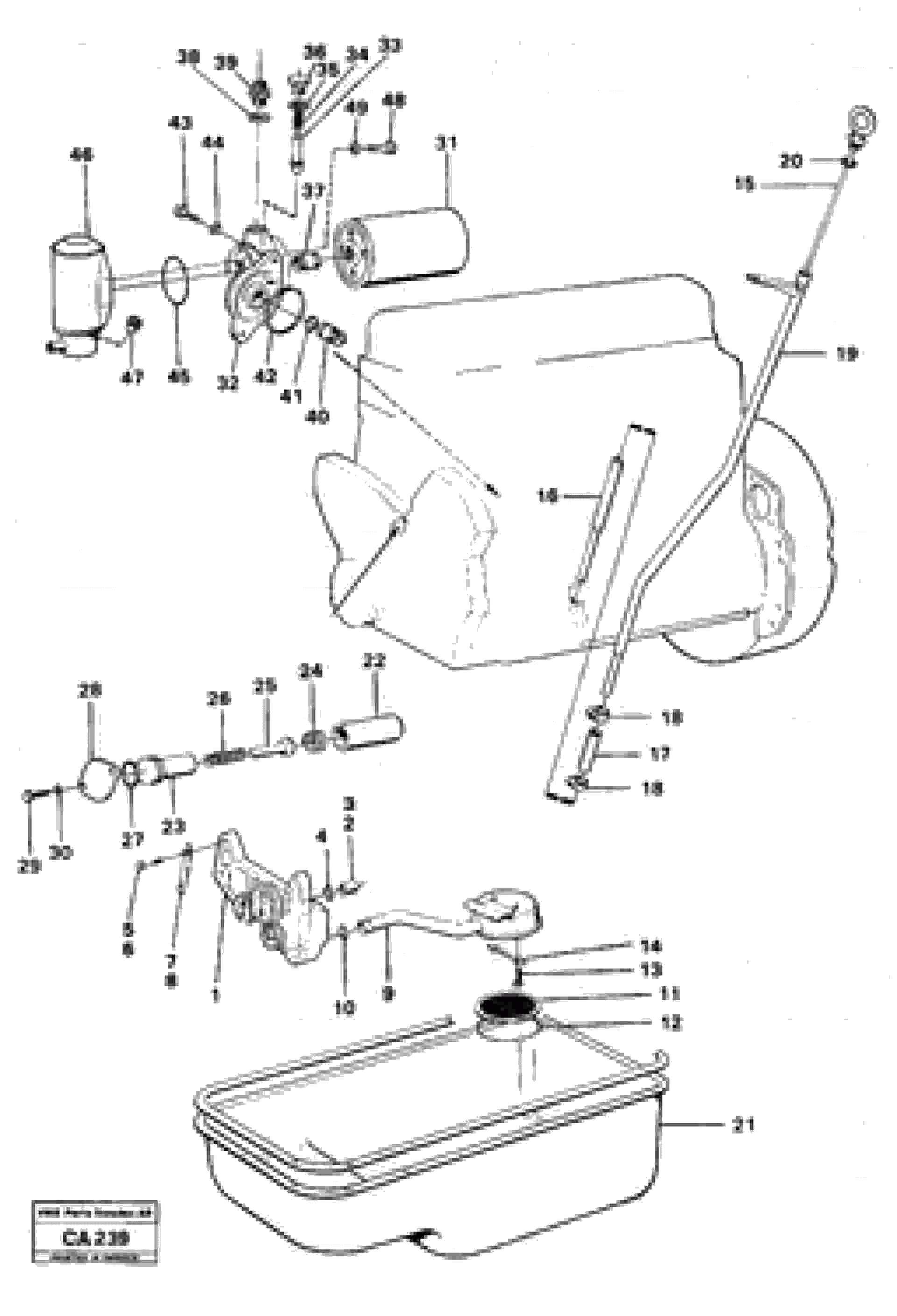
Запчасти Volvo 6300 6300 84628 Система масляной смазки

Схема запчастей Volvo 6300 6300 - 84628 Система масляной смазки
FIT
1:1
100%

Артикул

Название

Примечание

Количество

10

VOE 942089

Кольцо уплотнительное (О-кольцо)

1шт.

10

VOE 942089

Кольцо уплотнительное (О-кольцо)

1шт.

11

VOE 414621

Wire gauze

1шт.

12

VOE 118125

Retaining ring

1шт.

13

VOE 13940135

Болт

1шт.

13

VOE 13940135

Болт

1шт.

14

VOE 13941907

Шайба пружинная

1шт.

14

VOE 13941907

Шайба

1шт.

15

VOE 11030055

Dipstick

1шт.

16

VOE 785606

Трубка

1шт.

17

VOE 13966683

Шланг

1шт.

18

VOE 943471

Hose clamp

1шт.

19

VOE 4804882

Трубка

1шт.

2

VOE 785577

Guide sleeve

1шт.

20

VOE 955972

Кольцо уплотнительное (О-кольцо)

1шт.

20

VOE 955972

Кольцо уплотнительное (О-кольцо)

1шт.

22

VOE 785792

Valve housing

1шт.

23

VOE 787068

Картер (корпус)

1шт.

24

VOE 785794

Пружина

1шт.

25

VOE 421125

Клапан

1шт.

26

VOE 421126

Пружина

1шт.

27

VOE 925059

Кольцо уплотнительное (О-кольцо)

1шт.

27

VOE 925059

Кольцо уплотнительное (О-кольцо)

1шт.

28

VOE 787069

Шайба упорная

1шт.

29

VOE 955513

Винт шестигранник

1шт.

29

VOE 955513

Винт шестигранник

1шт.

3

VOE 785623

Guide sleeve

1шт.

30

VOE 13941906

Шайба

1шт.

30

VOE 13941906

Шайба

1шт.

31

VOE 4804406

Фильтр масляный

1шт.

32

VOE 4804521

4804521

1шт.

33

VOE 471085

Valve cone

1шт.

34

VOE 4804755

Compression spring

1шт.

35

VOE 957185

Gasket

1шт.

35

VOE 957185

Прокладка

1шт.

36

VOE 466624

Пробка (заглушка)

1шт.

37

VOE 4804518

Nipple

1шт.

38

VOE 957179

Прокладка

1шт.

38

VOE 957179

Gasket

1шт.

39

VOE 13963948

Nipple

1шт.

39

VOE 13963948

Nipple

1шт.

4

VOE 955993

Кольцо уплотнительное (О-кольцо)

1шт.

4

VOE 955993

Кольцо уплотнительное (О-кольцо)

1шт.

40

VOE 785816

Nipple

1шт.

41

VOE 955976

Кольцо уплотнительное (О-кольцо)

1шт.

41

VOE 955976

Кольцо уплотнительное (О-кольцо)

1шт.

42

VOE 926040

Кольцо уплотнительное (О-кольцо)

1шт.

43

VOE 955535

Винт шестигранник

1шт.

43

VOE 955535

Винт шестигранник

1шт.

44

VOE 955950

Toothed washer

1шт.

44

VOE 955950

Toothed washer

1шт.

45

VOE 926039

Кольцо уплотнительное (О-кольцо)

1шт.

46

VOE 4804681

Масляный радиатор

1шт.

47

VOE 479979

Пробка (заглушка)

1шт.

48

VOE 4804519

Болт

1шт.

49

VOE 13940109

Lock washer

1шт.

49

VOE 13940109

Стопорная шайба (кольцо)

1шт.

5

VOE 940186

Винт шестигранник

1шт.

5

VOE 940186

Винт шестигранник

1шт.

6

VOE 955526

Болт

1шт.

6

VOE 955526

Винт шестигранник

1шт.

7

VOE 930035

Стопорная шайба (кольцо)

1шт.

8

VOE 7015260

Стопорная шайба (кольцо)

1шт.

9

VOE 4804776

4804776

1шт.

Выбрано товаров: 64