Запчасти Volvo 6300 6300 37639 Towing hitch

Схема запчастей Volvo 6300 6300 - 37639 Towing hitch
FIT
1:1
100%

Артикул

Название

Примечание

Количество

VOE 11993481

Chain

1шт.

VOE 11993481

Chain

1шт.

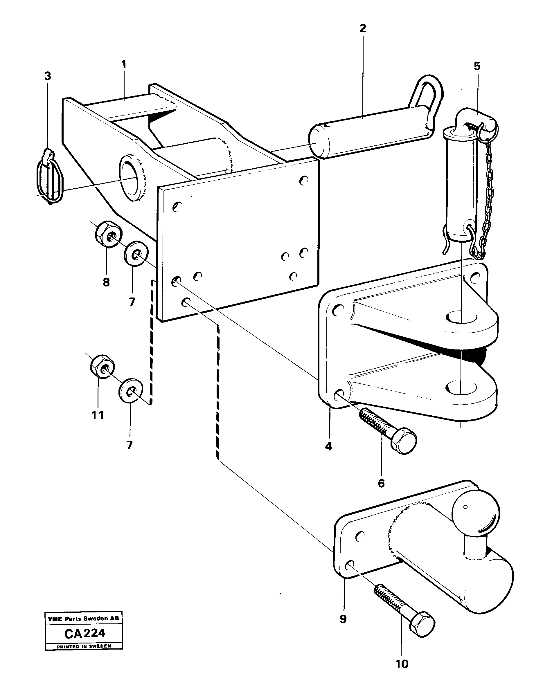
1

VOE 4766623

Anchorage

1шт.

10

VOE 13971001

Винт шестигранник

1шт.

10

VOE 13971001

Винт шестигранник

1шт.

11

VOE 13971073

Hexagon Nut

1шт.

11

VOE 13971073

Hexagon Nut

1шт.

2

VOE 4953660

Палец

1шт.

2

VOE 4953660

Pin

1шт.

3

VOE 4895679

Lock Pin

1шт.

4

VOE 4881704

Push-pull Mech

1шт.

5

VOE 4881704

Push-pull Mech

1шт.

6

VOE 955368

Винт шестигранник

1шт.

6

VOE 955368

Винт шестигранник

1шт.

7

VOE 13955900

Шайба

1шт.

7

VOE 13955900

Шайба

1шт.

8

VOE 955785

Hexagon Nut

1шт.

8

VOE 955785

Hexagon Nut

1шт.

Выбрано товаров: 18