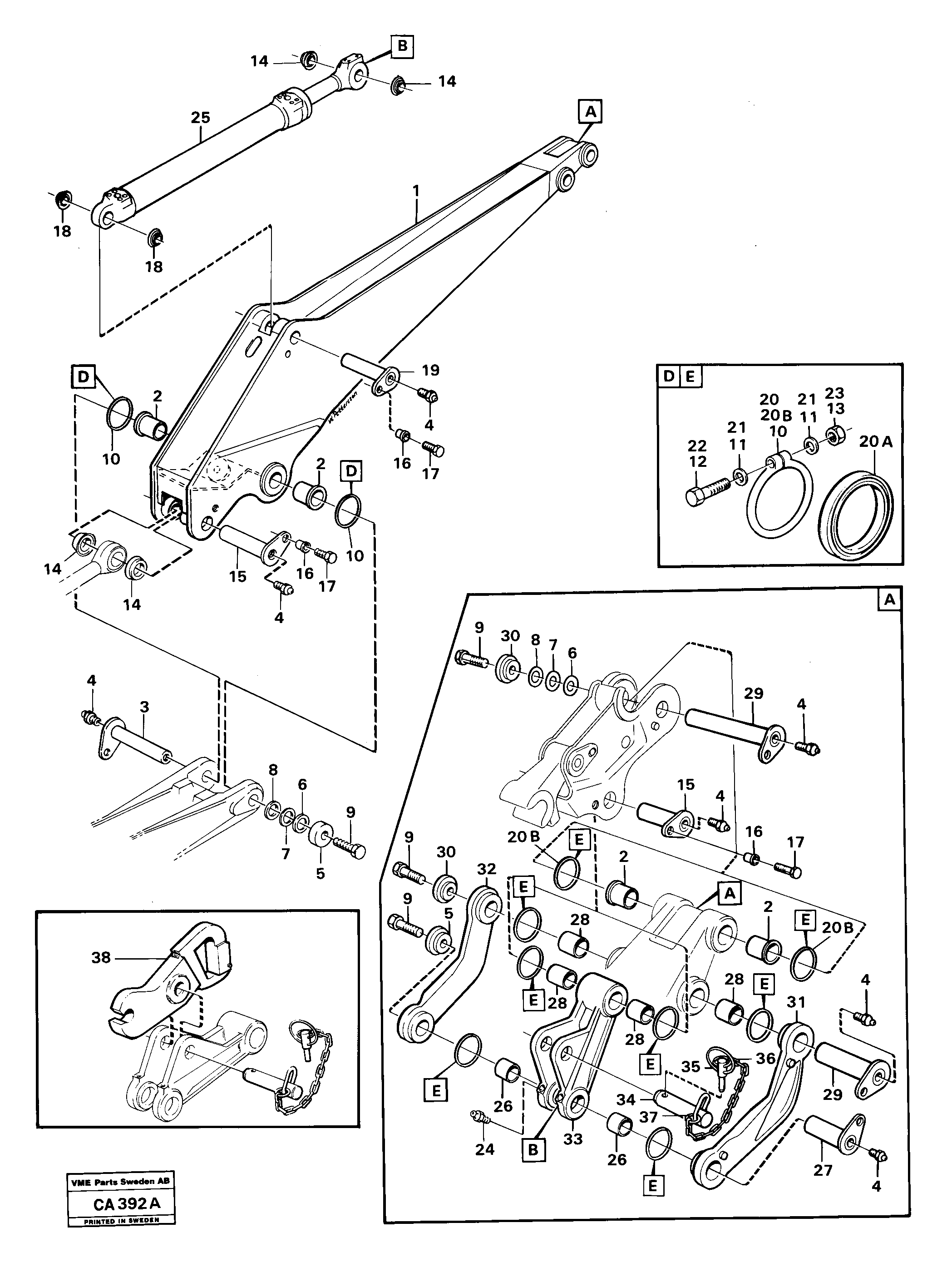
Запчасти Volvo 6300 6300 32757 Excavator dipperstick without lateral angle facility

Схема запчастей Volvo 6300 6300 - 32757 Excavator dipperstick without lateral angle facility
FIT
1:1
100%

Артикул

Название

Примечание

Количество

VOE 4933067

4933067

SER NO 1624 -

1шт.

VOE 11009129

11009129

(4934452) SER NO 1624 -

1шт.

VOE 4766377

Втулка

SER NO 1624 -

1шт.

VOE 11008722

Steering link

SER NO 1634 -

1шт.

VOE 11008721

Steering link

SER NO 1634 -

1шт.

VOE 4895679

Lock Pin

1шт.

VOE 4895517

Lifting hook

1шт.

VOE 6212042

Ремкомплект

1шт.

VOE 6212042

Ремкомплект

1шт.

VOE 4766376

Втулка

SER NO 1624 -

1шт.

1

VOE 4953115

Digging arm

1шт.

10

VOE 4824483

Кольцо уплотнительное (О-кольцо)

1шт.

10

VOE 4824483

Кольцо уплотнительное (О-кольцо)

1шт.

11

VOE 13940090

Шайба

1шт.

11

VOE 13940090

Шайба

1шт.

12

VOE 955259

Винт шестигранник

1шт.

12

VOE 955259

Винт шестигранник

1шт.

13

VOE 13963104

Lock nut

1шт.

13

VOE 13963104

Lock nut

1шт.

14

VOE 4782564

Link bearing seal

1шт.

14

VOE 4782564

Link bearing seal

1шт.

15

VOE 4933067

4933067

SER NO - 1623

1шт.

16

VOE 4934412

Втулка

1шт.

17

VOE 13970969

Винт шестигранник

1шт.

18

VOE 4782479

Кольцо уплотнительное

1шт.

18

VOE 4782479

Кольцо уплотнительное

1шт.

19

VOE 4933066

4933066

1шт.

2

VOE 4766077

Втулка

1шт.

20

VOE 4824482

Кольцо уплотнительное (О-кольцо)

SER NO - 1623

1шт.

20

VOE 4824482

Кольцо уплотнительное (О-кольцо)

SER NO - 1623

1шт.

20A

VOE 11005012

Scraper

SER NO 1624 -

1шт.

20B

VOE 4824482

Кольцо уплотнительное (О-кольцо)

SER NO 1624 -

1шт.

20B

VOE 4824482

Кольцо уплотнительное (О-кольцо)

SER NO 1624 -

1шт.

21

VOE 13940090

Шайба

1шт.

21

VOE 13940090

Шайба

1шт.

22

VOE 955259

Винт шестигранник

1шт.

22

VOE 955259

Винт шестигранник

1шт.

23

VOE 13963104

Lock nut

1шт.

23

VOE 13963104

Lock nut

1шт.

24

VOE 914167

Lubricating nipple

1шт.

24

VOE 914167

Lubricating nipple

1шт.

26

VOE 4880376

Втулка

SER NO - 1623

1шт.

26

VOE 4880376

Втулка

SER NO - 1623

1шт.

27

VOE 4933067

4933067

1шт.

28

VOE 4881136

Втулка

SER NO - 1623

1шт.

28

VOE 4881136

Втулка

SER NO - 1623

1шт.

29

VOE 4934388

4934388

1шт.

3

VOE 4934353

Палец

1шт.

30

VOE 4934419

Шайба

1шт.

31

VOE 4934222

Тяга поворотная

LH SER NO - 1633

1шт.

32

VOE 4934223

Тяга поворотная

RH SER NO - 1633

1шт.

33

VOE 4934334

Bucket link

1шт.

34

VOE 4945825

4945825

1шт.

34

VOE 4945825

Палец

1шт.

35

VOE 4945828

Lock Pin

1шт.

37

VOE 4747089

Lock ring

1шт.

37

VOE 4747089

Lock ring

1шт.

38

VOE 4859427

Hook

1шт.

38

VOE 4859427

Hook

1шт.

4

VOE 784323

Nipple

1шт.

4

VOE 784323

Nipple

1шт.

5

VOE 4945502

Шайба

1шт.

6

VOE 4934423

Вставка

THICK = 0,5

1шт.

7

VOE 4934424

Вставка

THICK = 0,25

1шт.

8

VOE 4934425

Вставка

THICK = 0,1

1шт.

9

VOE 955392

Винт шестигранник

1шт.

9

VOE 955392

Винт шестигранник

1шт.

Выбрано товаров: 67