Запчасти Volvo 6300 6300 19337 Alternator

Схема запчастей Volvo 6300 6300 - 19337 Alternator
FIT
1:1
100%

Артикул

Название

Примечание

Количество

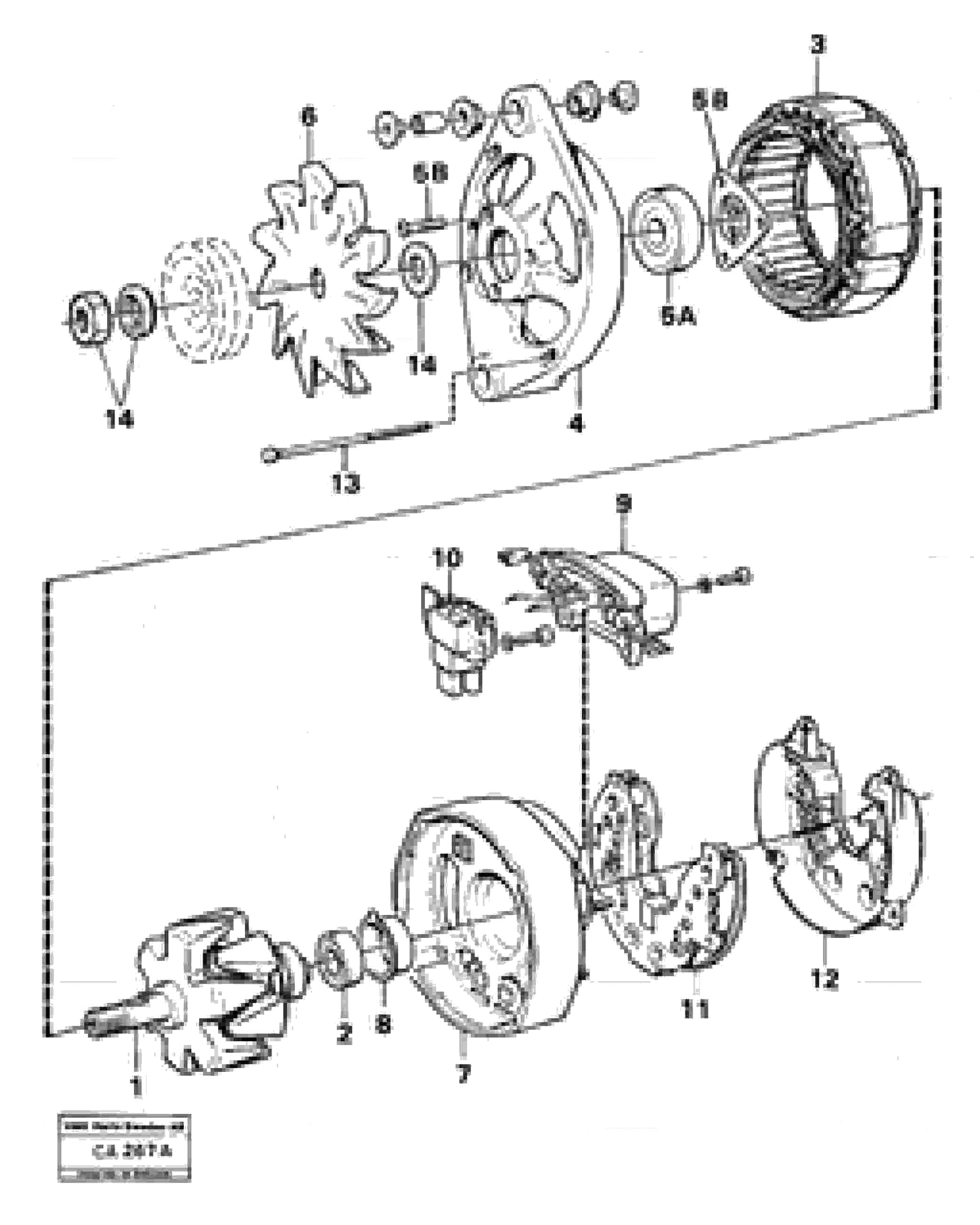
VOE 11994217

Картер (корпус)

L PROD

1шт.

VOE 863955

Alternator

REPL BY 872021

1шт.

VOE 863955

Alternator

REPL BY 872021

1шт.

1

VOE 864347

Rotor

1шт.

1

VOE 864347

Rotor

1шт.

10

VOE 840632

Brush Retainer

1шт.

10

VOE 840632

Brush Retainer

1шт.

11

VOE 873817

Diode Bridge

1шт.

11

VOE 873817

Diode Bridge

1шт.

12

VOE 847712

Крышка

1шт.

12

VOE 847712

Крышка

1шт.

13

VOE 6212852

Комплект винтов

1шт.

13

VOE 6212852

Комплект винтов

1шт.

14

VOE 6212847

Nut Set

L PROD

1шт.

2

VOE 181798

Ball Bearing

1шт.

2

VOE 181798

Ball Bearing

1шт.

3

VOE 864346

Stator

1шт.

3

VOE 864346

Stator

1шт.

4

VOE 6212849

Картер (корпус)

1шт.

5A

VOE 864350

Ball Bearing

1шт.

5A

VOE 864350

Ball Bearing

1шт.

5B

VOE 6212851

Small Parts Kit

L PROD

1шт.

6

VOE 6212848

Вентилятор

1шт.

6

VOE 6212848

Вентилятор

1шт.

7

VOE 11993561

Картер (корпус)

1шт.

8

VOE 838919

Крышка

1шт.

8

VOE 838919

Крышка

1шт.

9

VOE 872023

Regulator

1шт.

Выбрано товаров: 28