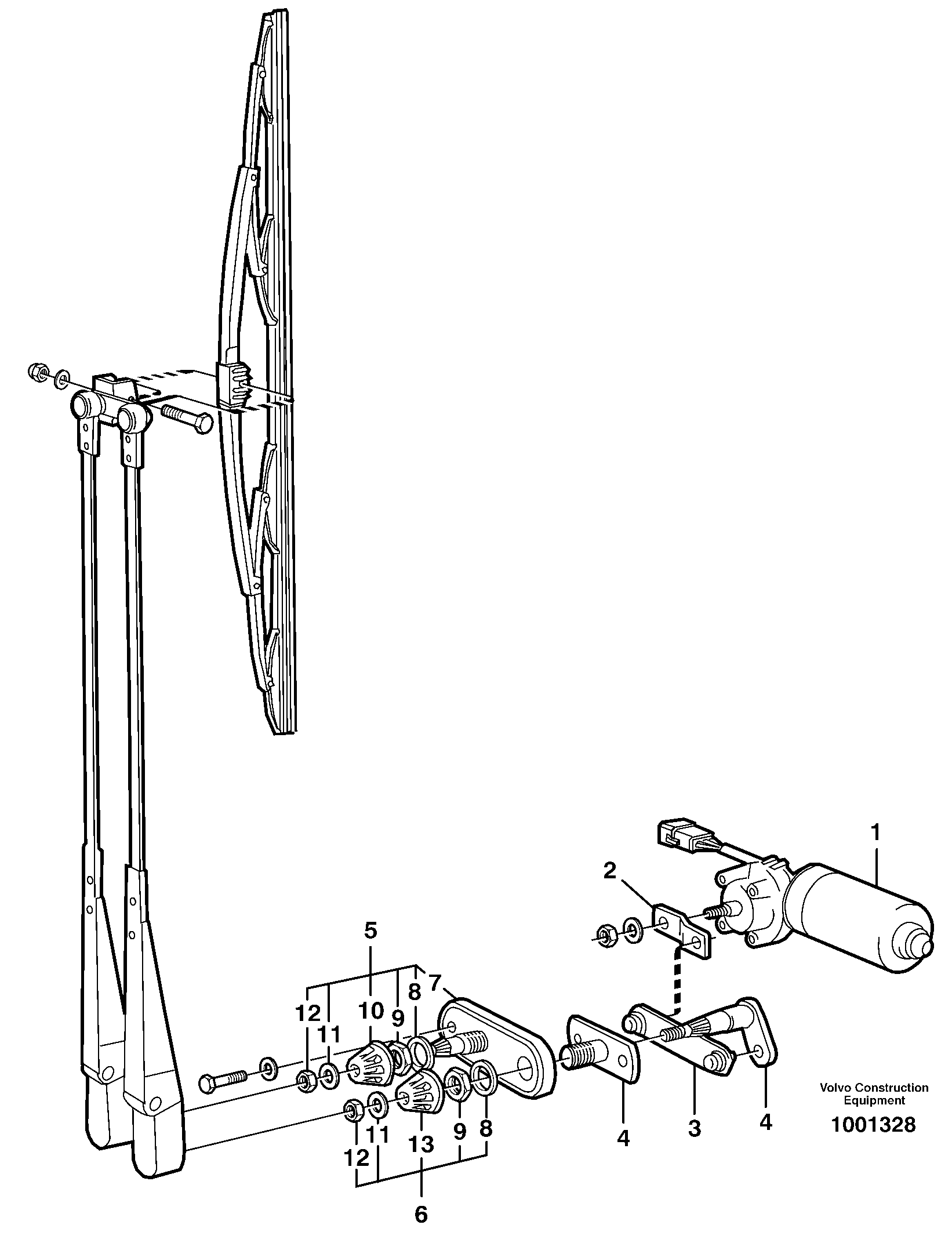
Запчасти Volvo EL70 55701 Wiper motor EL70 VOLVO BM VOLVO BM EL70

Схема запчастей Volvo EL70 - 55701 Wiper motor EL70 VOLVO BM VOLVO BM EL70
FIT
1:1
100%

Артикул

Название

Примечание

Количество

VOE 11039527

Wiper motor

1шт.

VOE 11039374

Wiper motor

1шт.

VOE 14341053

Рукоять

1шт.

VOE 14341053

Рукоять

1шт.

VOE 11998210

Wiper shaft

1шт.

VOE 11998209

Wiper shaft

1шт.

VOE 11998208

Link rod

1шт.

VOE 11998208

Link rod

1шт.

1

VOE 11039529

Wiper motor

1шт.

10

VOE 12003786

Крышка

1шт.

10

VOE 12003786

Крышка

1шт.

13

VOE 12003786

Крышка

1шт.

13

VOE 12003786

Крышка

1шт.

2

VOE 14341053

Рукоять

1шт.

2

VOE 14341053

Рукоять

1шт.

3

VOE 11992410

Link rod

1шт.

3

VOE 11992410

Link rod

1шт.

4

VOE 11701903

Wiper shaft

1шт.

5

VOE 6213452

Wiper shaft

1шт.

5

VOE 6213452

Wiper shaft

1шт.

6

VOE 2554250

Mounting kit

1шт.

6

VOE 2554250

Mounting kit

1шт.

Выбрано товаров: 22