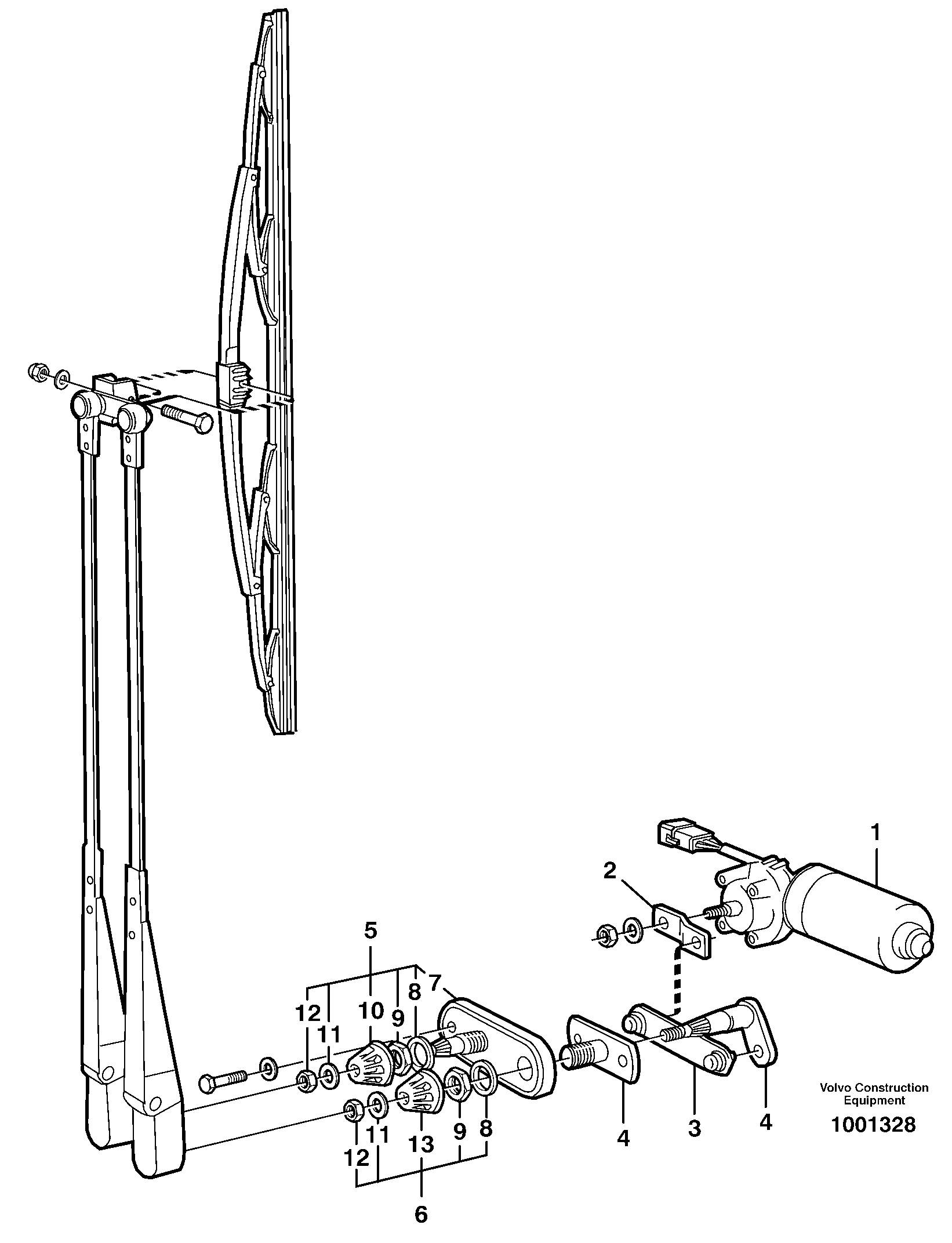
Запчасти Volvo EL70C 55076 Wiper motor EL70C VOLVO BM VOLVO BM EL70C

Схема запчастей Volvo EL70C - 55076 Wiper motor EL70C VOLVO BM VOLVO BM EL70C
FIT
1:1
100%

Артикул

Название

Примечание

Количество

VOE 11998209

Wiper shaft

1шт.

VOE 11039374

Wiper motor

1шт.

VOE 11039527

Wiper motor

1шт.

VOE 11998210

Wiper shaft

1шт.

1

VOE 11039529

Wiper motor

1шт.

10

VOE 12003786

Крышка

1шт.

10

VOE 12003786

Крышка

1шт.

13

VOE 12003786

Крышка

1шт.

13

VOE 12003786

Крышка

1шт.

2

VOE 14341053

Рукоять

1шт.

2

VOE 14341053

Рукоять

1шт.

3

VOE 11998208

Link rod

1шт.

3

VOE 11998208

Link rod

1шт.

4

VOE 11701903

Wiper shaft

1шт.

5

VOE 6213452

Wiper shaft

1шт.

5

VOE 6213452

Wiper shaft

1шт.

6

VOE 2554250

Mounting kit

1шт.

6

VOE 2554250

Mounting kit

1шт.

Выбрано товаров: 18