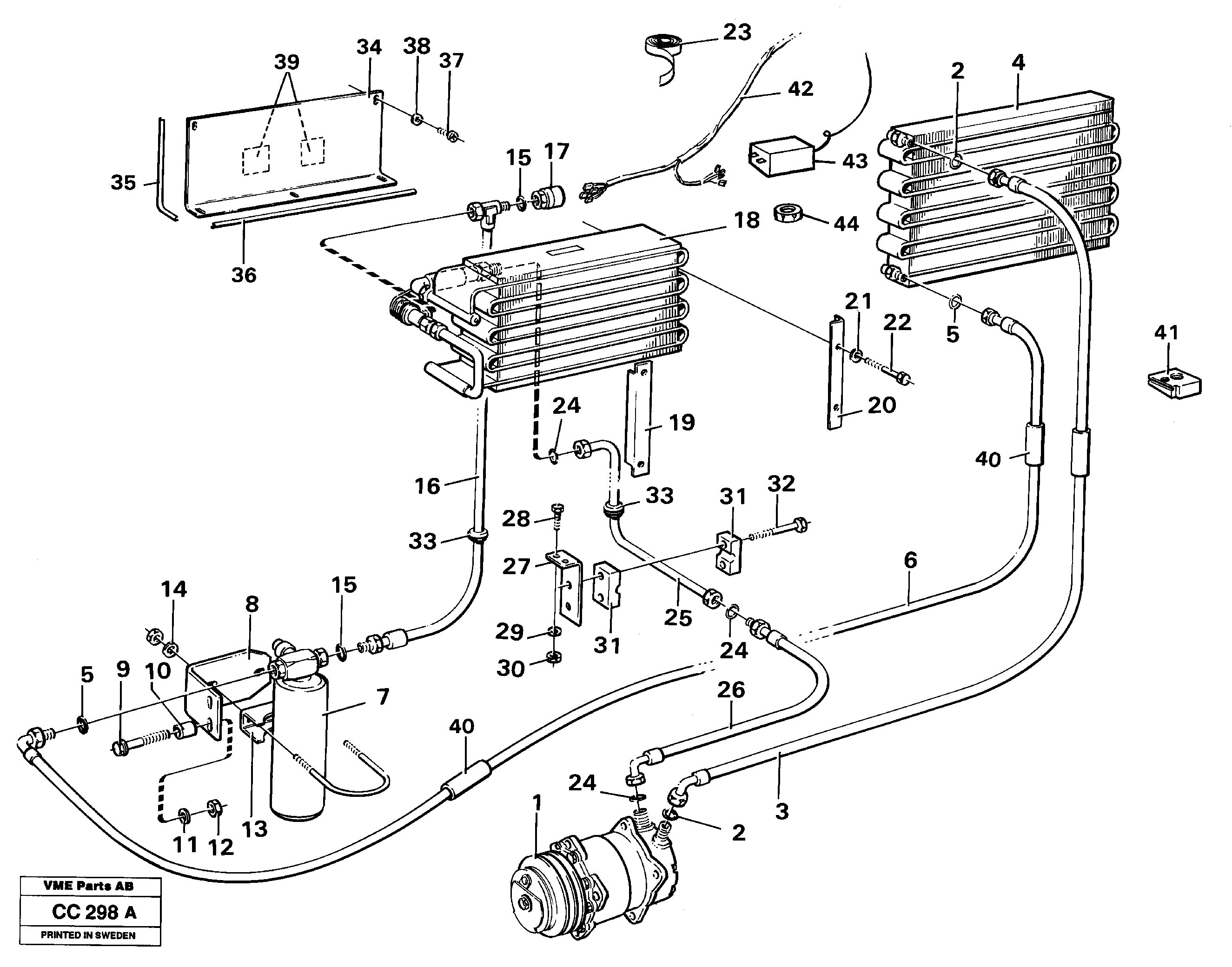
Запчасти Volvo EL70C 99129 Air conditioning EL70C VOLVO BM VOLVO BM EL70C

Схема запчастей Volvo EL70C - 99129 Air conditioning EL70C VOLVO BM VOLVO BM EL70C
FIT
1:1
100%

Артикул

Название

Примечание

Количество

VOE 15058102

Expansion Valve

1шт.

VOE 1585487

Decal

1шт.

VOE 1585487

Decal

1шт.

10

VOE 13930435

Spacer ring

1шт.

10

VOE 13930435

Spacer ring

1шт.

11

VOE 976945

Шайба

1шт.

11

VOE 976945

Шайба

1шт.

12

VOE 13971083

Lock nut

1шт.

12

VOE 13971083

Lock nut

1шт.

13

VOE 11015720

Зажим

1шт.

13

VOE 11015720

Зажим

1шт.

14

VOE 976944

Шайба

1шт.

14

VOE 976944

Шайба

1шт.

15

VOE 3537499

Кольцо уплотнительное (О-кольцо)

1шт.

15

VOE 3537499

Кольцо уплотнительное (О-кольцо)

1шт.

16

VOE 11099263

Шланг

1шт.

17

VOE 11005913

Датчик давления (переключатель, реле)

1шт.

17

VOE 11005913

Датчик давления (переключатель, реле)

1шт.

18

VOE 11007260

Evaporator

1шт.

19

VOE 11058284

Anchorage

LH

1шт.

2

VOE 3537503

Кольцо уплотнительное (О-кольцо)

1шт.

2

VOE 3537503

Кольцо уплотнительное (О-кольцо)

1шт.

20

VOE 11058283

Anchorage

RH

1шт.

21

VOE 955892

Шайба

1шт.

21

VOE 955892

Шайба

1шт.

22

VOE 955286

Винт шестигранник

1шт.

23

VOE 11003291

Tape

L=100

1шт.

23

VOE 11003291

Tape

L=100

1шт.

24

VOE 3537507

Кольцо уплотнительное (О-кольцо)

1шт.

24

VOE 3537507

Кольцо уплотнительное (О-кольцо)

1шт.

25

VOE 11009934

Трубка

1шт.

26

VOE 11099262

Шланг

1шт.

27

VOE 11009746

Anchorage

1шт.

28

VOE 956094

Cross recessed screw

1шт.

28

VOE 956094

Cross recessed screw

1шт.

29

VOE 955892

Шайба

1шт.

29

VOE 955892

Шайба

1шт.

3

VOE 11099265

Шланг

1шт.

30

VOE 946035

Lock nut

1шт.

30

VOE 946035

Lock nut

1шт.

31

VOE 11411397

Зажим

1шт.

32

VOE 942314

Allen Hd Screw

1шт.

33

VOE 961970

Пробка (заглушка)

1шт.

33

VOE 961970

Пробка (заглушка)

1шт.

34

VOE 11009090

Крышка

1шт.

35

VOE 762681

Rubber moulding

L= 360x2

1шт.

35

VOE 762681

Rubber moulding

L= 360x2

1шт.

36

VOE 762681

Rubber moulding

L= 450x2

1шт.

36

VOE 762681

Rubber moulding

L= 450x2

1шт.

37

VOE 956092

Cross recessed screw

1шт.

37

VOE 956092

Cross recessed screw

1шт.

38

VOE 955892

Шайба

1шт.

38

VOE 955892

Шайба

1шт.

39

VOE 1585188

Decal

1шт.

39

VOE 1585188

Decal

1шт.

4

VOE 4881281

Condenser

1шт.

4

VOE 4881281

Condenser

1шт.

40

VOE 944386

Шланг

L=100x2

1шт.

40

VOE 944386

Шланг

L=100x2

1шт.

41

VOE 11006674

Сальник

1шт.

43

VOE 4771420

Термостат

1шт.

43

VOE 4771420

Термостат

1шт.

44

VOE 1214057

Гайка

1шт.

44

VOE 1214057

Гайка

1шт.

5

VOE 3537499

Кольцо уплотнительное (О-кольцо)

1шт.

5

VOE 3537499

Кольцо уплотнительное (О-кольцо)

1шт.

6

VOE 11099264

Шланг

1шт.

7

VOE 1618848

Receiver drier

1шт.

7

VOE 1618848

Receiver drier

1шт.

8

VOE 11104191

11104191

1шт.

9

VOE 970952

Винт шестигранник

1шт.

9

VOE 970952

Винт шестигранник

1шт.

Выбрано товаров: 72