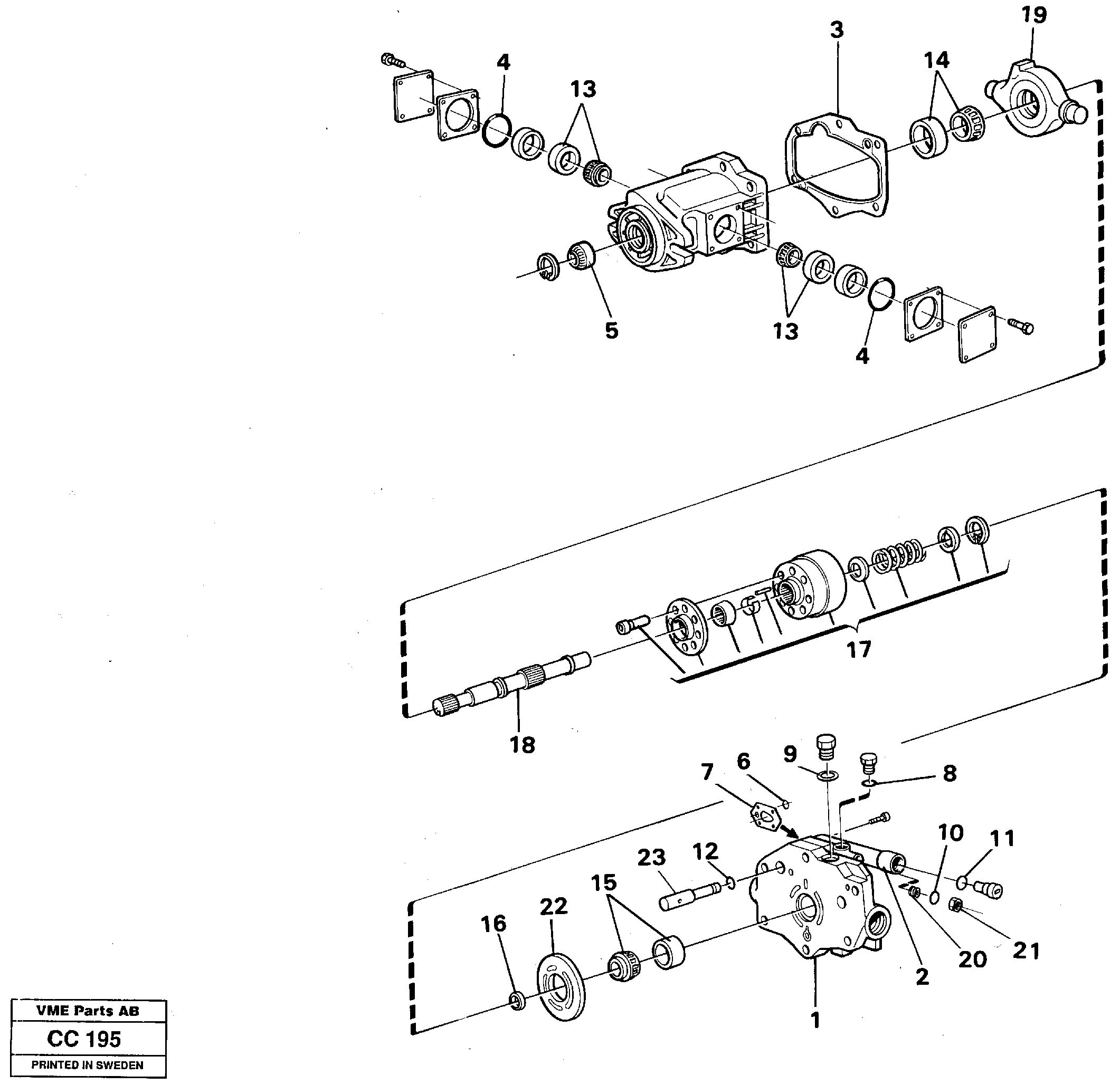
Запчасти Volvo EL70C 56051 Гидронасос (основной насос) EL70C VOLVO BM VOLVO BM EL70C

Схема запчастей Volvo EL70C - 56051 Гидронасос (основной насос) EL70C VOLVO BM VOLVO BM EL70C
FIT
1:1
100%

Артикул

Название

Примечание

Количество

VOE 6211662

Комплект подшипника

1шт.

VOE 6211662

Комплект подшипника

1шт.

VOE 11008890

Piston pump

1шт.

VOE 6211660

Sealing kit

1шт.

VOE 6211660

Sealing kit

1шт.

1

VOE 6213203

Valve body

1шт.

13

VOE 6213378

Подшипник

1шт.

13

VOE 6213378

Roller bearing

1шт.

17

VOE 6211663

Rotor kit

1шт.

17

VOE 6211663

Rotor kit

1шт.

18

VOE 6213250

Вал

1шт.

19

VOE 11996298

Вилка

1шт.

19

VOE 11996298

Вилка

1шт.

2

VOE 11994203

Compensator

1шт.

20

VOE 11993483

Болт

1шт.

21

VOE 11993484

Гайка

1шт.

22

VOE 11993485

11993485

1шт.

23

VOE 11993568

Ремкоплект поршня

1шт.

23

VOE 11993568

Ремкоплект поршня

1шт.

5

VOE 4075849

Сальник

1шт.

Выбрано товаров: 20