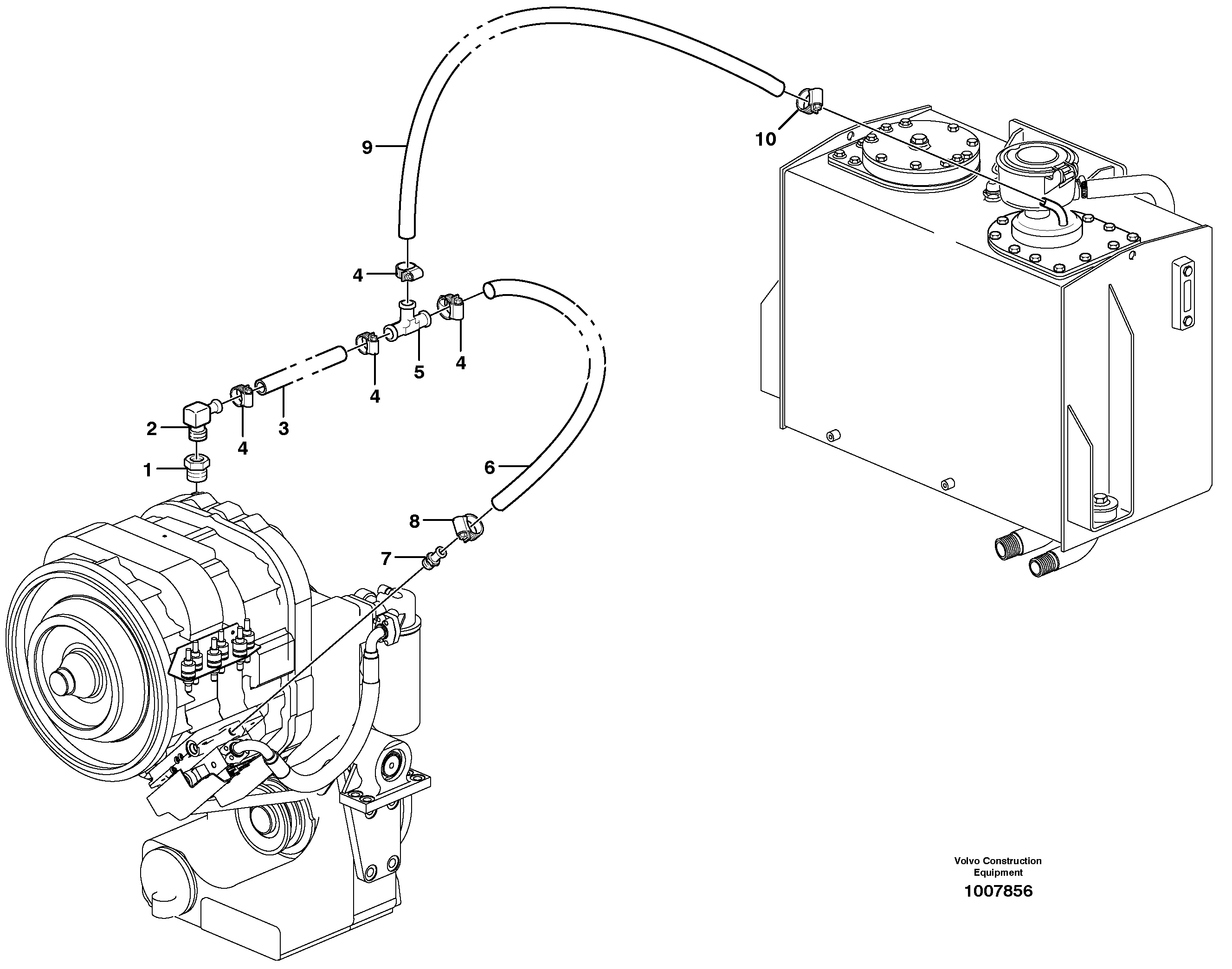
Запчасти Volvo L110E 43983 Ventilation for transmission L110E S/N 1002 - 2165 SWE, 60001- USA,70201-70257BRA

Схема запчастей Volvo L110E - 43983 Ventilation for transmission L110E S/N 1002 - 2165 SWE, 60001- USA,70201-70257BRA
FIT
1:1
100%

Артикул

Название

Примечание

Количество

1

VOE 479954

Nipple

1шт.

1

VOE 479954

Nipple

1шт.

10

VOE 943470

Hose clamp

18

1шт.

10

VOE 943470

Hose clamp

18

1шт.

2

VOE 942758

Nipple

1шт.

2

VOE 942758

Nipple

1шт.

3

VOE 13944075

Rubber hose

L=60 MM

1шт.

3

VOE 13944075

Rubber hose

L=60 MM

1шт.

4

VOE 943470

Hose clamp

18

1шт.

4

VOE 943470

Hose clamp

18

1шт.

5

VOE 419446

Трубка

1шт.

5

VOE 419446

Трубка

1шт.

6

VOE 13944075

Rubber hose

L=570 MM

1шт.

6

VOE 13944075

Rubber hose

L=570 MM

1шт.

8

VOE 943470

Hose clamp

18

1шт.

8

VOE 943470

Hose clamp

18

1шт.

9

VOE 13944075

Rubber hose

L=1430 MM

1шт.

9

VOE 13944075

Rubber hose

L=1430 MM

1шт.

Выбрано товаров: 18