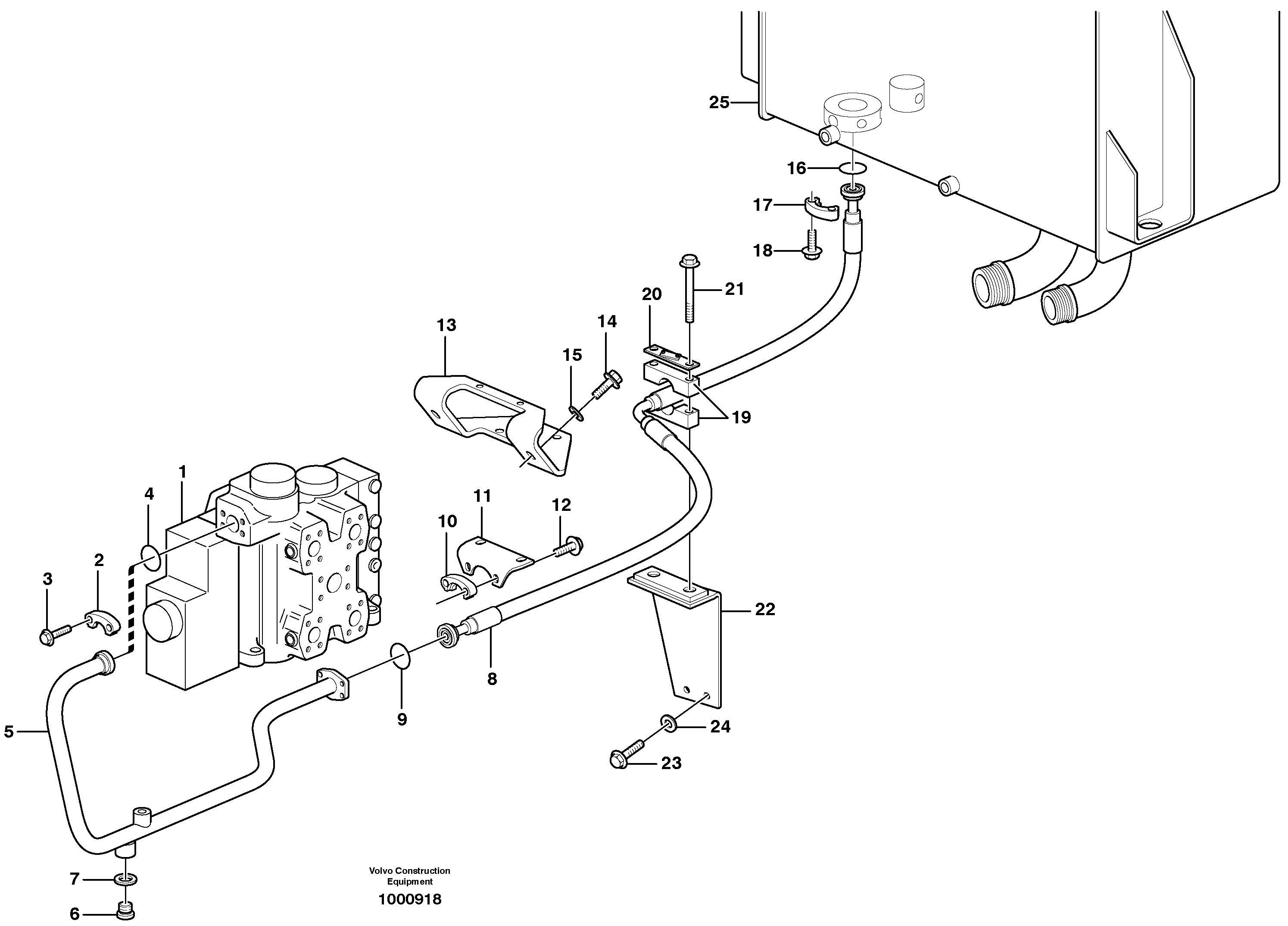
Запчасти Volvo L110E 86264 Hydraulic system, return line L110E S/N 1002 - 2165 SWE, 60001- USA,70201-70257BRA

Схема запчастей Volvo L110E - 86264 Hydraulic system, return line L110E S/N 1002 - 2165 SWE, 60001- USA,70201-70257BRA
FIT
1:1
100%

Артикул

Название

Примечание

Количество

10

VOE 935309

Flange half

1шт.

10

VOE 935309

Flange half

1шт.

11

VOE 11410058

Пластина

1шт.

11

VOE 11410058

Пластина

1шт.

12

VOE 13965192

Screw

1шт.

12

VOE 13965192

Болт

1шт.

13

VOE 11172454

11172454

1шт.

14

VOE 13965192

Screw

1шт.

14

VOE 13965192

Болт

1шт.

15

VOE 13960145

Шайба

1шт.

15

VOE 13960145

Шайба

1шт.

16

VOE 13949239

Кольцо уплотнительное (О-кольцо)

1шт.

16

VOE 13949239

Кольцо уплотнительное (О-кольцо)

1шт.

17

VOE 935309

Flange half

1шт.

17

VOE 935309

Flange half

1шт.

18

VOE 965225

Flange screw

1шт.

18

VOE 965225

Flange screw

1шт.

19

VOE 11172506

Зажим

1шт.

19

VOE 11172506

Зажим

1шт.

2

VOE 14048189

Flange half

1шт.

2

VOE 14048189

Flange half

1шт.

20

VOE 11173709

Attaching Plate

1шт.

21

VOE 13946474

Flange screw

1шт.

22

VOE 11445064

Кронштейн

1шт.

23

VOE 13965185

Screw

SER NO - 1071

1шт.

23

VOE 13965185

Болт

SER NO - 1071

1шт.

24

VOE 13960143

Шайба

1шт.

24

VOE 13960143

Шайба

1шт.

3

VOE 13965226

Болт

1шт.

3

VOE 13965226

Болт

1шт.

4

VOE 13949239

Кольцо уплотнительное (О-кольцо)

T

1шт.

4

VOE 13949239

Кольцо уплотнительное (О-кольцо)

T

1шт.

5

VOE 11172208

Return line

1шт.

6

VOE 13966146

Пробка (заглушка)

1шт.

6

VOE 13966146

Пробка (заглушка)

1шт.

7

VOE 13964110

Прокладка

1шт.

7

VOE 13964110

Прокладка

1шт.

8

VOE 11147962

Hose assembly

L = 1100 MM

1шт.

9

VOE 13949239

Кольцо уплотнительное (О-кольцо)

1шт.

9

VOE 13949239

Кольцо уплотнительное (О-кольцо)

1шт.

Выбрано товаров: 40