Запчасти Volvo L110E 96536 Servo valve L110E S/N 1002 - 2165 SWE, 60001- USA,70201-70257BRA

Схема запчастей Volvo L110E - 96536 Servo valve L110E S/N 1002 - 2165 SWE, 60001- USA,70201-70257BRA
FIT
1:1
100%

Артикул

Название

Примечание

Количество

VOE 11991316

Spacer washer

THICK = 0.5 MM

1шт.

VOE 11706176

Tie rod kit

1шт.

VOE 11991049

Spacer washer

THICK = 0.3 MM

1шт.

VOE 11172599

Servo valve

1шт.

VOE 11706177

Lever kit

1шт.

VOE 11104986

Attaching Plate

1шт.

VOE 11706175

Spring assembly

1шт.

VOE 11706174

Servo valve

1шт.

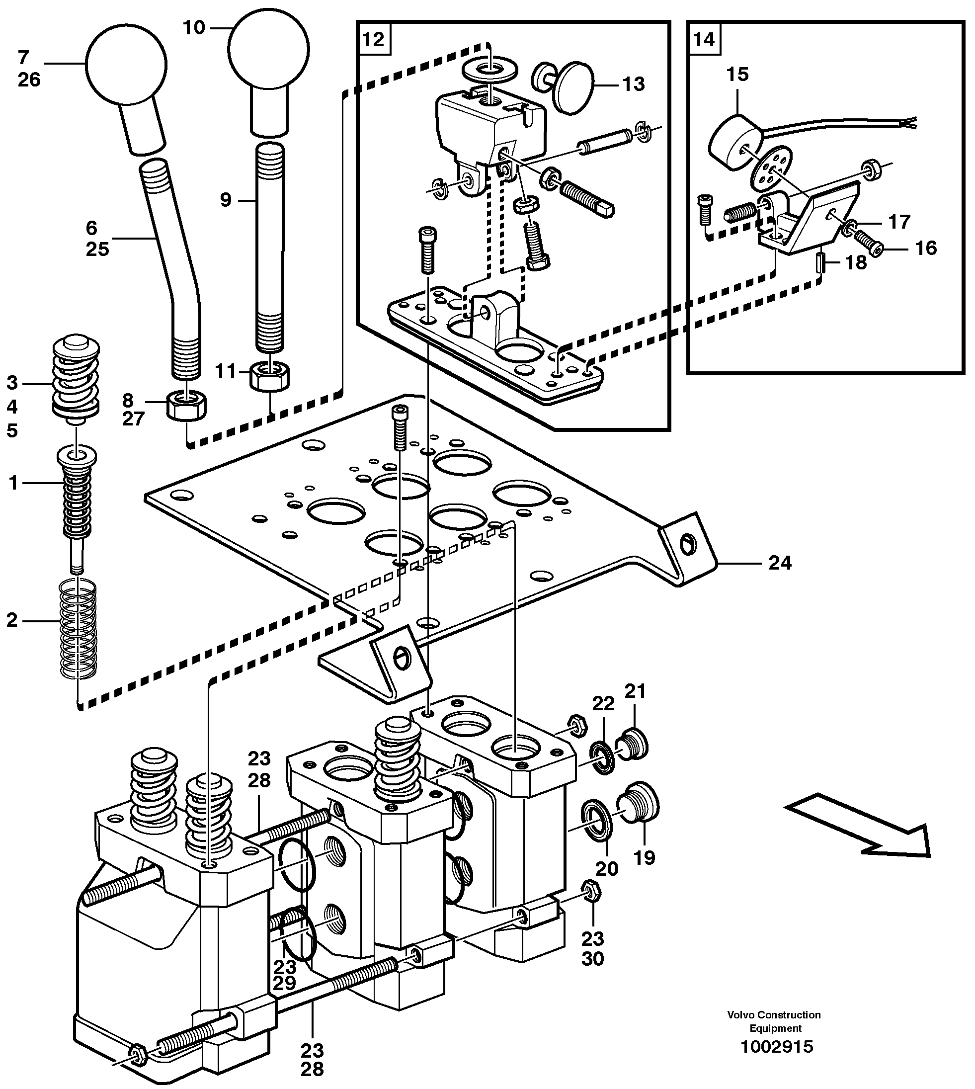
1

VOE 11705921

Spring assembly

1шт.

10

VOE 11708308

Ball

1шт.

11

VOE 13971080

Hexagon nut

1шт.

11

VOE 13971080

Hexagon nut

1шт.

12

VOE 11705078

Lever Link

1шт.

13

VOE 11003417

Anchor plate

1шт.

14

VOE 11705079

Magnet

1шт.

15

VOE 15100027

Magnet

MA901, MA902, MA904

1шт.

16

VOE 959174

Allen Hd Screw

1шт.

17

VOE 13960146

Шайба

1шт.

17

VOE 13960146

Шайба

1шт.

18

VOE 951940

Spring pin

1шт.

18

VOE 951940

Spring pin

1шт.

19

VOE 945065

Пробка (заглушка)

1шт.

19

VOE 945065

Пробка (заглушка)

1шт.

2

VOE 11994393

Return spring

1шт.

20

VOE 13945653

Plane gasket

1шт.

20

VOE 13945653

Plane gasket

1шт.

21

VOE 13965768

Пробка (заглушка)

1шт.

21

VOE 13965768

Пробка (заглушка)

1шт.

22

VOE 947083

Прокладка

1шт.

22

VOE 947083

Прокладка

1шт.

23

VOE 11705080

Tie rod kit

1шт.

24

VOE 11715961

Valve plate

1шт.

25

VOE 11998151

Lever kit

1шт.

26

VOE 11991321

Ball

1шт.

27

VOE 13971080

Hexagon nut

1шт.

27

VOE 13971080

Hexagon nut

1шт.

28

VOE 11991319

Pull rod

1шт.

29

VOE 955994

Кольцо уплотнительное (О-кольцо)

1шт.

29

VOE 955994

Кольцо уплотнительное (О-кольцо)

1шт.

3

VOE 11991323

Клапан

1шт.

30

VOE 13955781

Гайка

1шт.

30

VOE 13955781

Гайка

1шт.

4

VOE 11991047

Sealing kit

1шт.

5

VOE 11991048

Spacer washer

THICK = 0.2 MM

1шт.

6

VOE 11708826

Lever kit

1шт.

7

VOE 11708308

Ball

1шт.

8

VOE 13971080

Hexagon nut

1шт.

8

VOE 13971080

Hexagon nut

1шт.

9

VOE 11708827

Lever kit

1шт.

Выбрано товаров: 49