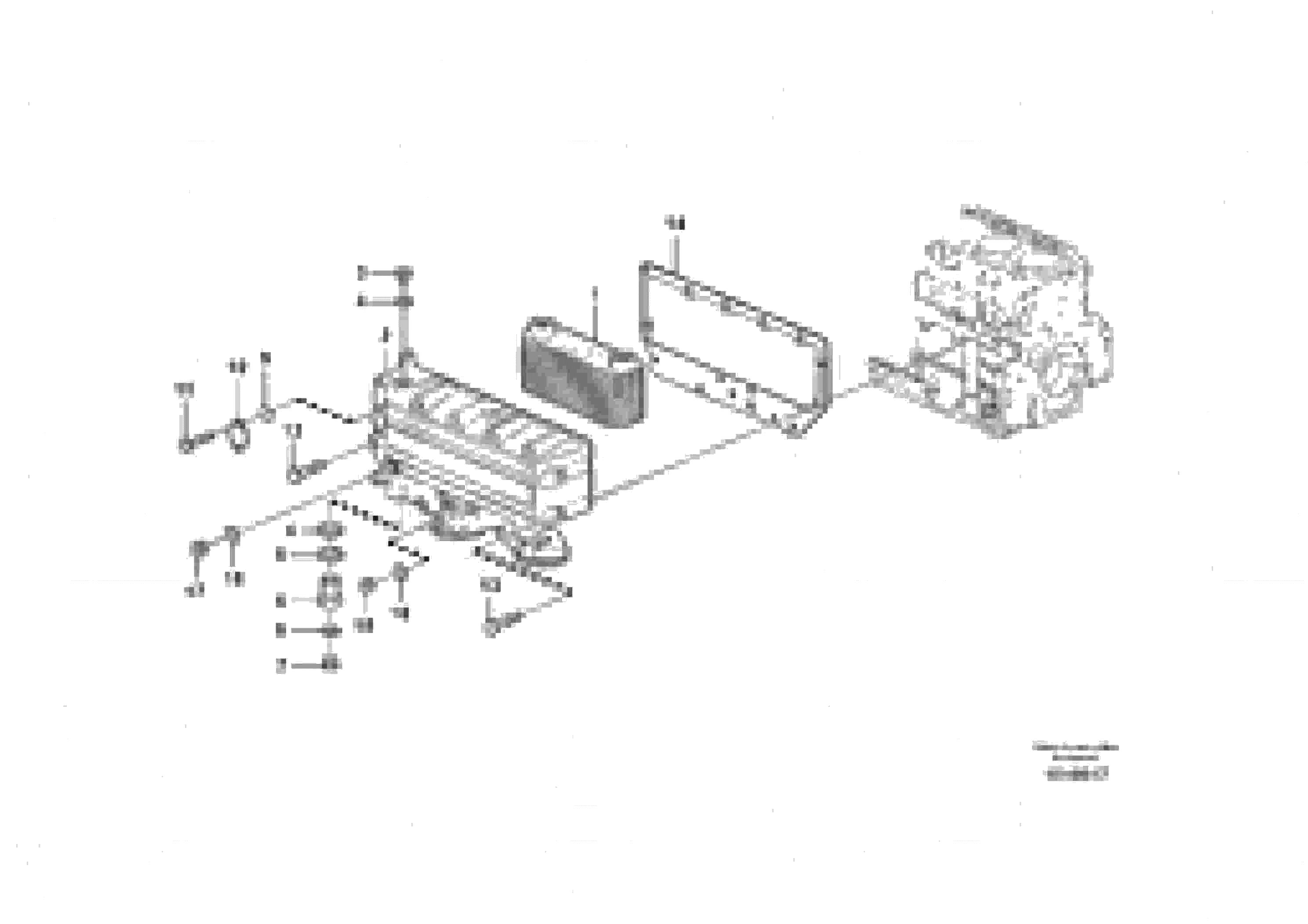
Запчасти Volvo L110E 32488 Масляный радиатор L110E S/N 2202- SWE, 61001- USA, 70401-BRA

Схема запчастей Volvo L110E - 32488 Масляный радиатор L110E S/N 2202- SWE, 61001- USA, 70401-BRA
FIT
1:1
100%

Артикул

Название

Примечание

Количество

1

VOE 20715681

Масляный радиатор

1шт.

10

VOE 21072778

Фланец

1шт.

11

VOE 20405885

Болт

1шт.

11

VOE 20405885

Болт

1шт.

12

VOE 20405917

Болт

1шт.

12

VOE 20405917

Болт

1шт.

13

VOE 20405672

Болт

1шт.

13

VOE 20405672

Болт

1шт.

14

VOE 20405747

Прокладка

1шт.

14

VOE 20405747

Прокладка

1шт.

15

VOE 20450895

Пробка (заглушка)

E PROD

1шт.

15

VOE 20450895

Пробка (заглушка)

E PROD

1шт.

15

VOE 21011809

Пробка (заглушка)

L PROD

1шт.

16

VOE 13947281

Прокладка

E PROD

1шт.

16

VOE 13947281

Прокладка

E PROD

1шт.

17

VOE 20450890

Кольцо уплотнительное

1шт.

17

VOE 20450890

Кольцо уплотнительное

1шт.

18

VOE 20450890

Кольцо уплотнительное

1шт.

18

VOE 20450890

Кольцо уплотнительное

1шт.

2

VOE 20819716

Box

1шт.

3

VOE 20459195

Пробка (заглушка)

1шт.

3

VOE 20459195

Пробка (заглушка)

1шт.

4

VOE 13947628

Plane gasket

1шт.

4

VOE 13947628

Plane gasket

1шт.

5

VOE 20405752

Болт

1шт.

5

VOE 20405752

Болт

1шт.

6

VOE 20405569

Сальник

1шт.

7

VOE 20549897

Пробка (заглушка)

1шт.

8

VOE 20405578

Кольцо уплотнительное

1шт.

8

VOE 20405578

Кольцо уплотнительное

1шт.

9

VOE 20405599

Кольцо уплотнительное

1шт.

9

VOE 20405599

Кольцо уплотнительное

1шт.

Выбрано товаров: 32