Запчасти Volvo L120 15392 Установка двигателя L120 Volvo BM L120

Схема запчастей Volvo L120 - 15392 Установка двигателя L120 Volvo BM L120
FIT
1:1
100%

Артикул

Название

Примечание

Количество

VOE 13970975

Винт шестигранник

SER NO 5011 -

1шт.

VOE 13970975

Винт шестигранник

SER NO 5011 -

1шт.

VOE 13955897

Шайба

SER NO 5011 -

1шт.

VOE 13955897

Шайба

SER NO 5011 -

1шт.

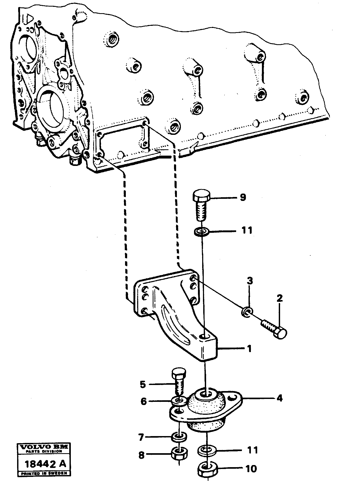
1

VOE 4856778

Установка двигателя

1шт.

1

VOE 4856778

Engine Mounting

1шт.

10

VOE 945884

Lock nut

1шт.

10

VOE 945884

Lock nut

1шт.

11

VOE 13955900

Шайба

1шт.

11

VOE 13955900

Шайба

1шт.

2

VOE 970976

Винт шестигранник

SER NO - 5010

1шт.

2

VOE 970976

Винт шестигранник

SER NO - 5010

1шт.

3

VOE 4850822

Вставка

SER NO - 5010

1шт.

3

VOE 4850822

Вставка

SER NO - 5010

1шт.

4

VOE 342812

Rubber cushion

1шт.

4

VOE 342812

Rubber cushion

1шт.

5

VOE 13970950

Винт шестигранник

1шт.

5

VOE 13970950

Винт шестигранник

1шт.

6

VOE 13960143

Шайба

1шт.

6

VOE 13960143

Шайба

1шт.

7

VOE 11015657

Шайба

1шт.

7

VOE 11015657

Шайба

1шт.

8

VOE 13971098

Flange nut

1шт.

8

VOE 13971098

Flange nut

1шт.

9

VOE 13955378

Болт

1шт.

9

VOE 13955378

Болт

1шт.

Выбрано товаров: 26