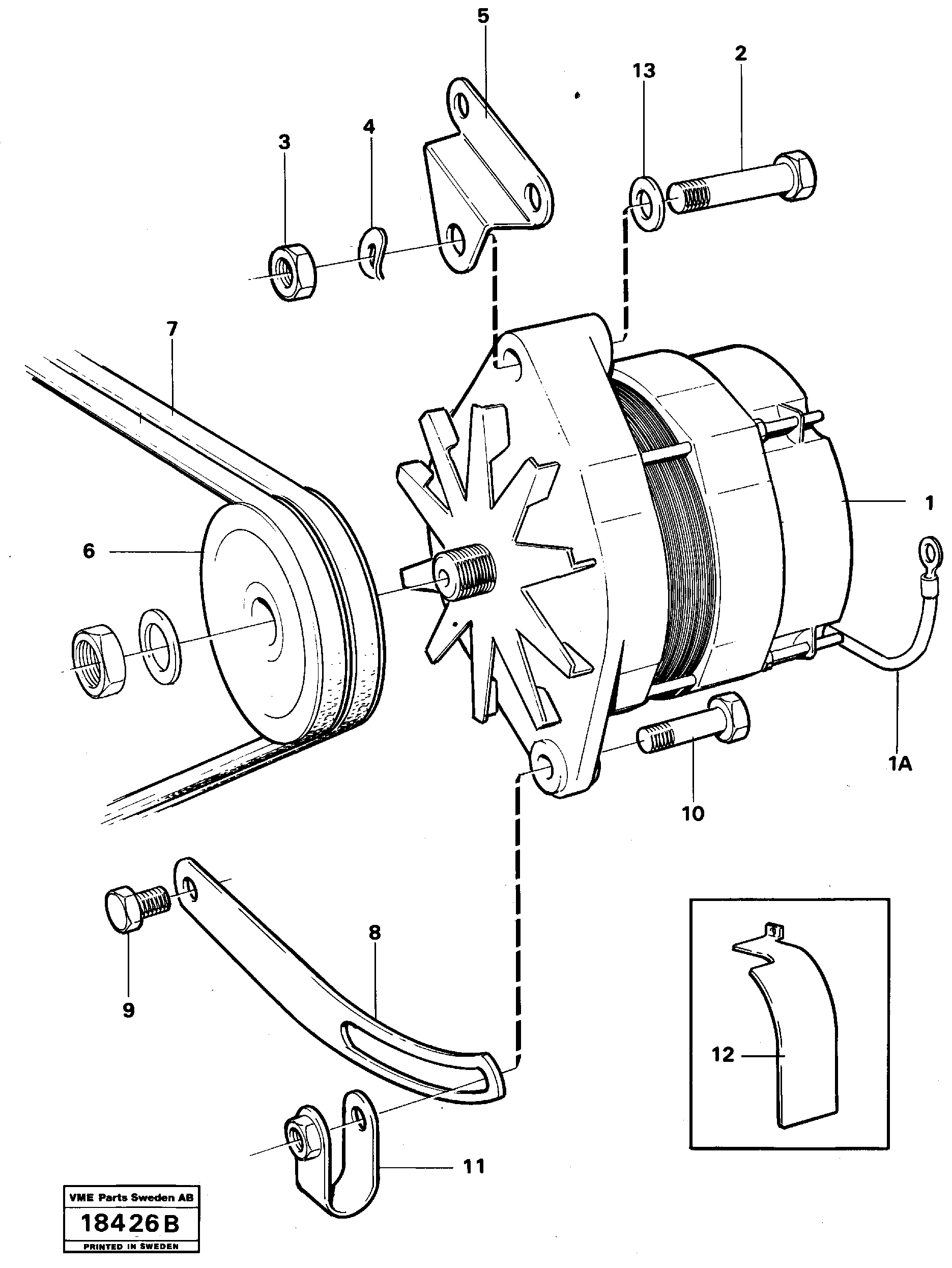
Запчасти Volvo L120 18127 Alternator with assembling details L120 Volvo BM L120

Схема запчастей Volvo L120 - 18127 Alternator with assembling details L120 Volvo BM L120
FIT
1:1
100%

Артикул

Название

Примечание

Количество

VOE 971005

Винт шестигранник

1шт.

VOE 971005

Винт шестигранник

1шт.

VOE 11014248

Guard

(USA) SER NO 60598 -

1шт.

VOE 11014248

Guard

(USA) SER NO 60598 -

1шт.

10

VOE 13947760

Болт

L = 40: (947760)

1шт.

10

VOE 13947760

Flange screw

L = 40: (947760)

1шт.

11

VOE 466735

Brace

1шт.

11

VOE 466735

Brace

1шт.

12

VOE 11014248

Guard

(11013000)

1шт.

12

VOE 11014248

Guard

(11013000)

1шт.

13

VOE 955899

Шайба

1шт.

13

VOE 955899

Шайба

1шт.

1A

VOE 11013510

Wire Assembly

SER NO 6643 - 7250

1шт.

1A

VOE 11013510

Wire Assembly

SER NO 6643 - 7250

1шт.

2

VOE 11030564

Болт

(4772212)

1шт.

3

VOE 971071

Hexagon Nut

(955783)

1шт.

3

VOE 971071

Hexagon Nut

(955783)

1шт.

4

VOE 941908

Шайба пружинная

1шт.

4

VOE 941908

Шайба пружинная

1шт.

5

VOE 11030624

Anchorage

1шт.

5

VOE 11030624

Anchorage

1шт.

6

VOE 822573

Шкив

1шт.

6

VOE 822573

Шкив

1шт.

7

VOE 966869

Ремень клиновой (приводной)

1шт.

7

VOE 966869

Ремень клиновой (приводной)

1шт.

8

VOE 4772066

Tensioner

1шт.

8

VOE 4772066

Tensioner

1шт.

9

VOE 13946173

Flange screw

L = 20

1шт.

9

VOE 13946173

Болт

L = 20

1шт.

Выбрано товаров: 29