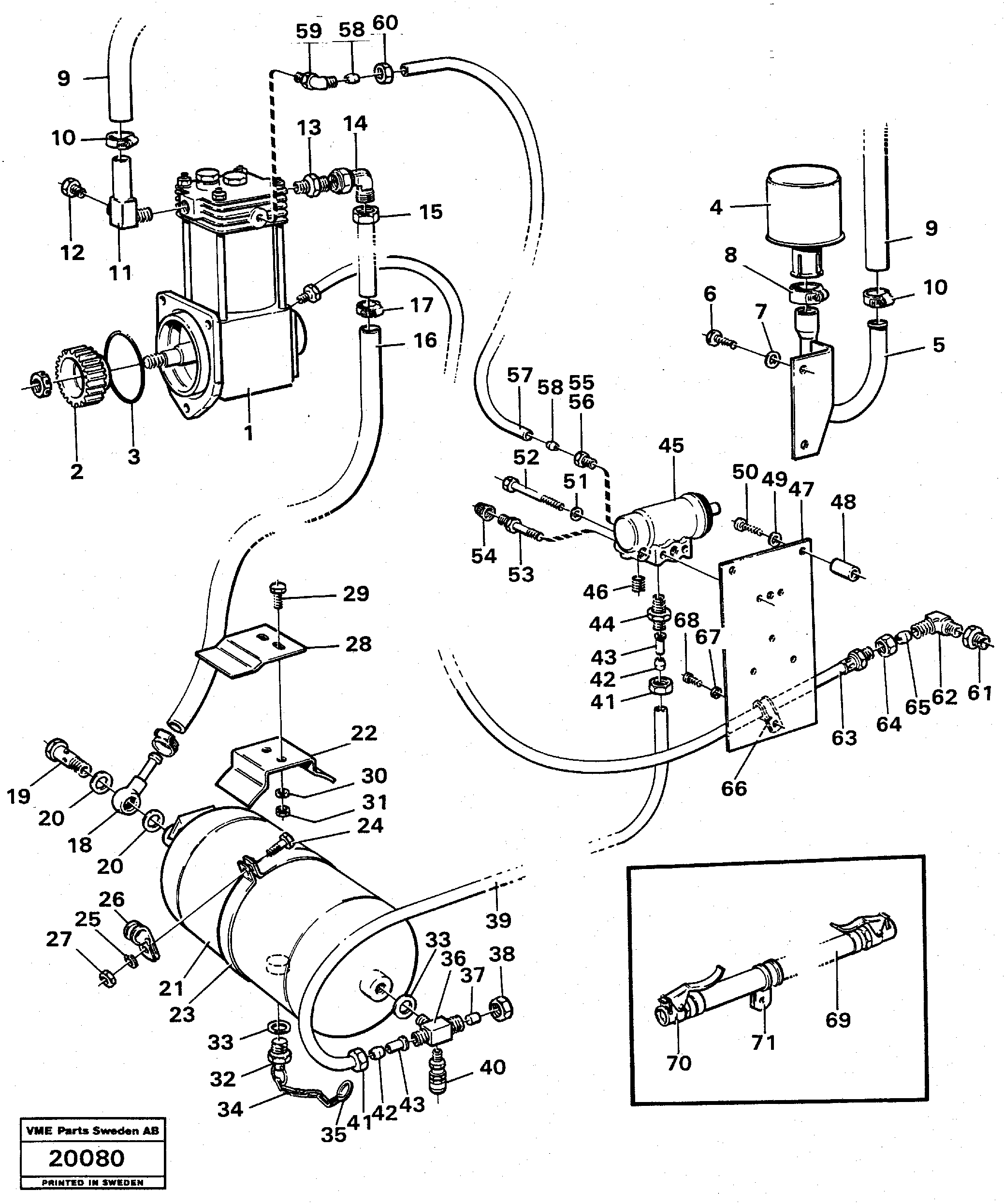
Запчасти Volvo L120 78093 Compressed air equipment L120 Volvo BM L120

Схема запчастей Volvo L120 - 78093 Compressed air equipment L120 Volvo BM L120
FIT
1:1
100%

Артикул

Название

Примечание

Количество

VOE 4786206

4786206

1шт.

VOE 478289

Gear

ENG 35287 -

1шт.

VOE 478289

Gear

ENG 35287 -

1шт.

1

VOE 11003424

Compressor

1шт.

1

VOE 11003424

Compressor

1шт.

10

VOE 13943472

Hose clamp

1шт.

11

VOE 927676

Elbow nipple

1шт.

12

VOE 180759

Пробка (заглушка)

1шт.

12

VOE 180759

Plug

1шт.

13

VOE 941750

Nipple

1шт.

14

VOE 13964016

Nipple

1шт.

14

VOE 13964016

Nipple

1шт.

15

VOE 11018271

Трубка

1шт.

16

VOE 13961191

Hydraulic hose

L = 1100

1шт.

17

VOE 13943472

Hose clamp

1шт.

18

VOE 11018272

Трубка

1шт.

19

VOE 191157

Hollow screw

1шт.

19

VOE 191157

Hollow screw

1шт.

2

VOE 423087

Gear

ENG - 35286

1шт.

2

VOE 423087

Gear

ENG - 35286

1шт.

20

VOE 13947627

Plane gasket

1шт.

20

VOE 13947627

Plane gasket

1шт.

21

VOE 11023848

Cprs Air Tank

1шт.

22

VOE 11018279

Anchorage

1шт.

23

VOE 748171

Tensioning band

1шт.

23

VOE 748171

Tensioning band

1шт.

24

VOE 955299

Винт шестигранник

1шт.

24

VOE 955299

Винт шестигранник

1шт.

25

VOE 13941907

Шайба пружинная

1шт.

25

VOE 13941907

Шайба

1шт.

26

VOE 13977599

Зажим

1шт.

26

VOE 13977599

Зажим

1шт.

27

VOE 955782

Hexagon nut

1шт.

27

VOE 955782

Hexagon nut

1шт.

28

VOE 11018268

11018268

1шт.

29

VOE 13970969

Винт шестигранник

1шт.

3

VOE 13975610

Кольцо уплотнительное (О-кольцо)

1шт.

3

VOE 13975610

Кольцо уплотнительное (О-кольцо)

1шт.

30

VOE 13955897

Шайба

1шт.

30

VOE 13955897

Шайба

1шт.

31

VOE 13971072

Hexagon nut

1шт.

31

VOE 13971072

Hexagon nut

1шт.

32

VOE 1581425

Draining valve

1шт.

32

VOE 1581425

Draining valve

1шт.

33

VOE 13947627

Plane gasket

1шт.

33

VOE 13947627

Plane gasket

1шт.

34

VOE 4880283

Chain

L = 450

1шт.

34

VOE 4880283

Chain

L = 450

1шт.

35

VOE 791496

Spring ring

1шт.

35

VOE 791496

Spring ring

1шт.

36

VOE 4949334

Nipple

1шт.

36

VOE 4949334

Nipple

1шт.

37

VOE 943009

Ferrule

1шт.

38

VOE 326597

Fitting nut

1шт.

38

VOE 326597

Fitting nut

1шт.

39

VOE 13945460

Plastic pipe

L = 900

1шт.

39

VOE 13945460

Plastic pipe

L = 900

1шт.

4

VOE 11172907

Фильтр воздушный

1шт.

4

VOE 11172907

Фильтр воздушный

1шт.

40

VOE 1504584

Клапан

1шт.

40

VOE 1504584

Клапан

1шт.

41

VOE 954356

Fitting nut

1шт.

41

VOE 954356

Fitting nut

1шт.

42

VOE 954364

Ferrule

1шт.

42

VOE 954364

Ferrule

1шт.

43

VOE 944717

Втулка (распорная)

1шт.

43

VOE 944717

Втулка (распорная)

1шт.

44

VOE 13954378

Nipple

1шт.

44

VOE 13954378

Nipple

1шт.

45

VOE 1503492

Regulator

1шт.

46

VOE 7016325

Пробка (заглушка)

1шт.

46

VOE 7016325

Пробка (заглушка)

1шт.

47

VOE 11018267

11018267

1шт.

48

VOE 13910369

Spacer ring

1шт.

49

VOE 13955894

Шайба

1шт.

49

VOE 13955894

Шайба

1шт.

5

VOE 4854862

Filter retainer

1шт.

50

VOE 940132

Винт шестигранник

1шт.

50

VOE 940132

Винт шестигранник

1шт.

51

VOE 13941907

Шайба пружинная

1шт.

51

VOE 13941907

Шайба

1шт.

52

VOE 955304

Винт шестигранник

1шт.

52

VOE 955304

Винт шестигранник

1шт.

53

VOE 1505058

Air supply nipple

1шт.

53

VOE 1505058

Air supply nipple

1шт.

54

VOE 6854661

Cap

1шт.

54

VOE 6854661

Cap

1шт.

55

VOE 326643

326643

1шт.

56

VOE 7326643

Фиттинг

1шт.

57

VOE 11018274

Трубка

1шт.

58

VOE 954363

Olive

1шт.

58

VOE 954363

Olive

1шт.

59

VOE 954384

Elbow nipple

1шт.

59

VOE 954384

Elbow nipple

1шт.

6

VOE 13955294

Болт

1шт.

6

VOE 13955294

Болт

1шт.

60

VOE 954348

Гайка

1шт.

60

VOE 954348

Гайка

1шт.

61

VOE 421528

Reduction

1шт.

62

VOE 954385

Elbow nipple

1шт.

62

VOE 954385

Elbow nipple

1шт.

63

VOE 11018277

Low pressure hose

1шт.

64

VOE 954348

Гайка

1шт.

64

VOE 954348

Гайка

1шт.

65

VOE 954364

Ferrule

1шт.

65

VOE 954364

Ferrule

1шт.

66

VOE 13949746

Зажим

1шт.

66

VOE 13949746

Зажим

1шт.

67

VOE 955892

Шайба

1шт.

67

VOE 955892

Шайба

1шт.

68

VOE 13955272

Болт

1шт.

68

VOE 13955272

Болт

1шт.

69

VOE 13961188

Hydraulic hose

L = 8500

1шт.

69

VOE 13961188

Hydraulic hose

L = 8500

1шт.

7

VOE 13955894

Шайба

1шт.

7

VOE 13955894

Шайба

1шт.

70

VOE 4780395

Air supply nipple

1шт.

70

VOE 4780395

Air supply nipple

1шт.

71

VOE 943470

Hose clamp

1шт.

71

VOE 943470

Hose clamp

1шт.

8

VOE 943473

Hose clamp

1шт.

8

VOE 943473

Hose clamp

1шт.

9

VOE 13961192

Hydraulic hose

L = 1020

1шт.

Выбрано товаров: 123