Запчасти Volvo L120 20071 Pump unit L120 Volvo BM L120

Схема запчастей Volvo L120 - 20071 Pump unit L120 Volvo BM L120
FIT
1:1
100%

Артикул

Название

Примечание

Количество

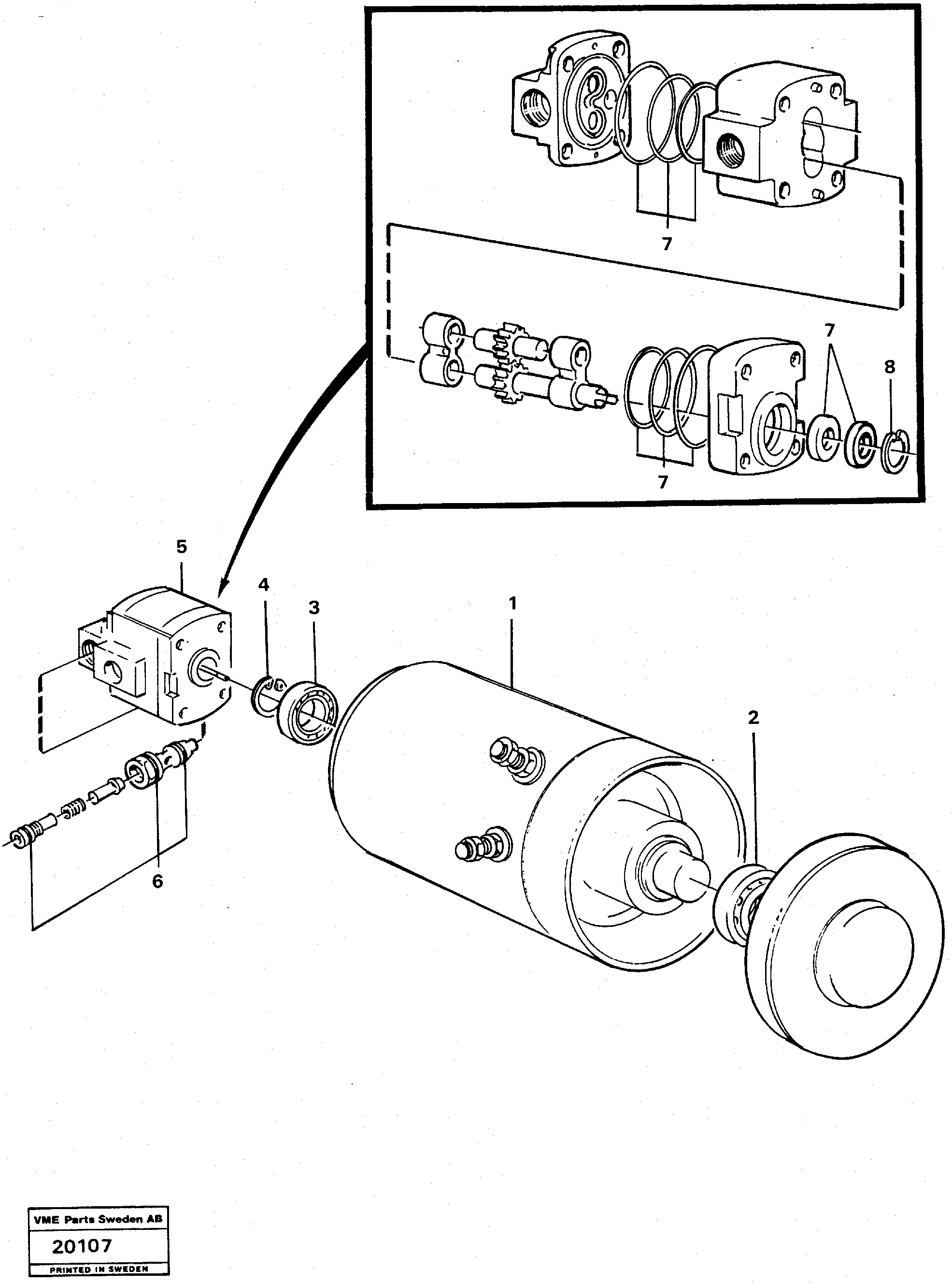
VOE 4881450

Pump Unit

1шт.

VOE 4881450

Pump Unit

1шт.

1

VOE 11992840

Electrical Motor

1шт.

1

VOE 11992840

Electrical Motor

1шт.

2

VOE 11000282

Ball Bearing

1шт.

3

VOE 181745

Подшипник

1шт.

4

VOE 914454

Кольцо стопорное

1шт.

4

VOE 914454

Snap Ring

1шт.

5

VOE 11991390

Насос

1шт.

5

VOE 11991390

Насос

1шт.

6

VOE 11992398

Sealing Kit

1шт.

7

VOE 11992559

Sealing Kit

1шт.

8

VOE 914510

Кольцо стопорное

1шт.

8

VOE 914510

Snap Ring

1шт.

Выбрано товаров: 14