Запчасти Volvo L120B 10408 Alternator with assembling details L120B VOLVO BM VOLVO BM L120B

Схема запчастей Volvo L120B - 10408 Alternator with assembling details L120B VOLVO BM VOLVO BM L120B
FIT
1:1
100%

Артикул

Название

Примечание

Количество

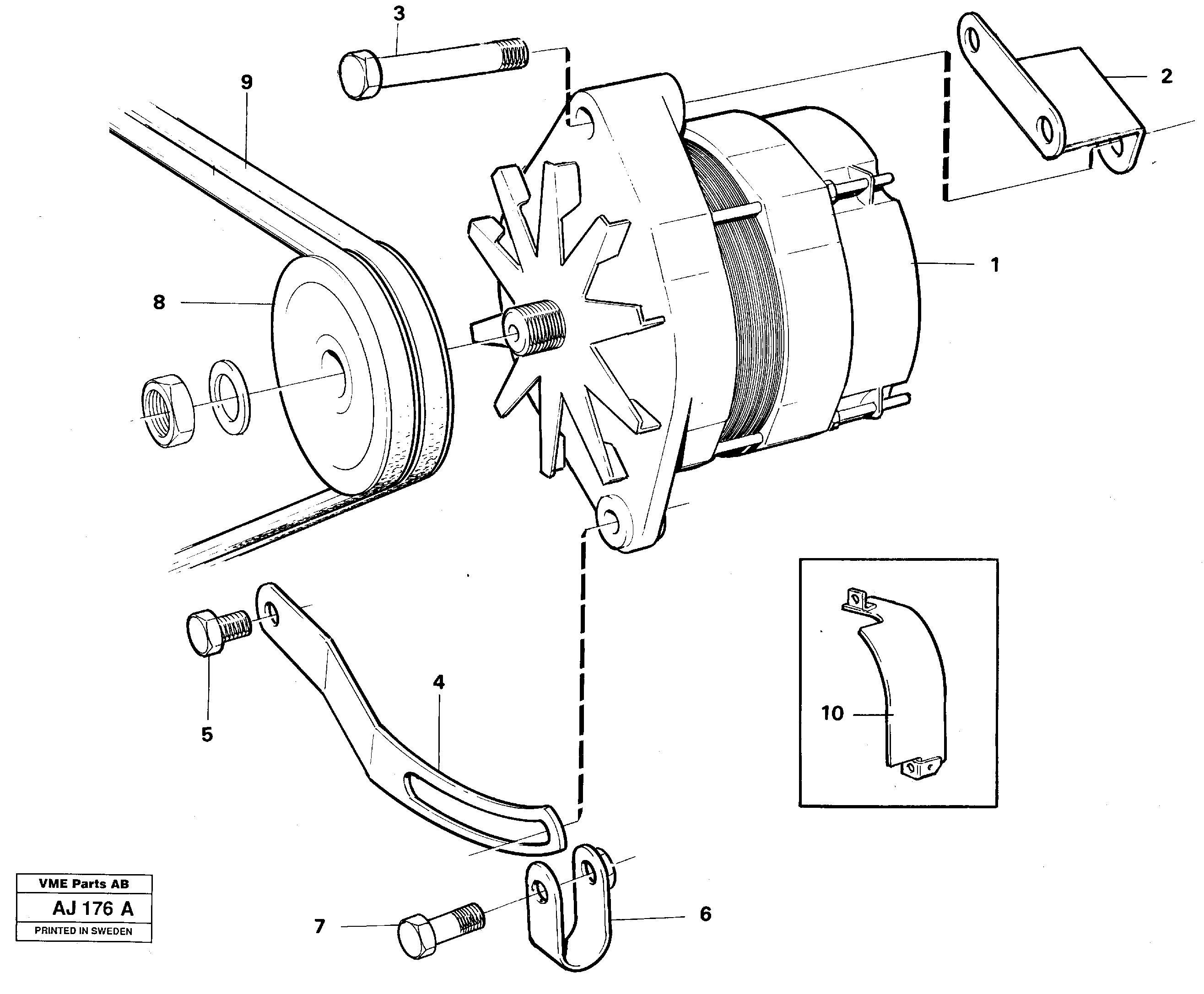
1

VOE 872021

Alternator

1шт.

1

VOE 872021

Alternator

1шт.

10

VOE 11014248

Guard

STD USA

1шт.

10

VOE 11014248

Guard

STD USA

1шт.

2

VOE 11030624

Anchorage

1шт.

2

VOE 11030624

Anchorage

1шт.

3

VOE 971005

Винт шестигранник

1шт.

3

VOE 971005

Винт шестигранник

1шт.

4

VOE 4772066

Tensioner

1шт.

4

VOE 4772066

Tensioner

1шт.

5

VOE 13946173

Flange screw

1шт.

5

VOE 13946173

Болт

1шт.

6

VOE 466735

Brace

1шт.

6

VOE 466735

Brace

1шт.

7

VOE 13947760

Болт

1шт.

7

VOE 13947760

Flange screw

1шт.

8

VOE 822573

Шкив

1шт.

8

VOE 822573

Шкив

1шт.

9

VOE 966869

Ремень клиновой (приводной)

1шт.

9

VOE 966869

Ремень клиновой (приводной)

1шт.

Выбрано товаров: 20