Запчасти Volvo L120B 43338 Sensor L120B VOLVO BM VOLVO BM L120B

Схема запчастей Volvo L120B - 43338 Sensor L120B VOLVO BM VOLVO BM L120B
FIT
1:1
100%

Артикул

Название

Примечание

Количество

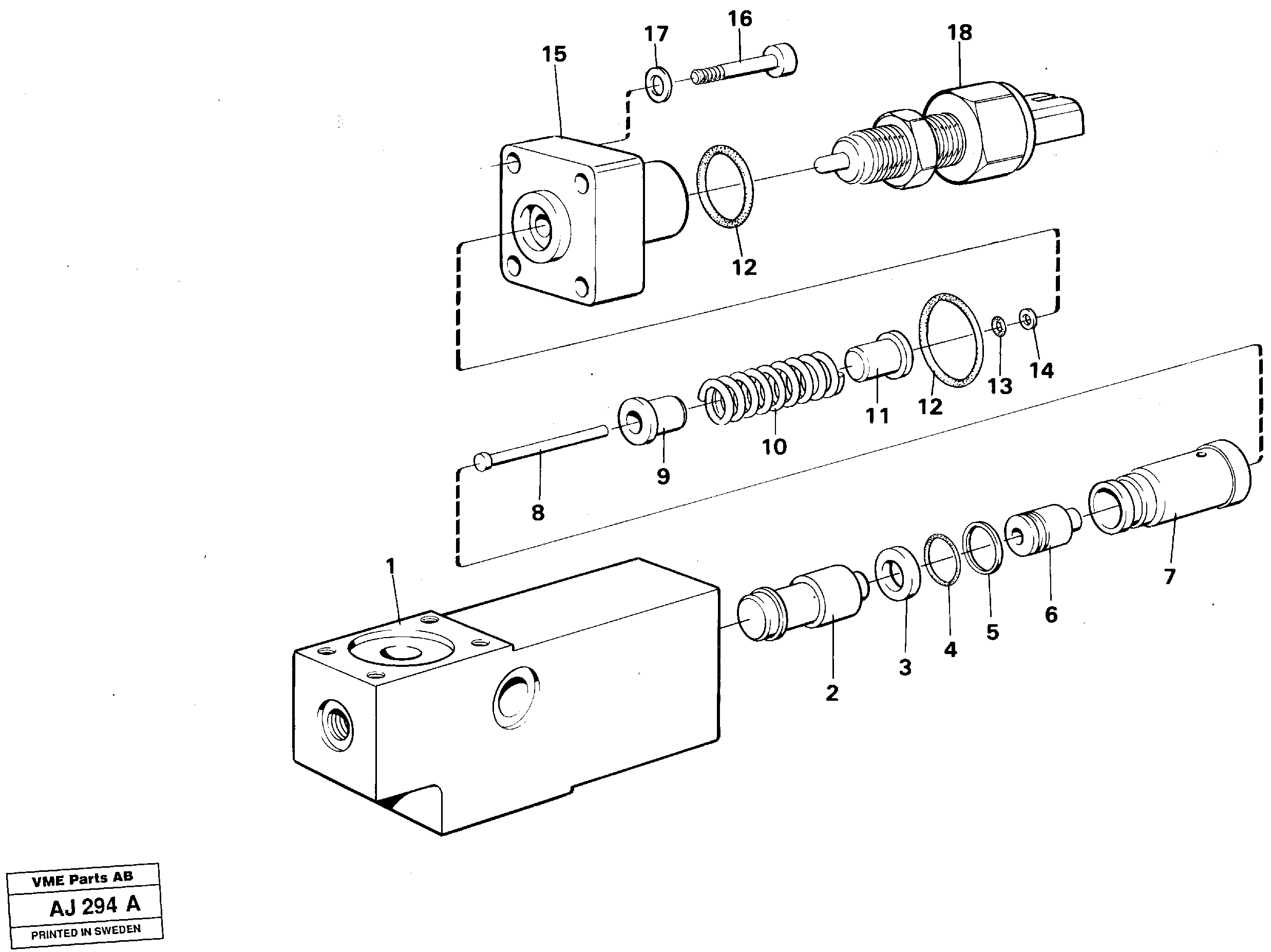
VOE 11014458

Sensor

1шт.

VOE 11015028

Sensor

1шт.

12

VOE 13960171

Кольцо уплотнительное (О-кольцо)

(960171)

1шт.

12

VOE 13960171

Кольцо уплотнительное (О-кольцо)

(960171)

1шт.

13

VOE 925051

Кольцо уплотнительное (О-кольцо)

1шт.

13

VOE 925051

Кольцо уплотнительное (О-кольцо)

1шт.

14

VOE 962528

Back-up ring

1шт.

16

VOE 959223

Allen Hd Screw

1шт.

17

VOE 13941907

Шайба пружинная

(941907)

1шт.

17

VOE 13941907

Шайба

(941907)

1шт.

18

VOE 11039306

11039306

SE51

1шт.

4

VOE 925058

Кольцо уплотнительное (О-кольцо)

1шт.

4

VOE 925058

Кольцо уплотнительное (О-кольцо)

1шт.

5

VOE 962542

Back-up ring

1шт.

Выбрано товаров: 14