Запчасти Volvo L120B 16884 Hydraulic system: Suction line L120B VOLVO BM VOLVO BM L120B

Схема запчастей Volvo L120B - 16884 Hydraulic system: Suction line L120B VOLVO BM VOLVO BM L120B
FIT
1:1
100%

Артикул

Название

Примечание

Количество

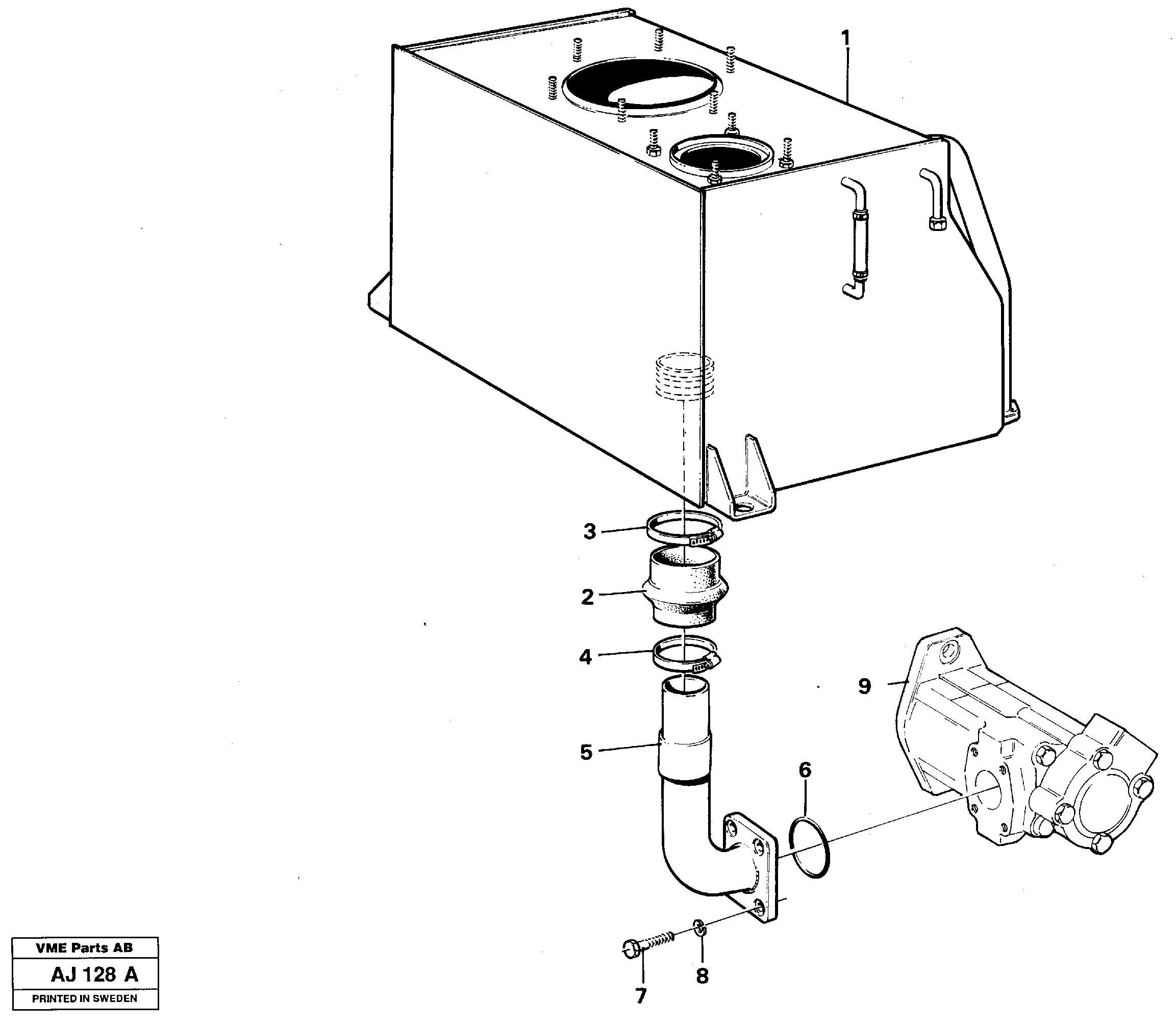
VOE 11025953

Hose Clamp

SER NO 8208 -

1шт.

VOE 11025953

Hose Clamp

SER NO 8208 -

1шт.

2

VOE 4856176

Connector casing

1шт.

2

VOE 4856176

Connector casing

1шт.

3

VOE 930834

Hose Clamp

SER NO - 8207

1шт.

3

VOE 930834

Hose Clamp

SER NO - 8207

1шт.

4

VOE 930870

Зажим

1шт.

4

VOE 930870

Зажим

1шт.

5

VOE 11018761

Intake pipe

1шт.

6

VOE 13925095

Кольцо уплотнительное (О-кольцо)

1шт.

6

VOE 13925095

Кольцо уплотнительное (О-кольцо)

1шт.

7

VOE 955363

Винт шестигранник

1шт.

7

VOE 955363

Винт шестигранник

1шт.

8

VOE 941912

Шайба пружинная

1шт.

8

VOE 941912

Шайба пружинная

1шт.

Выбрано товаров: 15