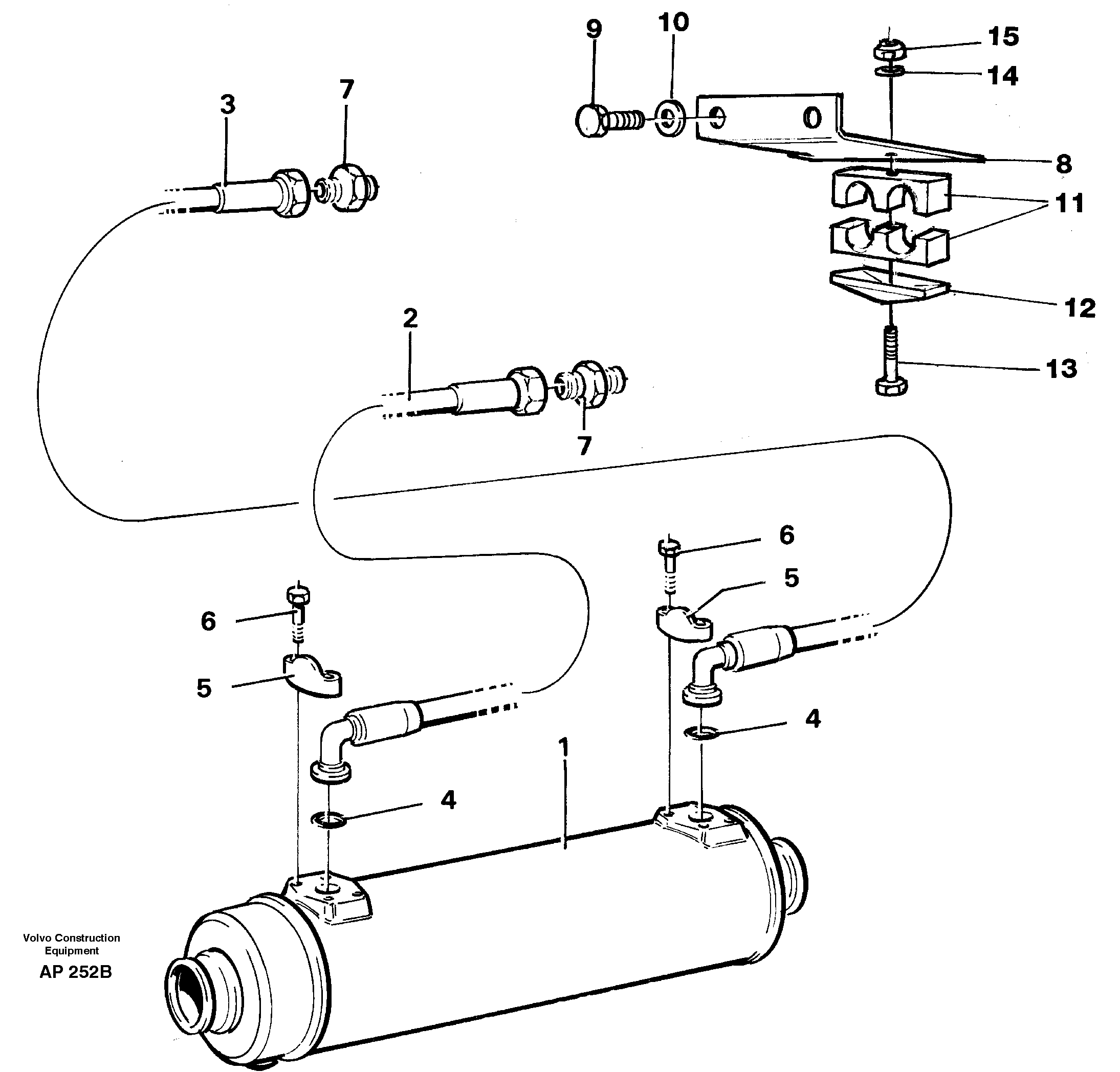
Запчасти Volvo L120C 50969 Система охлаждения L120C VOLVO BM VOLVO BM L120C SER NO - 11318

Схема запчастей Volvo L120C - 50969 Система охлаждения L120C VOLVO BM VOLVO BM L120C SER NO - 11318
FIT
1:1
100%

Артикул

Название

Примечание

Количество

10

VOE 955896

Шайба

1шт.

10

VOE 955896

Шайба

1шт.

11

VOE 4880625

Зажим

1шт.

12

VOE 4880586

Шайба

1шт.

12

VOE 4880586

Шайба

1шт.

13

VOE 955306

Винт шестигранник

1шт.

13

VOE 955306

Винт шестигранник

1шт.

14

VOE 13955894

Шайба

1шт.

14

VOE 13955894

Шайба

1шт.

15

VOE 946036

Lock nut

1шт.

15

VOE 946036

Lock nut

1шт.

2

VOE 13932991

Hose assembly

L=1650MM

1шт.

3

VOE 13933709

Hose assembly

L=1050MM

1шт.

4

VOE 13948700

Кольцо уплотнительное (О-кольцо)

1шт.

4

VOE 13948700

Кольцо уплотнительное (О-кольцо)

1шт.

5

VOE 927947

Flange half

1шт.

5

VOE 927947

Flange half

1шт.

6

VOE 13970947

Винт шестигранник

1шт.

6

VOE 13970947

Винт шестигранник

1шт.

7

VOE 13964017

Nipple

1шт.

8

VOE 11020673

Attachment

1шт.

9

VOE 13970973

Винт шестигранник

1шт.

9

VOE 13970973

Винт шестигранник

1шт.

Выбрано товаров: 23