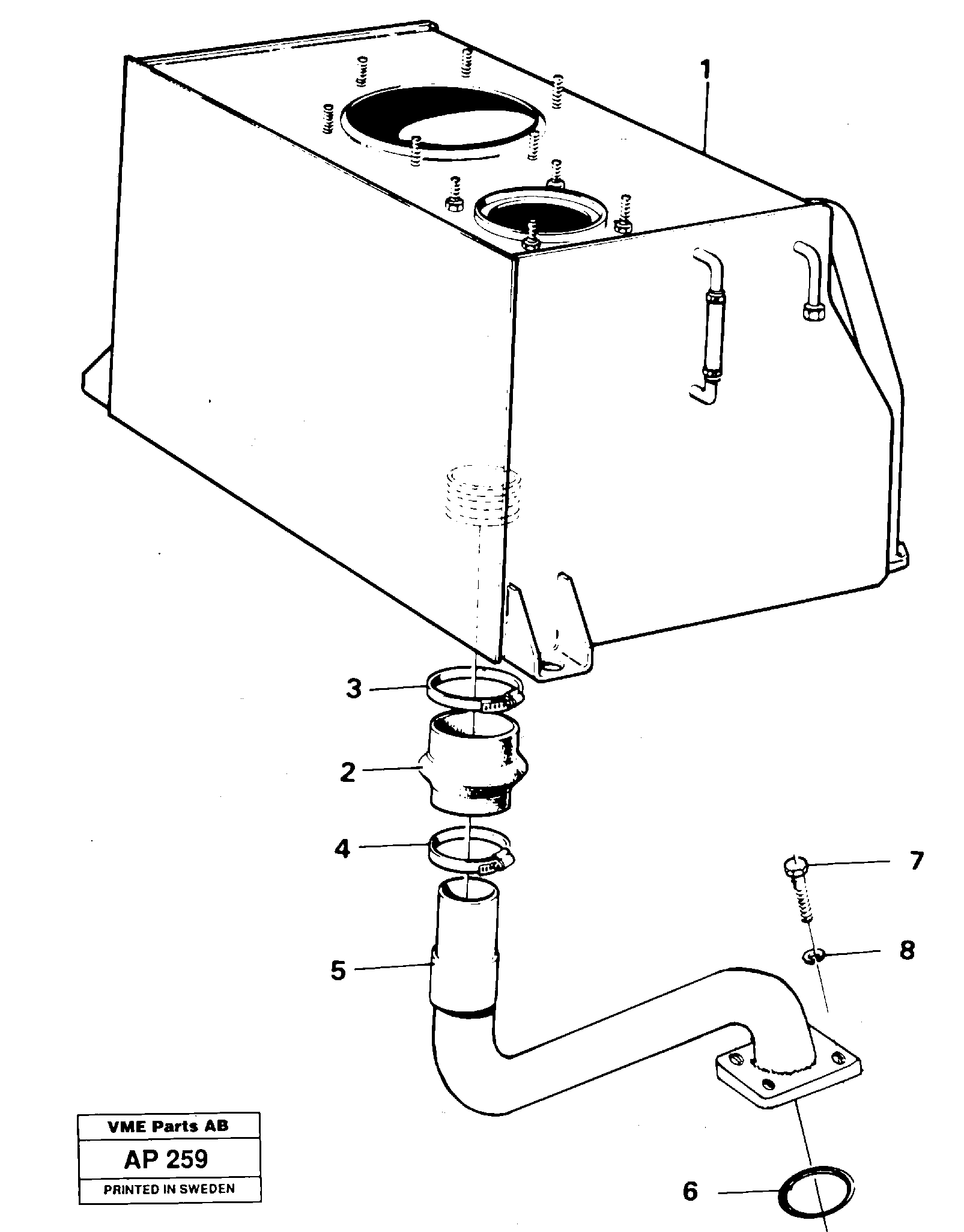
Запчасти Volvo L120C 25641 Hydraulic system Suction line L120C VOLVO BM VOLVO BM L120C SER NO - 11318

Схема запчастей Volvo L120C - 25641 Hydraulic system Suction line L120C VOLVO BM VOLVO BM L120C SER NO - 11318
FIT
1:1
100%

Артикул

Название

Примечание

Количество

2

VOE 4856176

Connector casing

1шт.

2

VOE 4856176

Connector casing

1шт.

3

VOE 11025953

Hose Clamp

1шт.

3

VOE 11025953

Hose Clamp

1шт.

4

VOE 930870

Зажим

1шт.

4

VOE 930870

Зажим

1шт.

5

VOE 11020256

Intake pipe

1шт.

6

VOE 949240

Кольцо уплотнительное (О-кольцо)

1шт.

6

VOE 949240

Кольцо уплотнительное (О-кольцо)

1шт.

7

VOE 13970970

Винт шестигранник

1шт.

7

VOE 13970970

Винт шестигранник

1шт.

8

VOE 940280

Шайба пружинная

1шт.

8

VOE 940280

Шайба пружинная

1шт.

Выбрано товаров: 13